Качественные детали и логистика
Оригинальные и аналоговые запчасти с доставкой по России, Казахстану и Беларуси
©2022 PartSell ООО "Система" ИНН 2463123282 ОГРН 1212400004838
Центральный офис: г. Красноярск, Академика Киренского, д.87, пом.4
Телефон: 8 (800) 777-65-74 Email: zakaz@partsell.ru
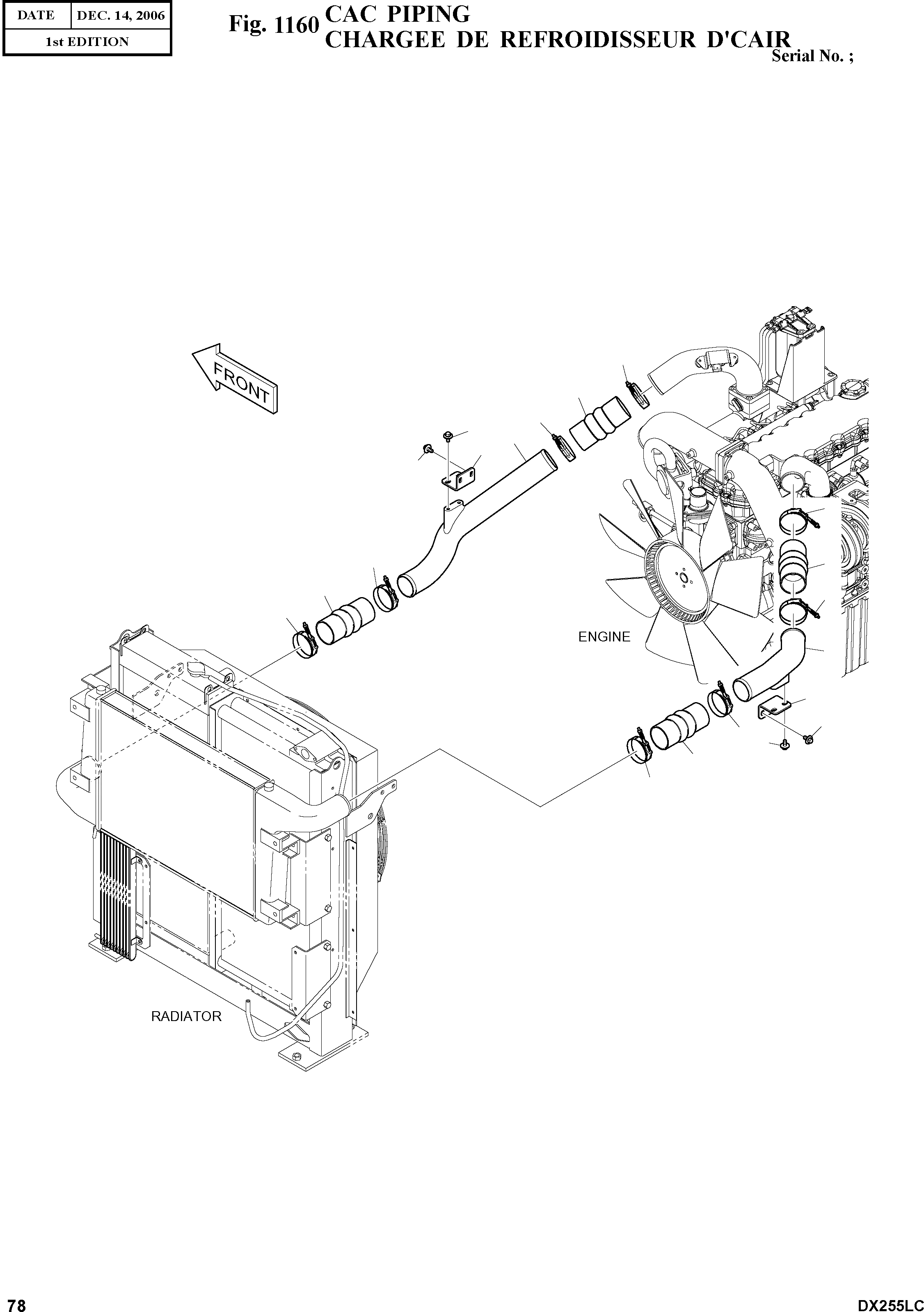
CAC PIPING
№
Артикул
Название
Примечание
Количество
-
K1010223A
SC: D
-2шт.
1
K1015051
PIPE;AIR
desc: TUYAU
1шт.
2
K1012214
HOSE;AIR
desc: TUYAU FLEXIBLE
4шт.
3
124-00194
CLAMP
desc: COLLIER
8шт.
4
K1015052
5
195-01620
BRACKET
desc: SUPPORT
2шт.
6
DS0025017
BOLT;SET
desc: BOULON
Выбрано товаров: 0