Запчасти Doosan Daewoo ALTERNATOR MOUNTING ENGINE PARTS

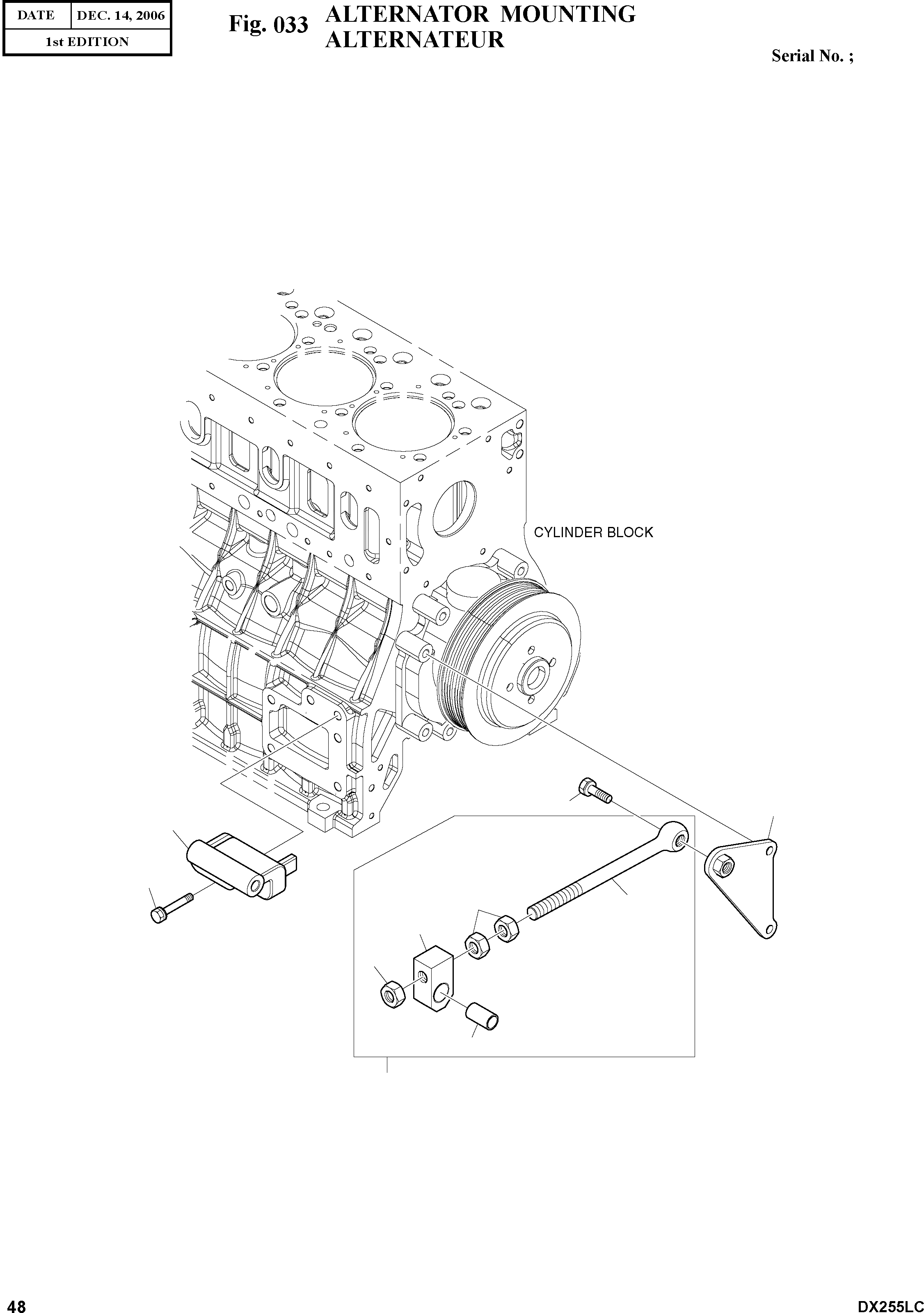
1
8
9
2
7
4
5
7
6
3
FIT
1:1
100%

Артикул

Название

Примечание

Количество

1

65.19102-0096

BRACKET;ALTERNATOR

desc: SUPPORT

1шт.

2

06.01943-3323

BOLT ASS'Y M12X1.5X60

desc: BOULON 6 PANS

2шт.

3

65.19103-6010A

EYE BOLT ASS'Y

desc: BOULON A 6PANS

1шт.

4

65.90441-0009A

EYE BOLT

SC: D

1шт.

5

65.19107-0001A

PIECE;GUIDE

SC: D

1шт.

6

65.93020-0055

BUSH

SC: D

1шт.

7

06.11063-9217

NUT

desc: . ECROU 6 PANS

3шт.

8

06.01943-3319

BOLT ASS'Y M12X1.5X40

desc: BOULON 6 A PANS

1шт.

9

65.19103-5049

SUPPORT;ALTERNATOR

desc: SUPPORT D'ALTERNATEUR

1шт.

Выбрано товаров: 9