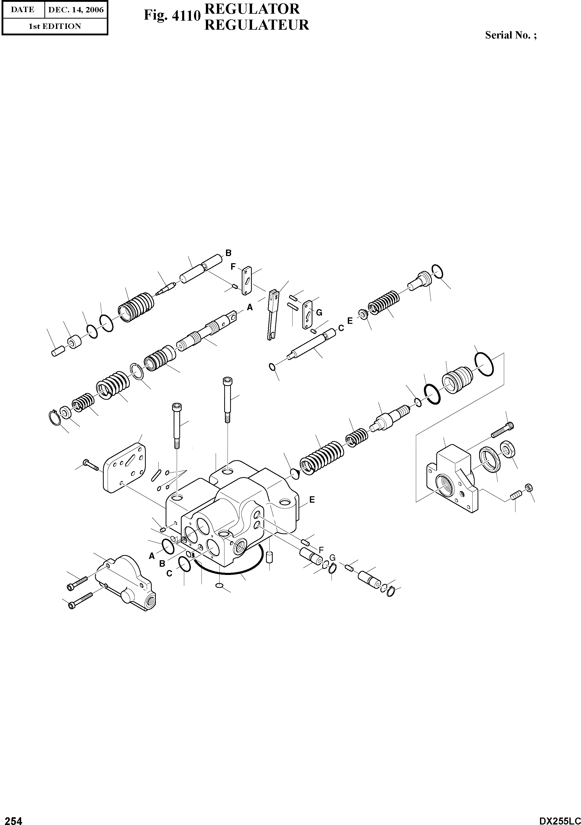
Запчасти Doosan Daewoo REGULATOR HYDRAULIC PARTS

623
621
612
611
622
874
613
875
728
733
732
645
631
875
646
898
897
644
763
652
628
643
756
651
753
730
412
836
627
438
655
626
413
654
656
625
653
629
814
624
601
735
722
438
802
630
801
496
924
724
876
734
641
876
614
438
615
755
887
755
708
858
858
725
730
724
436
FIT
1:1
100%

Артикул

Название

Примечание

Количество

-

K9004877

REGULATOR ASS'Y

desc: REDUCTEUR

2шт.

412

S2209661

SCREW;HEX M8X50

desc: VIS

2шт.

413

S2210071

SCREW;HEX M8X70

desc: VIS

2шт.

436

S2205261

SCREW;HEX M6X30

desc: VIS

2шт.

438

S2204861

SCREW;HEX M6X20

desc: VIS

10шт.

496

2.181-00214

PLUG

desc: BOUCHON

5шт.

601

1.402-00062

CASING

SC: D

1шт.

611

1.357-00015

LEVER;FEED BACK

SC: D

1шт.

612

1.357-00006

LEVER(1)

SC: D

1шт.

613

1.357-00009

LEVER(2)

SC: D

1шт.

614

1.181-00095

PLUG;CENTER

SC: D

1шт.

615

1.181-00091

PLUG;ADJUST

SC: D

1шт.

621

1.409-00190

PISTON

SC: D

1шт.

622

1.402-00037

CASE;PISTON

SC: D

1шт.

623

1.428-00209

ROD

SC: D

1шт.

624

1.427-00016

SEAT;SPRING(C)

SC: D

1шт.

625

K9004875

SPRING;OUTER

SC: D

1шт.

626

2.131-00388

SPRING;INNER

SC: D

1шт.

627

K9004874

STEM;ADJUST(C)

SC: D

1шт.

628

K9004794

SCREW;ADJUST(C)

SC: D

1шт.

629

1.430-00049

COVER(C)

SC: D

1шт.

630

1.121-00045

NUT;LOCK

SC: D

1шт.

631

K9004876

SLEEVE;PF

SC: D

1шт.

641

1.430-00066

COVER;PILOT

SC: D

1шт.

643

1.409-00205

PISTON;PILOT

SC: D

1шт.

644

1.427-00017

SEAT;SPRING(Q)

SC: D

1шт.

645

2.115-00441

STEM;ADJUST(Q)

SC: D

1шт.

646

2.131-00401

SPRING;PILOT

SC: D

1шт.

651

1.425-00005

SLEEVE

SC: D

1шт.

652

1.424-00021

SPOOL

SC: D

1шт.

653

1.131-00167

SEAT;SPRING

SC: D

1шт.

654

1.131-00161

SPRING;RETURN

SC: D

1шт.

655

1.131-00173

SPRING;SET

SC: D

1шт.

656

1.430-00029

COVER;BLOCK

SC: D

1шт.

708

S8010755

O-RING G75

SC: K

1шт.

722

S8000065

O-RING P6

SC: K

3шт.

724

S8000085

O-RING P8

SC: K

9шт.

725

S8000105

O-RING P10

SC: K

1шт.

728

S8000185

O-RING P18

SC: K

1шт.

730

S8000225

O-RING P22

SC: K

1шт.

732

S8000165

O-RING P16

SC: K

1шт.

733

S8000205

O-RING P20

SC: K

1шт.

734

S8010255

O-RING P25

SC: K

1шт.

735

S8002725

O-RING P12.5

SC: K

1шт.

753

K9004878

O-RING

SC: K

1шт.

755

S8000115

O-RING P11

SC: K

2шт.

756

S8000265

O-RING P26

SC: K

1шт.

763

S8010355

O-RING G35

SC: K

1шт.

801

S4012531

NUT M8

desc: ECROU

1шт.

802

K9004800

NUT

desc: ECROU

1шт.

814

S6500100

RING;SNAP SR-10

desc: BAGUE

1шт.

836

1.115-00111

RING;SNAP

SC: D

1шт.

858

S6510150

RING;SNAP RR-15

desc: BAGUE

2шт.

874

1.123-00030

PIN

SC: D

1шт.

875

1.123-00031

PIN

SC: D

2шт.

876

1.123-00039

PIN

SC: D

2шт.

887

1.123-00032

PIN

SC: D

1шт.

897

1.123-00040

PIN

SC: D

1шт.

898

K9004881

PIN

SC: D

1шт.

924

S3524008

SCREW;SET

desc: VIS

1шт.

Выбрано товаров: 60