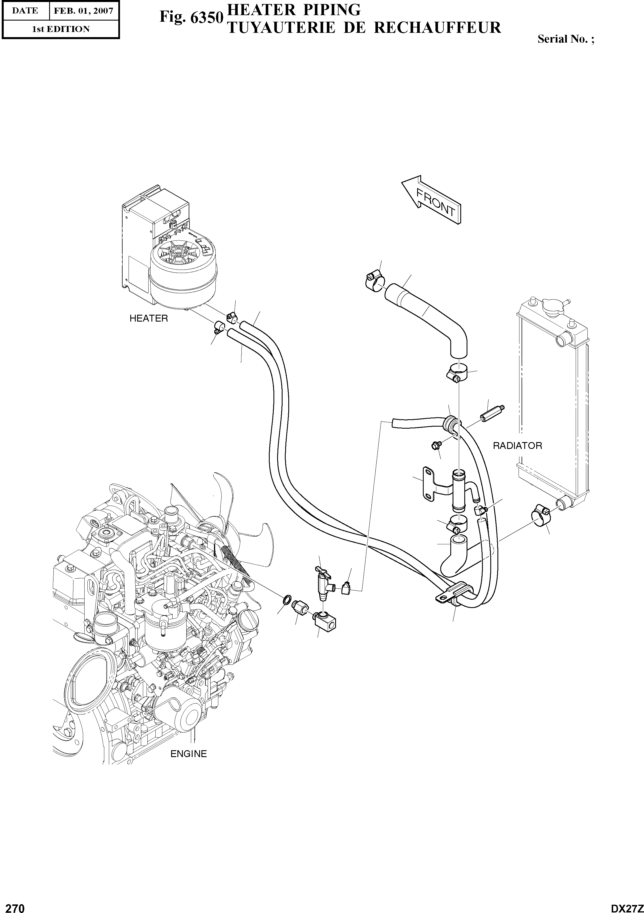
Запчасти Doosan Daewoo HEATER PIPING OPTIONAL PARTS

14
15
5
4
5
3
14
8
17
9
13
5
14
14
16
2
5
12
7
11
10
FIT
1:1
100%

Артикул

Название

Примечание

Количество

-

K1026797A

HEATER PIPING

SC: D

-2шт.

2

2186-9003

VALVE

desc: VANNE

1шт.

3

2185-1308D13

HOSE

desc: TUYAU FLEXIBLE

1шт.

4

2185-1308D13

HOSE

desc: TUYAU FLEXIBLE

1шт.

5

S8450016

CLAMP;HOSE

desc: COLLIER DE LA CONDUITE

4шт.

7

124-00209D1

CLIP

desc: AGRAFE

1шт.

8

2120-2187

BOLT;STUD

desc: BOULON DE GOUJON

1шт.

9

K1001029

BOLT

desc: BOULON

1шт.

10

K1029709A

ADAPTER PT3/8-PT3/8

desc: ADAPTEUR

1шт.

11

2181-1913D2

REDUCER

desc: REDUCEUR

1шт.

12

S8180251

PACKING

desc: EMBALLAGE

1шт.

13

K1029710

PIPE;WATER

desc: TUYAU

1шт.

14

S8450023

CLAMP;HOSE

desc: COLLIER DE LA CONDUITE

4шт.

15

K1030282

HOSE;WATER

desc: TUYAU FLEXIBLE

1шт.

16

K1030283

HOSE;WATER

desc: TUYAU FLEXIBLE

1шт.

17

124-00208D3

CLIP

desc: AGRAFE

1шт.

Выбрано товаров: 16