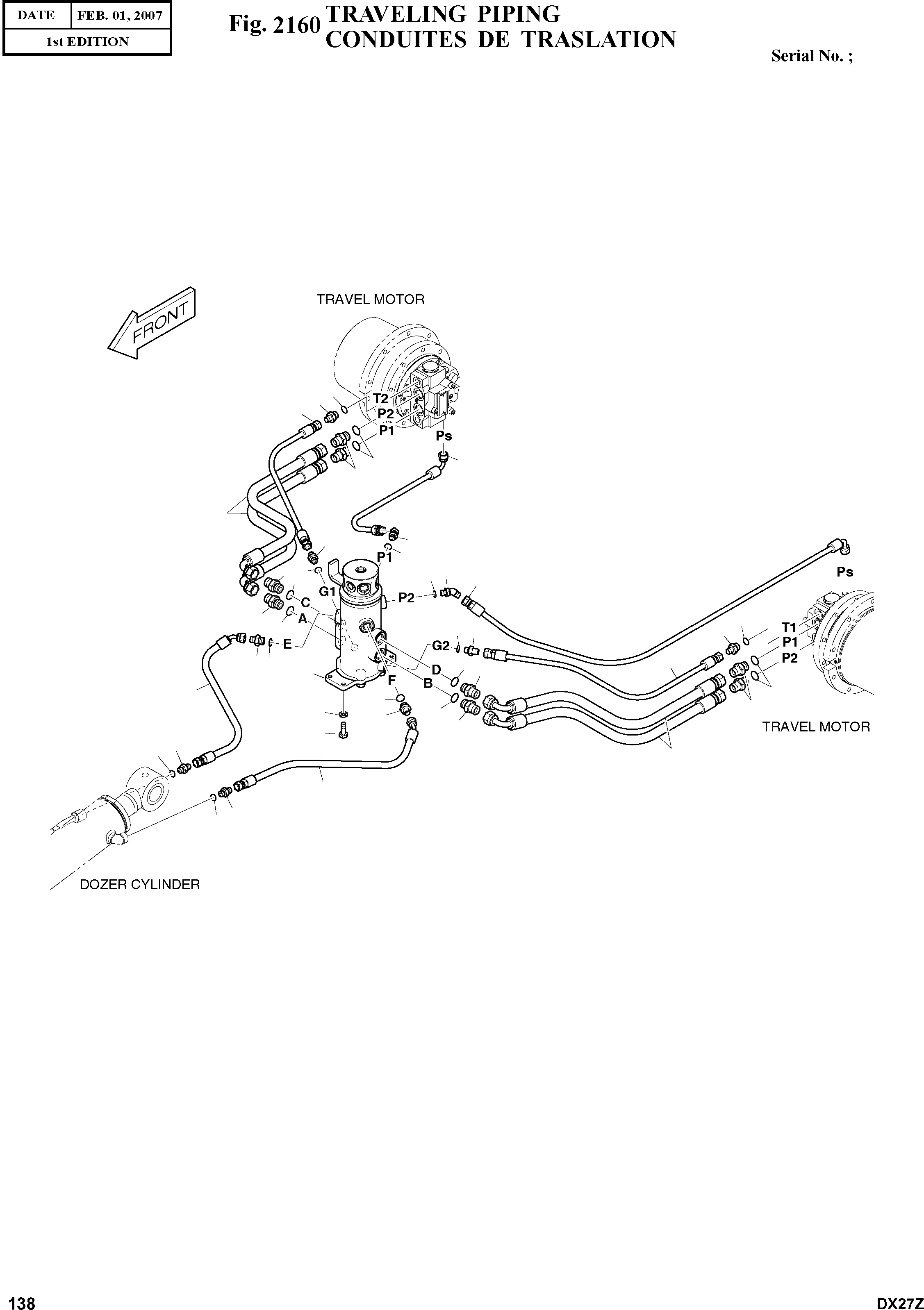
Запчасти Doosan Daewoo TRAVELING PIPING TRACK PARTS

4
10
15
14
8
9
12
10
5
4
9
4
5
4
8
13
4
9
8
4
10
10
15
7
8
6
9
1
11
8
6
9
2
8
7
9
3
10
4
12
11
10
4
FIT
1:1
100%

Артикул

Название

Примечание

Количество

-

K1018113B

TRAVEL PIPING

SC: D

-2шт.

1

K1008451

CENTER JOINT

desc: JOINT CENTRAL

1шт.

2

S5102603

WASHER;SPRING

desc: RONDELLE ELASTIQUE

4шт.

3

S0512166

BOLT

desc: BOULON

4шт.

4

S8000111

O-RING

desc: JOINT TORIQUE

8шт.

5

2181-2419D1

ELBOW

desc: COUDE

2шт.

6

S8000141

O-RING

desc: JOINT TORIQUE

2шт.

7

2181-1126D36

ADAPTER

desc: ADAPTEUR

2шт.

8

S8000181

O-RING

desc: JOINT TORIQUE

8шт.

9

2181-1126D23

ADAPTER

desc: ADAPTEUR

8шт.

10

2181-1126D14

ADAPTER

desc: ADAPTEUR

6шт.

11

DS2092100

HOSE

desc: TUYAU FLEXIBLE

2шт.

12

DS2093354

HOSE

desc: TUYAU FLEXIBLE

4шт.

13

DS2093355

HOSE

desc: TUYAU FLEXIBLE

1шт.

14

DS2093356

HOSE

desc: TUYAU FLEXIBLE

1шт.

15

DS2094168

HOSE

desc: TUYAU FLEXIBLE

2шт.

Выбрано товаров: 16