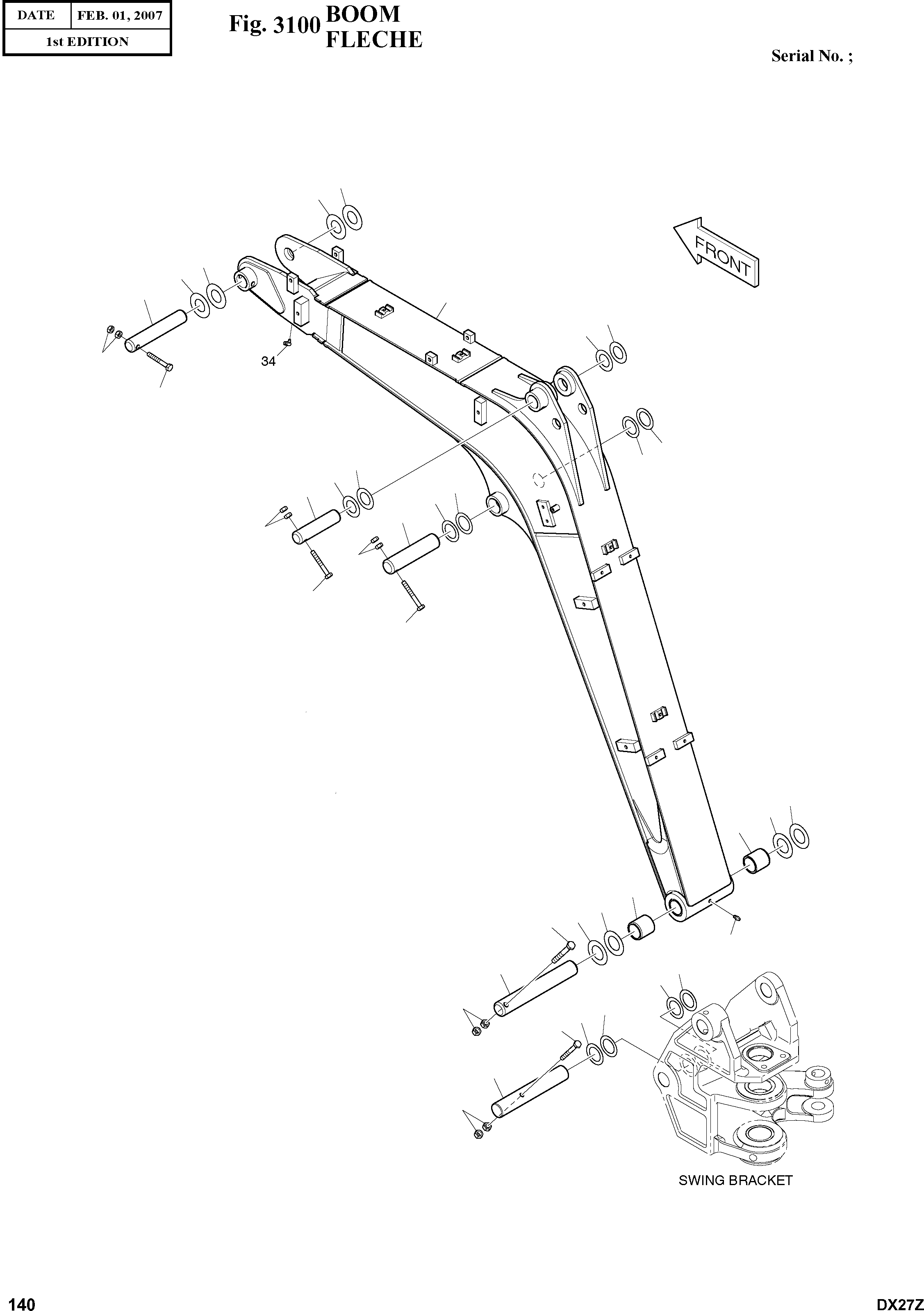
Запчасти Doosan Daewoo BOOM FRONT PARTS

26
25
25
26
10
1
30
29
21
17
28
29
27
30
27
11
28
9
21
21
17
20
23
24
24
23
16
33
28
7
27
36
27
28
35
8
21
1A
1A
FIT
1:1
100%

Артикул

Название

Примечание

Количество

-

K1015749C

FRONT ATTACHMENTS

SC: D

-2шт.

1

K1015750C

BOOM ASS'Y 2.0m

desc: ENSEMBLE FLECHE

1шт.

1A

K1018514

BUSH

desc: . DOUILLE

2шт.

7

K1015759B

PIN

desc: GOUPILLE

1шт.

8

K1015760A

PIN

desc: GOUPILLE

1шт.

9

K1015761B

PIN

desc: GOUPILLE

1шт.

10

K1015762A

PIN

desc: GOUPILLE

1шт.

11

K1015763A

PIN

desc: GOUPILLE

1шт.

16

S0561753

BOLT

desc: BOULON

1шт.

17

S0559053

BOLT

desc: BOULON

2шт.

20

S0559153

BOLT

desc: BOULON

1шт.

21

S4012633

NUT

desc: ECROU

8шт.

23

DS7701428

SHIM

desc: CALE

2шт.

24

DS7701429

SHIM

desc: CALE

2шт.

25

2114-1059D228

SHIM

desc: CALE

2шт.

26

DS7701430

SHIM

desc: CALE

2шт.

27

2114-1059D186

SHIM

desc: CALE

4шт.

28

DS7701431

SHIM

desc: CALE

4шт.

29

2114-1059D212

SHIM

desc: CALE

2шт.

30

DS7701432

SHIM

desc: CALE

2шт.

33

S6710041

NIPPLE;GREASE

desc: MAMELON

1шт.

35

S0559363

BOLT

desc: BOULON

1шт.

36

S4012733

NUT

desc: ECROU

2шт.

Выбрано товаров: 23