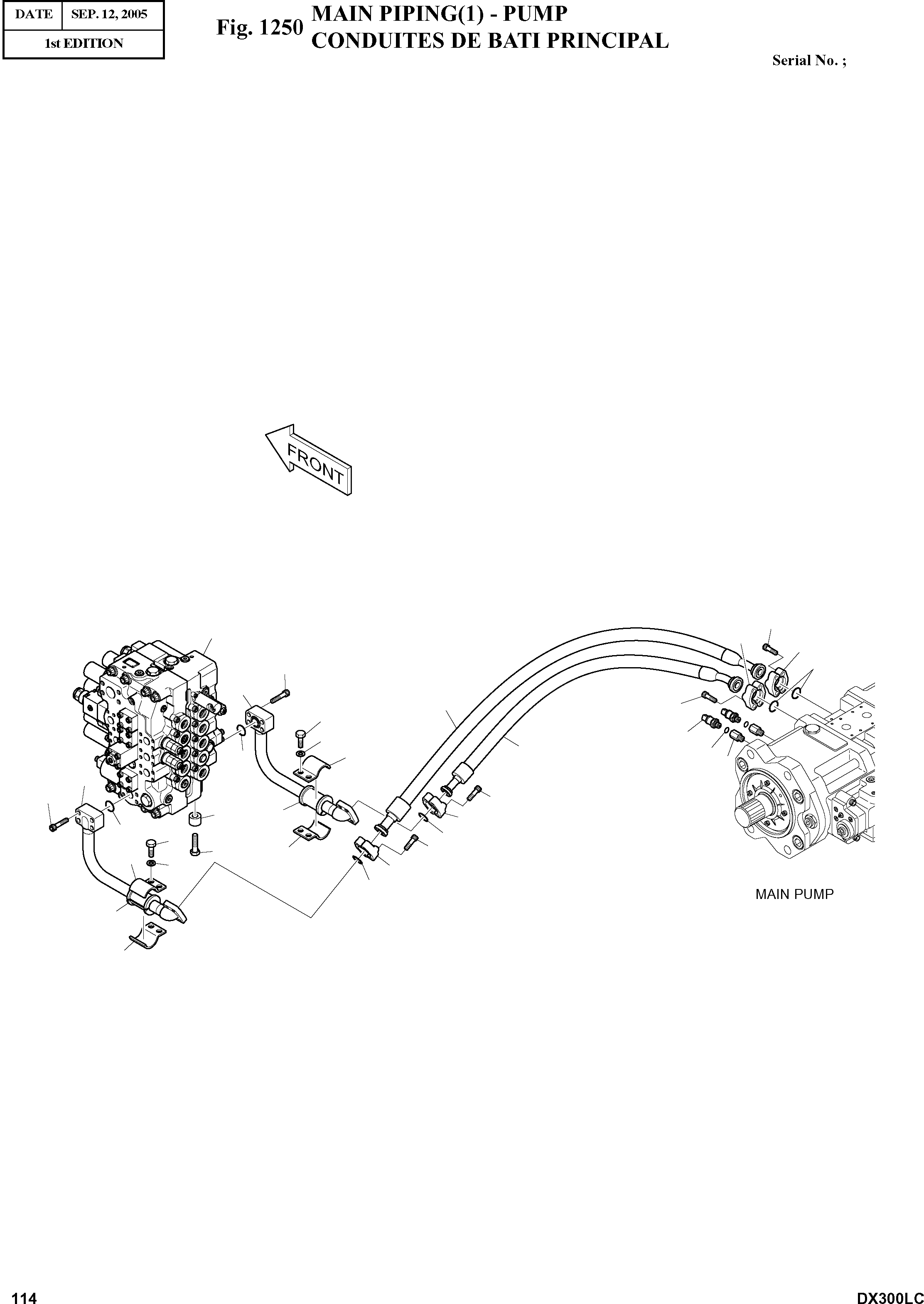
Запчасти Doosan Daewoo MAIN PIPING(1) - PUMP BODY PARTS

14
1
21
21
23
47
30
37
14
39
40
38
36
25
15
23
41
31
47
14
35
4
21
23
23
39
5
15
14
15
38
21
23
35
15
FIT
1:1
100%

Артикул

Название

Примечание

Количество

-

400-01327A

MAIN PIPING

SC: D

-2шт.

1

420-00519

VALVE;CONTROL

desc: VANNE

1шт.

4

114-00425

SPACER

desc: BAGUE D'ECARTEMENT

4шт.

5

S0565466

BOLT M16X2.0X60

desc: BOULON A 6 PANS

4шт.

14

S2215466

BOLT;SOCKET

desc: BOULON A 6 PANS CREUX

16шт.

15

124-00218

CLAMP

desc: COLLIER

4шт.

21

2181-9081

FLANGE;SPLIT

desc: BRIDE

8шт.

23

2180-1026D19

O-RING

desc: JOINT TORIQUE

6шт.

25

S8000141

O-RING

desc: JOINT TORIQUE

2шт.

30

140-01484B

PIPE

desc: CONDUITE

1шт.

31

140-01485B

PIPE

desc: CONDUITE

1шт.

35

161-00281

RUBBER

desc: CAOUTCHOUC

2шт.

36

184-00118

HOSE

desc: TUYAU FLEXIBLE

1шт.

37

184-00119

HOSE

desc: TUYAU FLEXIBLE

1шт.

38

S5102803

WASHER;SPRING M14

desc: RONDELLE ELASTIQUE

4шт.

39

S0562766

BOLT M14X2.0X40

desc: BOULON A 6 PANS

4шт.

40

2547-9045

SENSOR;PRESSURE

desc: CAPTEUR

2шт.

41

DS2242015

REDUCER

desc: REDUCTEUR

2шт.

47

S2215766

BOLT;SOCKET

desc: BOULON A 6 PANS CREUX

8шт.

Выбрано товаров: 19