Запчасти Doosan Daewoo INJECTION PIPE ENGINE PARTS

5
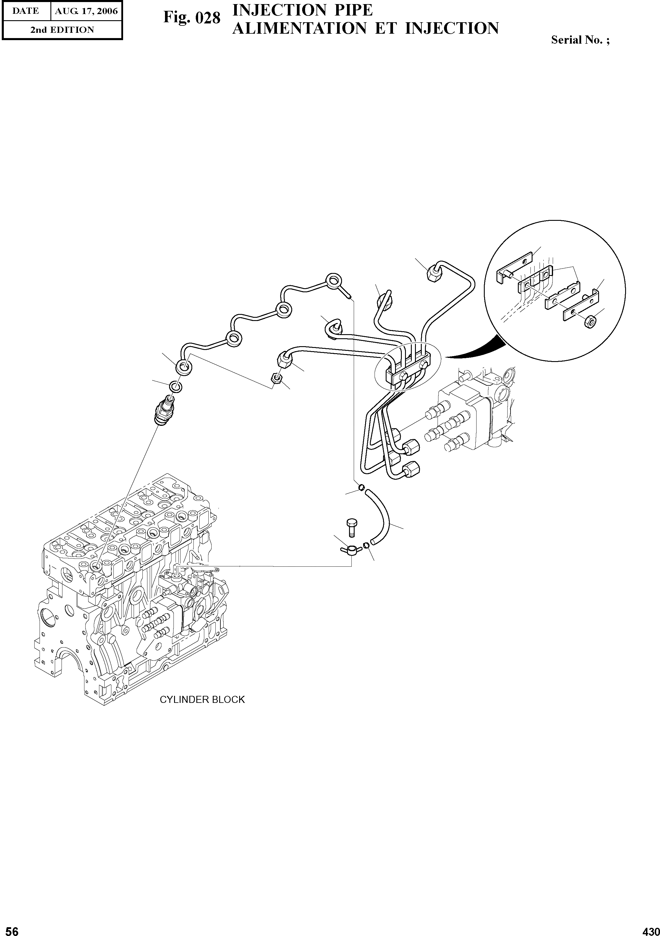
1
13
14
2
6
3
7
4
8
9
11
12
10
11
FIT
1:1
100%

Артикул

Название

Примечание

Количество

-

K1019212

FUEL PLUMBING

SC: D

-2шт.

1

K1019213

PIPE;INJECTOR

desc: CONDUITE

1шт.

2

K1019214

PIPE;INJECTOR

desc: CONDUITE

1шт.

3

K1019215

PIPE;INJECTOR

desc: CONDUITE

1шт.

4

K1019216

PIPE;INJECTOR

desc: CONDUITE

1шт.

5

K1019217

CLAMP;TUBE

desc: COLLIER

1шт.

6

K1019187

NUT

desc: ECROU

2шт.

7

K1019218

PIPE;FUEL

desc: CANALISATION DE GAZOLE

1шт.

8

K1019219

RING;SEAL

desc: BAGUE D'ETANCHEITE

4шт.

9

K1019220

NUT

desc: ECROU

4шт.

10

K1019221

HOSE;FUEL DRAIN

desc: TUYAU FLEXIBLE

1шт.

11

K1019222

CLAMP

desc: COLLIER

2шт.

12

K1019223

CONNECTOR

desc: BIELLE

1шт.

13

K1019224

BRACKET

desc: SUPPORT

2шт.

14

K1019225

CLAMP

desc: COLLIER

1шт.

Выбрано товаров: 0