Качественные детали и логистика
Оригинальные и аналоговые запчасти с доставкой по России, Казахстану и Беларуси
©2022 PartSell ООО "Система" ИНН 2463123282 ОГРН 1212400004838
Центральный офис: г. Красноярск, Академика Киренского, д.87, пом.4
Телефон: 8 (800) 777-65-74 Email: zakaz@partsell.ru
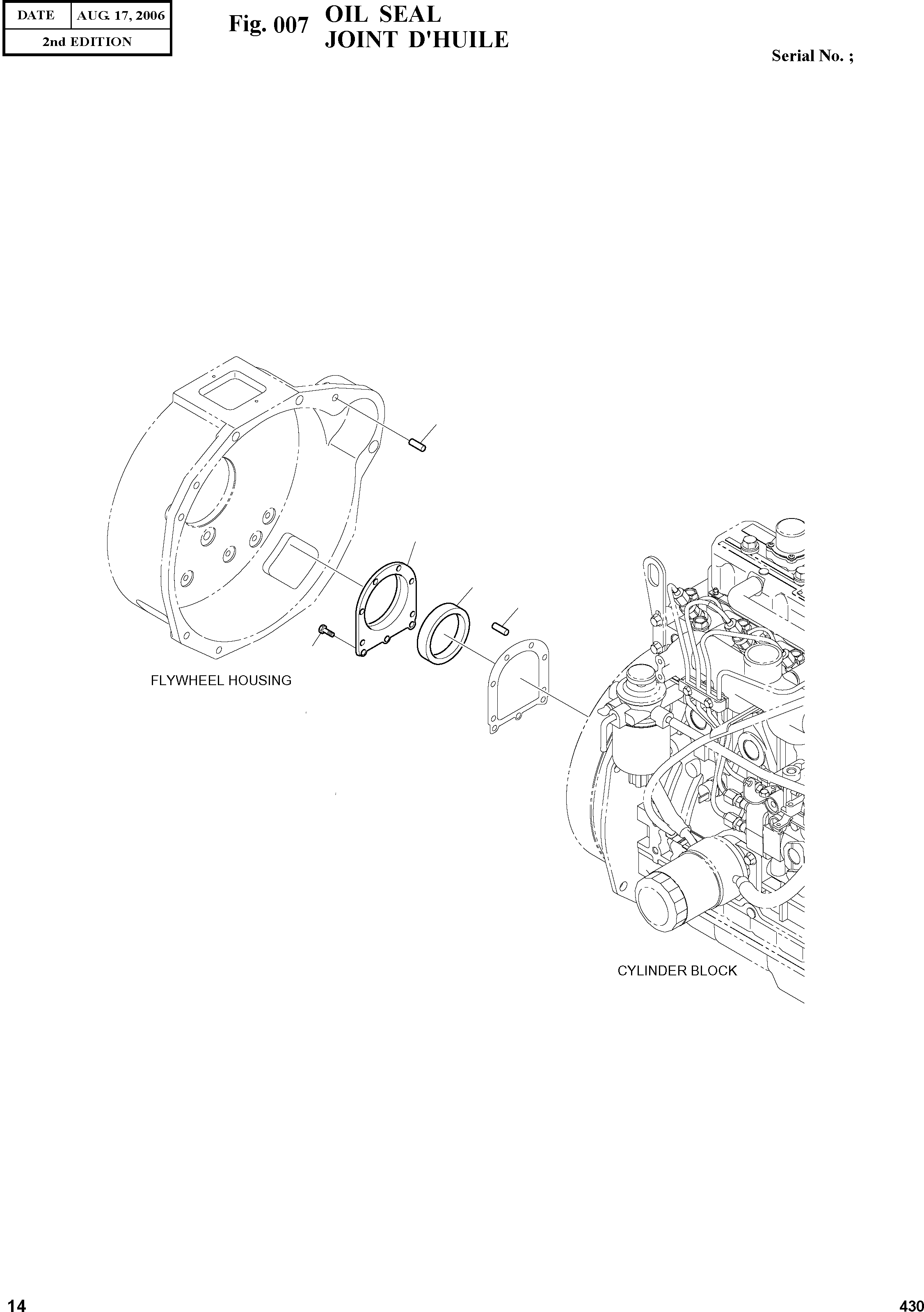
OIL SEAL
№
Артикул
Название
Примечание
Количество
-
K1022388
FLYWHEEL HOUSING
SC: D
-2шт.
3
K1019195
PIN;GUIDE
desc: GOUJON
4шт.
4A
K1019197
CARRIER;SEAL
desc: PORTEUR
1шт.
4B
K1019198
SEAL;OIL
desc: JOINT D'HUILE
5
K1019178
SCREW
desc: VIS
9шт.
Выбрано товаров: 0