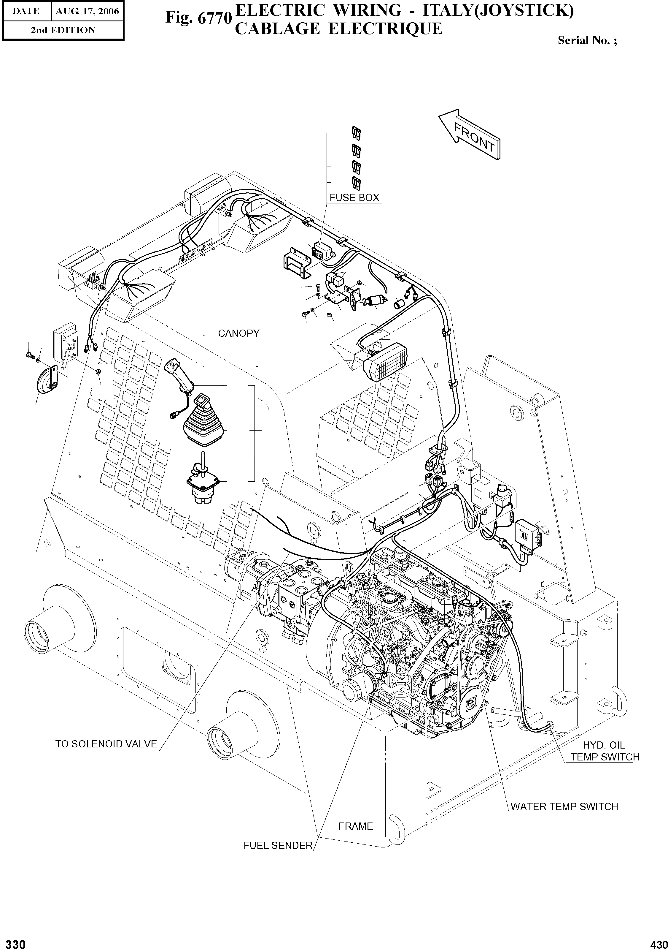
Запчасти Doosan Daewoo ELECTRIC WIRING - ITALY(JOYSTICK) OPTIONAL PARTS

2D
2C
2B
2A
16B
16C
16A
1
10
3
14
4
9
15
6
11
12
13
5
7
7
13
2
14
8
16
8
FIT
1:1
100%

Артикул

Название

Примечание

Количество

-

K1022200

ELECTRIC WIRING

SC: D

-2шт.

1

K1022237

HARNESS;ENGINE

desc: FAISCEAU

1шт.

2

K1022120

HARNESS;CANOPY

desc: FAISCEAU

1шт.

2A

K1019105

FUSE 5A

desc: . FUSIBLE

1шт.

2B

K1019052

FUSE 10A

desc: . FUSIBLE

1шт.

2C

K1022925

FUSE 15A

desc: . FUSIBLE

4шт.

2D

K1022931

FUSE 30A

desc: . FUSIBLE

1шт.

3

K1019698

RELAY;SEALED

desc: RELAIS

2шт.

4

S3450853

SCREW

desc: VIS

4шт.

5

S4006203

NUT

desc: ECROU

2шт.

6

K1020922

BRACKET

desc: SUPPORT

1шт.

7

S0504763

BOLT

desc: BOULON A 6 PANS

3шт.

8

K1022970

HORN 12V

desc: AVERTISSEUR

1шт.

9

K1020835

SOCKET

desc: DOUILLE

1шт.

10

K1021879

PLATE;NAME(FUSE DIAGRAM)

desc: PLAQUE D'IDENTIFICATION

1шт.

11

K1022898

LIGHTER:CIGAR

desc: ALLUME-CIGARE

1шт.

12

K1021856

BRACKET

desc: SUPPORT

1шт.

13

K1023156

WASHER

desc: RONDELLE

3шт.

14

S4012343

NUT;HEX

desc: ECROU 6 PANS

3шт.

15

S5000213

WASHER

desc: RONDELLE

2шт.

16

K1022808

JOYSTICK;BOOM

desc: MANCHE

1шт.

16A

K1024071

JOYSTICK

desc: . MANCHE

1шт.

16B

K1024070

HANDLE(R.H)

desc: . POIGNEE

1шт.

16C

K1024072

BOOT

desc: . GAINE DE PROTECTION

1шт.

Выбрано товаров: 0