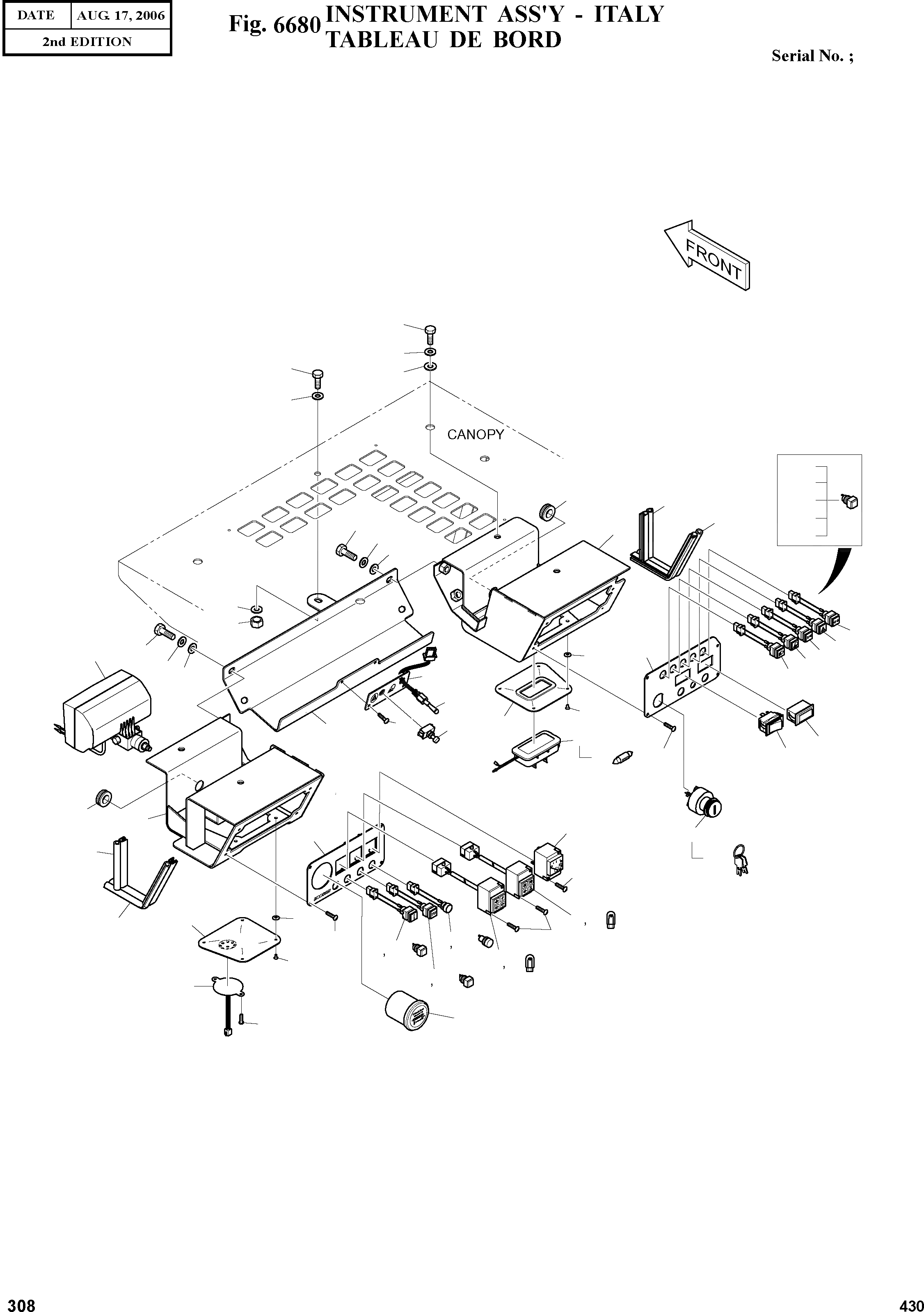
Запчасти Doosan Daewoo INSTRUMENT ASSY - ITALY OPTIONAL PARTS

13A
22
23
22
19
40
20
26
26
22
3
19
40
23
32
31
15
22
25
21
30
29
19
35
40
28
34
39
38
24
33
2
5
18
24
17
20
1
10
6
16
26
14
37
9
21
26
14
24
11
13
39
8
12
4
7
36
11A
12A
8A
9A
16A
5A
41
28A
29A
30A
31A
32A
FIT
1:1
100%

Артикул

Название

Примечание

Количество

-

K1021863

INSTRUMENT ASS'Y

SC: D

-2шт.

1

K1021181

COVER(L.H)

desc: COUVERCLE

1шт.

2

K1021212

COVER

desc: COUVERCLE

1шт.

3

K1021182

COVER(R.H)

desc: COUVERCLE

1шт.

4

K1022920

BUZZER;PILOT

desc: COMMANDE VIBREUR

1шт.

5

K1023001

LAMP;ROOM

desc: LAMPE DE PIECE

1шт.

5A

2515-1021D6

BULB 12V 10W

desc: . AMPOULE

1шт.

6

K1020568

PANEL

desc: PANNEAU

1шт.

7

K1019658

METER;HOUR

desc: TOTALISATEUR HORAIRE

1шт.

8

K1019110

LAMP;WARNING

desc: LAMPE

1шт.

8A

K1019111

LAMP

desc: . LAMPE

4шт.

9

K1022998

LAMP;WARNING

desc: LAMPE

1шт.

9A

K1019111

LAMP

desc: . LAMPE

4шт.

10

K1023040

GAUGE;FUEL

desc: MESURE DE CARBURANT

1шт.

11

K1020783

LAMP;PILOT(PARKING)

desc: LAMPE

1шт.

11A

K1022897

LAMP;PILOT(PARKING)

desc: . LAMPE

1шт.

12

K1022999

LAMP;PILOT(STOP)

desc: LAMPE

1шт.

12A

K1022899

LAMP;PILOT(STOP)

desc: . LAMPE

1шт.

13

K1023000

LAMP;PILOT

desc: COUTEAU BORD

1шт.

13A

K1022900

LAMP;PILOT

desc: . LAMPE

1шт.

14

S3450403

SCREW

desc: VIS

6шт.

15

K1021168

PANEL

desc: PANNEAU

1шт.

16

K1019659

SWITCH;STARTER

desc: CONTACT DE DEMARREUR

1шт.

16A

K1019104

KEY;STARTER

desc: . CLE

1шт.

17

K1019048

SWITCH

desc: INTERRUPTEUR

1шт.

18

K1019047

PLUG

desc: BOUCHON

1шт.

19

S5102503

WASHER;SPRING

desc: RONDELLE ELASTIQUE

8шт.

20

S994010H

GROMMET

desc: MANCHON CAOUTCHOUC

2шт.

21

K1023034

WASHER

desc: RONDELLE

8шт.

22

S0508863

BOLT

desc: BOULON A 6 PANS

9шт.

23

K1023149

WASHER;HARDENED

desc: RONDELLE

4шт.

24

S3450633

SCREW

desc: VIS

10шт.

25

K1020956

LAMP;HEAD

desc: PROJECTEUR AVANT

2шт.

26

K1019087

STRIP;BULK

desc: BANDE

66шт.

28

K1020778

LAMP;PILOT(LOW BEAM)

desc: LAMPE

1шт.

28A

K1022901

LAMP;PILOT

desc: . LAMPE

1шт.

29

K1020779

LAMP;PILOT(HIGH BEAM)

desc: LAMPE

1шт.

29A

K1022902

LAMP;PILOT

desc: . LAMPE

1шт.

30

K1020780

LAMP;PILOT(POSITION)

desc: LAMPE

1шт.

30A

K1022901

LAMP;PILOT

desc: . LAMPE

1шт.

31

K1020781

LAMP;PILOT(EMERGENCY)

desc: LAMPE

1шт.

31A

K1022899

LAMP;PILOT(STOP)

desc: . LAMPE

1шт.

32

K1020782

LAMP;PILOT(DIRECTION)

desc: LAMPE

1шт.

32A

K1022901

LAMP;PILOT

desc: . LAMPE

1шт.

33

K1019053

SWITCH;HAZARD

desc: INTERRUPTEUR

1шт.

34

K1019067

SWITCH;TOGGLE

desc: INTERRUPTEUR

1шт.

35

K1020777

PLATE

desc: PLAQUE

1шт.

36

K1019757

RIVET

desc: RIVET

2шт.

37

K1020647

COVER(L.H)

desc: COUVERCLE

1шт.

38

K1020648

COVER(R.H)

desc: COUVERCLE

1шт.

39

S3452853

SCREW

desc: VIS

8шт.

40

K1023146

WASHER;HARDENED

desc: RONDELLE

5шт.

41

S4016543

NUT

desc: ECROU

1шт.

Выбрано товаров: 53