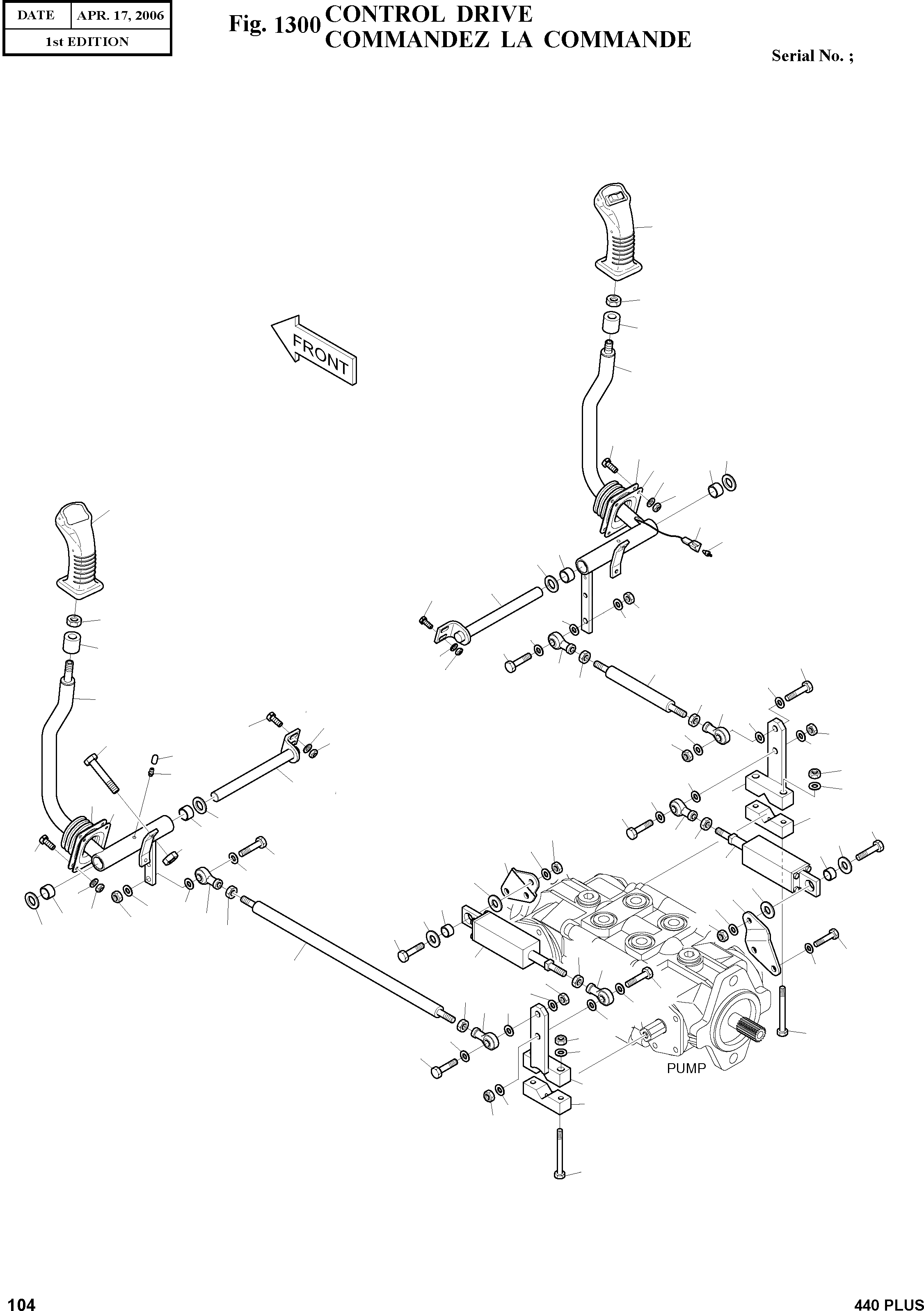
Запчасти Doosan Daewoo CONTROL DRIVE BODY PARTS

1
5
6
3
20
18
9
10
19
16
17
2
14
15
10
9
11
21
31
30
5
31
38
39
6
39
16
35
24
17
38
26
32
4
25
31
16
21
31
30
30
22
17
31
8
30
7
31
11
31
38
13
18
19
39
36
28
9
17
10
27
25
16
23
26
29
12
20
39
33
27
38
27
12
16
29
16
31
31
27
17
17
10
24
30
28
9
26
32
21
25
33
34
16
30
31
32
39
25
31
38
31
37
38
30
31
39
13
36
31
30
37
FIT
1:1
100%

Артикул

Название

Примечание

Количество

-

K1021257

CONTROL DRIVE

SC: D

-2шт.

1

K1021939

HANDLE (R.H)

desc: POIGNEE

1шт.

2

K1019993

HANDLE (L.H)

desc: POIGNEE

1шт.

3

K1021239

LEVER (R.H)

desc: LEVIER

1шт.

4

K1021238

LEVER (L.H)

desc: LEVIER

1шт.

5

S4030833

NUT

desc: ECROU

2шт.

6

K1020245

RING;RUBBER

desc: BAGUE

2шт.

7

K1019735

NIPPLE;GREASE

desc: GRAISSEUR

2шт.

8

K1019808

CAP;GREASE NIPPLE

desc: CHAPEAU

2шт.

9

K1019765

SPACER

desc: DOUILLE D'ECARTEMENT

4шт.

10

K1019766

BUSHING

desc: DOUILLE

4шт.

11

K1020054

SHAFT

desc: ARBRE

2шт.

12

K1021673

BRACKET

desc: SUPPORT

2шт.

13

K1021236

BRACKET

desc: SUPPORT

2шт.

14

K1022934

HOUSING;TERMINAL

desc: BOITIER

1шт.

15

K1020088

PIN

desc: GOUJON

1шт.

16

K1023146

WASHER;HARDENED

desc: RONDELLE

10шт.

17

K1023115

NUT;LOCK

desc: ECROU

6шт.

18

K1019785

BOOT

desc: GAINE DE PROTECTION

2шт.

19

K1019786

PLATE

desc: PLAQUE

2шт.

20

S0504463

BOLT

desc: BOULON A 6 PANS

12шт.

21

S0508863

BOLT

desc: BOULON A 6 PANS

8шт.

22

S0509863

BOLT

desc: BOULON A 6 PANS

4шт.

23

S4016533

NUT

desc: ECROU

4шт.

24

K1020064

LINK

desc: PIECE DE JONCTION

2шт.

25

K1020063

LINK

desc: PIECE DE JONCTION

4шт.

26

K1023123

NUT

desc: ECROU

2шт.

27

K1023149

WASHER;HARDENED

desc: RONDELLE

4шт.

28

S0509263

BOLT

desc: BOULON A 6 PANS

2шт.

29

K1022251

BEARING;SPHERICAL

desc: PALIER

2шт.

30

K1023114

NUT;LOCK

desc: ECROU

10шт.

31

K1023136

WASHER;HARDENED

desc: RONDELLE

20шт.

32

S4036633

NUT

desc: ECROU

4шт.

33

K1020107

ADJUSTER;CENTERING

desc: REGLEUR

2шт.

34

K1021258

ROD

desc: TIGE

1шт.

35

K1020985

ROD

desc: TIGE

1шт.

36

K1021237

BLOCK

desc: BLOC

2шт.

37

S0513063

BOLT

desc: BOULON A 6 PANS

4шт.

38

K1021244

SPACER

desc: DOUILLE D'ECARTEMENT

6шт.

39

S0512663

BOLT

desc: BOULON A 6 PANS

6шт.

Выбрано товаров: 40