Запчасти Doosan Daewoo CONTROL SYSTEM BODY PARTS

13
14
12
10
11
10
10
11
11
9
3
8
6
1
9
2
5
8
6
4
5
4
6
6
15
7
8
13
7
FIT
1:1
100%

Артикул

Название

Примечание

Количество

-

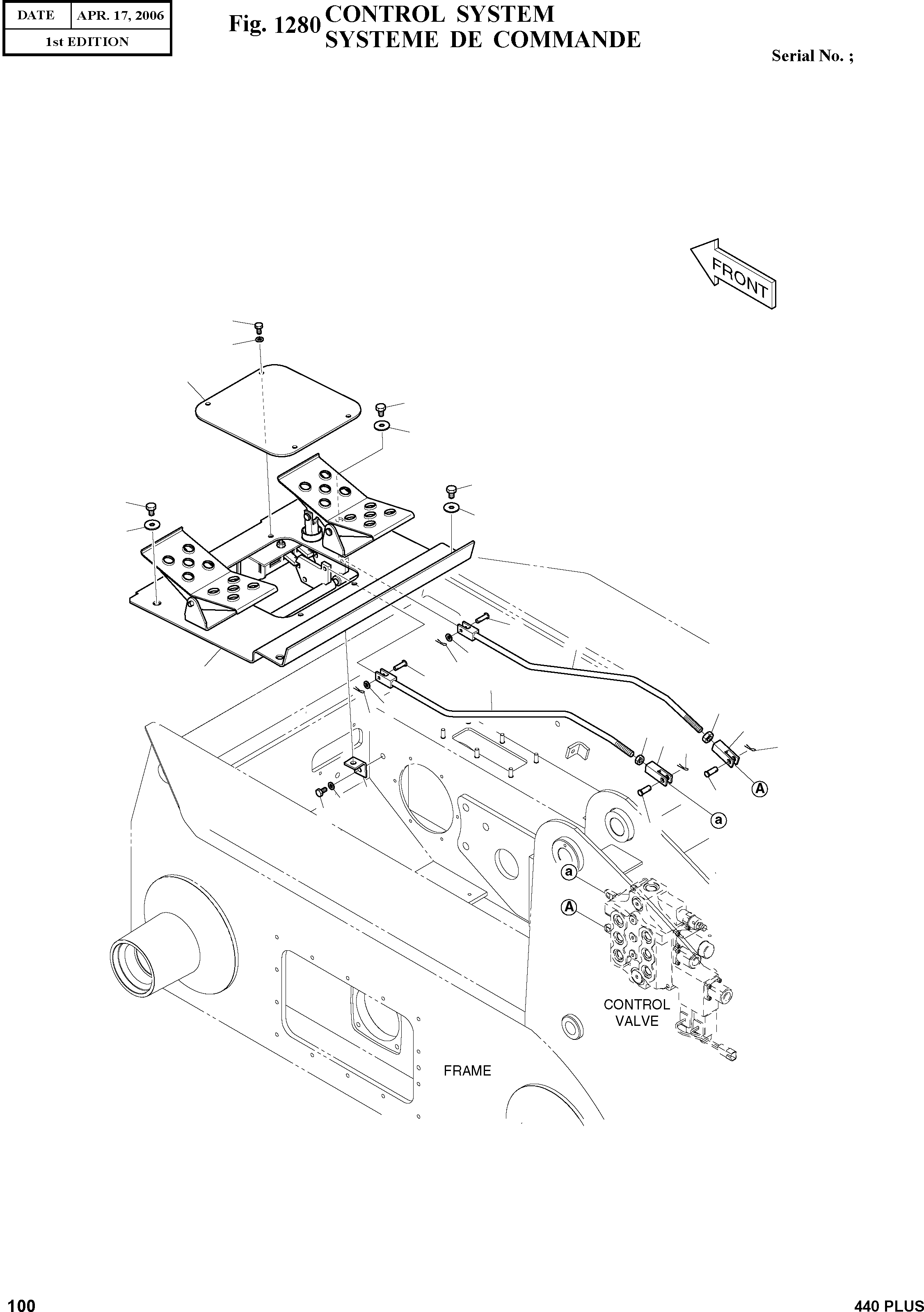
K1020417

CONTROL SYSTEM

SC: D

-2шт.

1

K1021719

PEDAL ASS'Y

desc: PEDALE

1шт.

2

K1020547

ROD

desc: TIGE

1шт.

3

K1020548

ROD

desc: TIGE

1шт.

4

K1019832

YOKE

desc: ETRIER

2шт.

5

S4016733

NUT

desc: ECROU

2шт.

6

S180333H

PIN

desc: GOUJON

4шт.

7

S5760301

PIN

desc: GOUJON

2шт.

8

K1023146

WASHER;HARDENED

desc: RONDELLE

3шт.

9

S5760232

PIN;CLEVIS

desc: BROCHE

2шт.

10

S0511663

BOLT

desc: BOULON A 6 PANS

4шт.

11

K1023129

WASHER

desc: RONDELLE

4шт.

12

K1021062

COVER

desc: COUVERCLE

1шт.

13

S0508663

BOLT

desc: BOULON A 6 PANS

5шт.

14

K1023144

WASHER

desc: RONDELLE

4шт.

15

K1020200

BRACKET

desc: SUPPORT

1шт.

Выбрано товаров: 16