Качественные детали и логистика
Оригинальные и аналоговые запчасти с доставкой по России, Казахстану и Беларуси
©2022 PartSell ООО "Система" ИНН 2463123282 ОГРН 1212400004838
Центральный офис: г. Красноярск, Академика Киренского, д.87, пом.4
Телефон: 8 (800) 777-65-74 Email: zakaz@partsell.ru
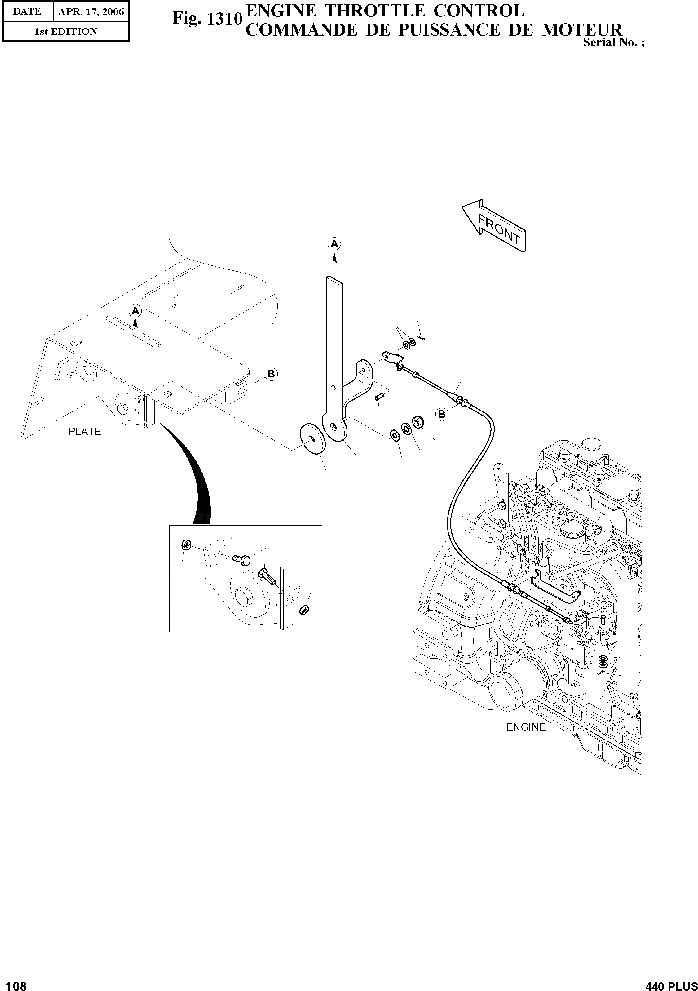
ENGINE THROTTLE CONTROL
№
Артикул
Название
Примечание
Количество
-
K1021259
THROTTLE CONTROL
SC: D
-2шт.
1
K1021587
LEVER
desc: LEVIER
1шт.
2
K1022285
SPACER
desc: DOUILLE D'ECARTEMENT
3
K1021260
CABLE;ENGINE-THROTTLE
desc: CABLE
4
K1021261
BRACKET
desc: SUPPORT
5
K1023140
WASHER
desc: RONDELLE
6
S5760111
PIN;COTTER
desc: GOUPILLE FENDUE
2шт.
7
S180333H
PIN
desc: GOUJON
8
K1023118
NUT;LOCK
desc: ECROU
9
K1023146
WASHER;HARDENED
4шт.
10
S0512263
BOLT
desc: BOULON A 6 PANS
11
S4016633
NUT
12
K1023131
WASHER;SPRING
desc: RONDELLE ELASTIQUE
Выбрано товаров: 0