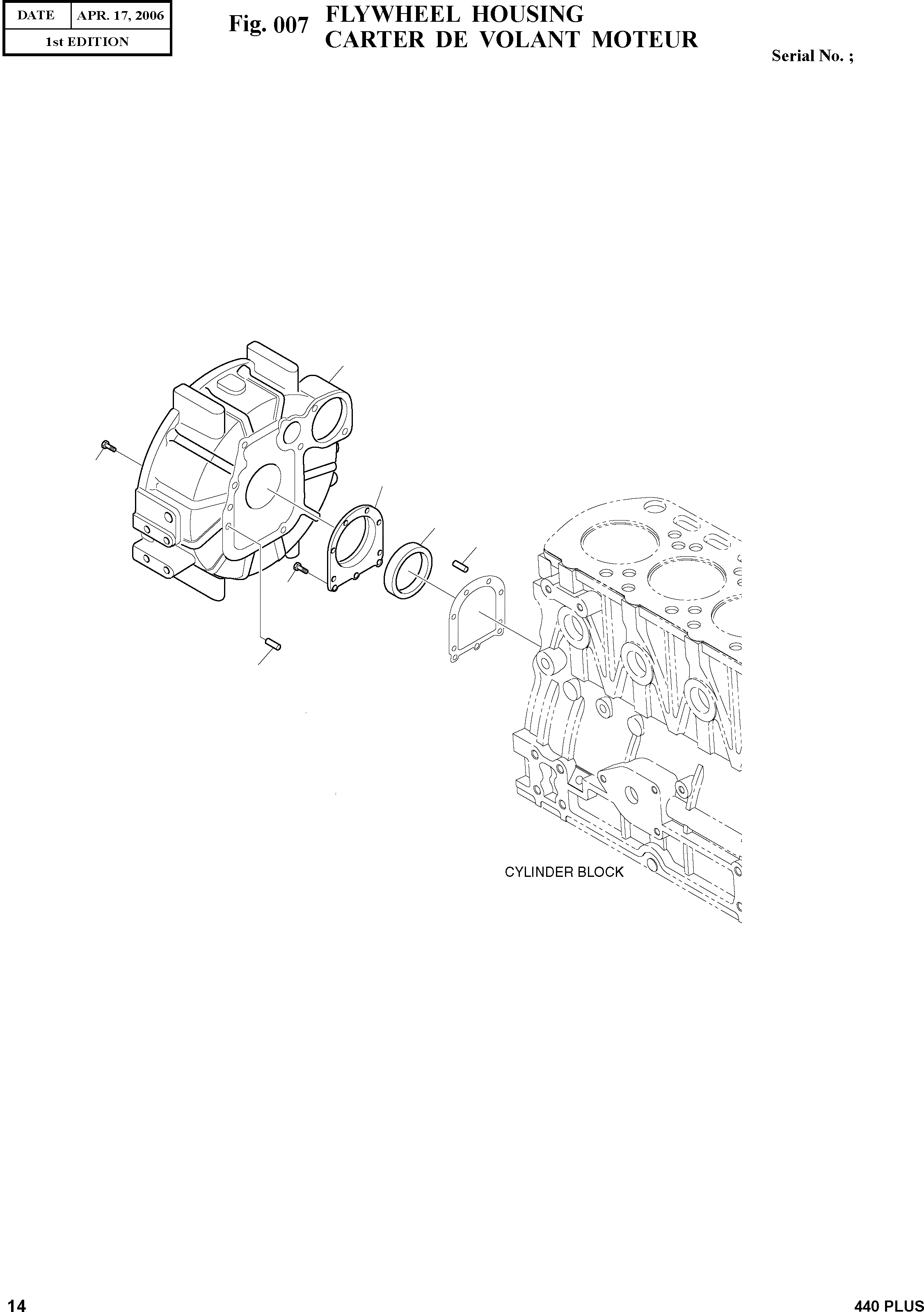
Запчасти Doosan Daewoo FLYWHEEL HOUSING ENGINE PARTS

3
5
3
1
4A
4B
2
FIT
1:1
100%

Артикул

Название

Примечание

Количество

-

K1019192

FLYWHEEL HOUSING

SC: D

-2шт.

1

K1019193

HOUSING;FLYWHEEL

desc: BOITIER

1шт.

2

K1019194

SCREW

desc: VIS

10шт.

3

K1019195

PIN;GUIDE

desc: GOUJON

4шт.

4A

K1019197

CARRIER;SEAL

desc: . PORTEUR

1шт.

4B

K1019198

SEAL;OIL

desc: . JOINT D'HUILE

1шт.

5

K1019178

SCREW

desc: VIS

9шт.

Выбрано товаров: 7