Качественные детали и логистика
Оригинальные и аналоговые запчасти с доставкой по России, Казахстану и Беларуси
©2022 PartSell ООО "Система" ИНН 2463123282 ОГРН 1212400004838
Центральный офис: г. Красноярск, Академика Киренского, д.87, пом.4
Телефон: 8 (800) 777-65-74 Email: zakaz@partsell.ru
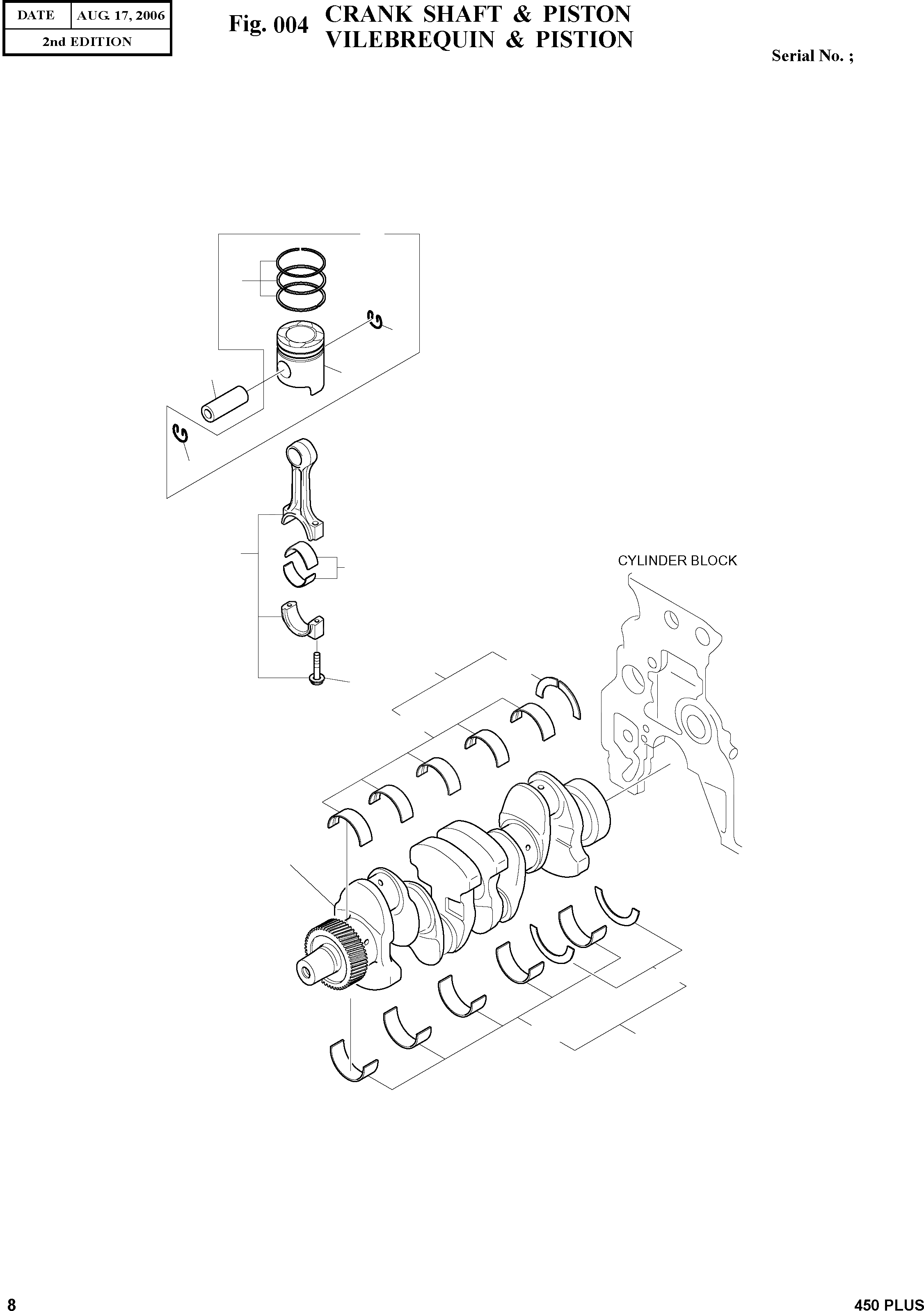
CRANK SHAFT & PISTON
№
Артикул
Название
Примечание
Количество
1
K1019461
CRANKSHAFT
desc: VILEBREGUIN
1шт.
2
K1019464
SET;MAIN BEARING
desc: ENSEMBLE PRINCIPAL DE ROULEMENT
2A
K1019465
METAL;MAIN
desc: . METAL
10шт.
2B
K1019466
WASHER;THRUST
desc: . RONDELLE
3шт.
3
K1019467
PISTON KIT
desc: PISTON
4шт.
3A
K1019468
PISTON
desc: . PISTON
3B
K1019469
RING;RETAINING
desc: . RONDELLE DE RETENUE
2шт.
3C
K1019470
SET;PISTON RING
desc: . ANNEAU DE PISTON
4
K1019471
PIN;PISTON
desc: AXE DE PISTON
5
K1019472
ROD;CONNECTING
desc: TIGE
6
K1019473
METAL;CONN ROD
desc: METAL
7
K1026175
BOLT;CON-ROD
desc: BOULON A 6 PANS
8шт.
Выбрано товаров: 0