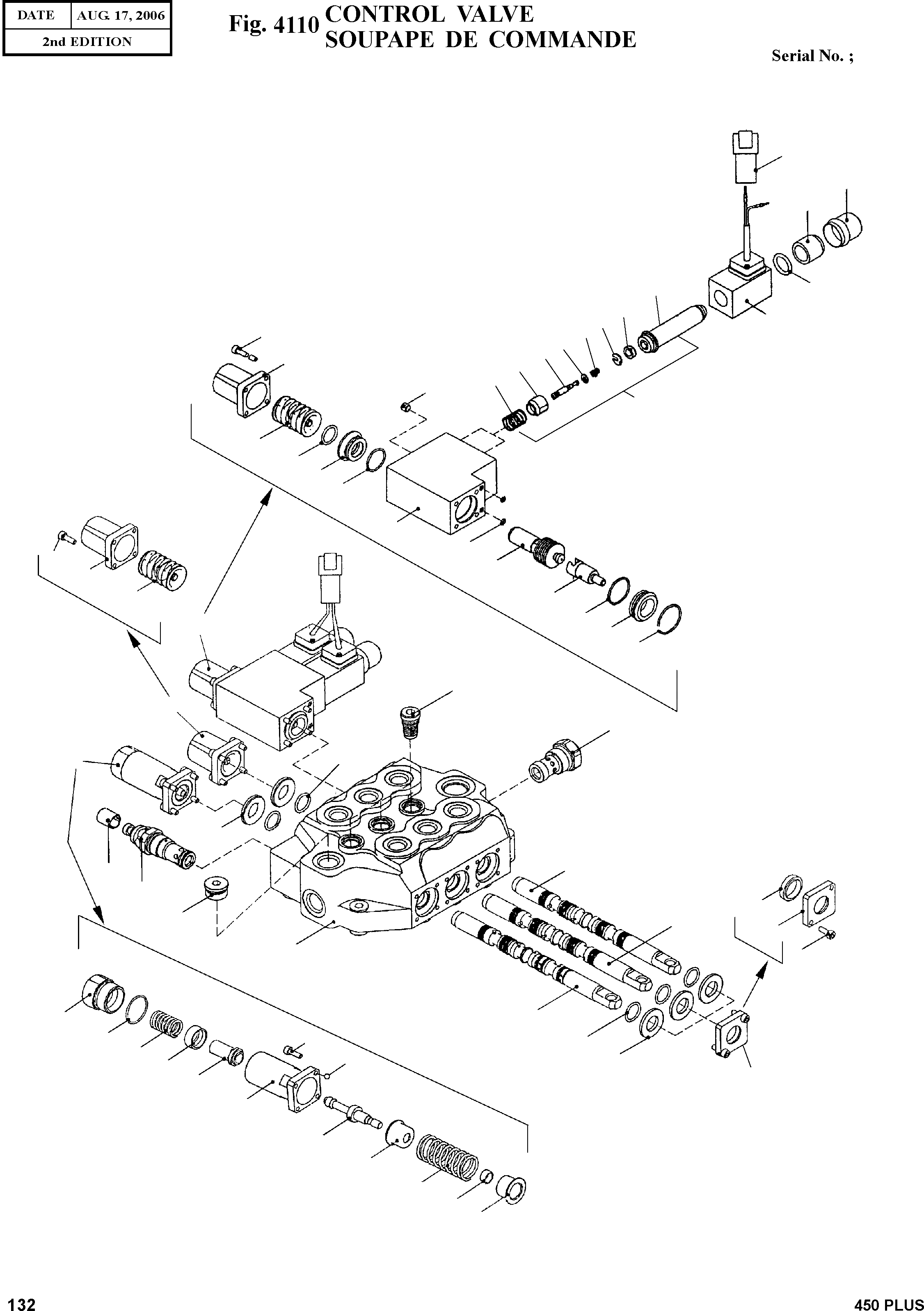
Запчасти Doosan Daewoo CONTROL VALVE HYDRAULIC COMPONENTS

54
31
42
35
4
2
1
43
23
47
32
6
12
9
26
44
50
52
34
21
36
13
33
46
28
12
22
53
37
58
20
39
51
57
48
34
56
5
17
15
49
40
30
59
19
14
45
18
16
38
46
34
24
5
41
11
55
10
29
27
7
25
3
8
FIT
1:1
100%

Артикул

Название

Примечание

Количество

-

K1020062

CONTROL VALVE

desc: VANNE DE COMMANDE

1шт.

1

-

RING

SC: D

2шт.

2

-

RING

SC: D

2шт.

3

-

SPACER

SC: D

1шт.

4

-

PIN

SC: D

2шт.

5

K1022760

RING

desc: BAGUE

5шт.

6

-

LEVER BAR

SC: D

2шт.

7

-

BUSHING

SC: D

1шт.

8

-

BUSHING

SC: D

1шт.

9

-

BUSHING

SC: D

2шт.

10

-

BUSHING

SC: D

1шт.

11

-

RING

SC: D

1шт.

12

K1022771

CAP;END

desc: CAPUCHON TERMINAL

2шт.

13

-

BODY

SC: D

1шт.

14

-

HOUSING

SC: D

1шт.

15

-

HOOD

SC: D

1шт.

16

-

COVER

SC: D

1шт.

17

K1022781

SPOOL

desc: BOBINE

1шт.

18

K1022792

SPOOL

desc: BOBINE

1шт.

19

-

FLANGE

SC: D

3шт.

20

-

FLANGE

SC: D

1шт.

21

-

FLANGE

SC: D

1шт.

22

-

JOINT

SC: D

1шт.

23

-

SPRING

SC: D

2шт.

24

-

SPRING

SC: D

1шт.

25

-

SPRING

SC: D

1шт.

26

-

SPRING

SC: D

2шт.

27

-

PIN

SC: D

1шт.

28

-

PISTON

SC: D

1шт.

29

-

COVER

SC: D

1шт.

30

K1022779

PLUG

desc: BOUCHON

1шт.

31

K1022886

BELLOWS;SOLENOID

desc: SOUFFLET

2шт.

32

-

RING

SC: D

2шт.

33

K1022887

O-RING

desc: JOINT TORIQUE

2шт.

34

K1022759

O-RING

desc: JOINT TORIQUE

6шт.

35

K1022888

O-RING

desc: JOINT TORIQUE

2шт.

36

K1022889

O-RING

desc: JOINT TORIQUE

1шт.

37

K1022890

O-RING

desc: JOINT TORIQUE

1шт.

38

-

O-RING

SC: D

1шт.

39

K1022891

O-RING

desc: JOINT TORIQUE

1шт.

40

-

COVER;DUST

SC: D

3шт.

41

-

BALL

SC: D

4шт.

42

K1022892

NUT;LOCK

desc: ECROU

2шт.

43

K1022756

COIL AMP PIN

desc: ENROULEMENT

2шт.

44

K1022757

SCREW

desc: VIS

1шт.

45

-

SCREW

SC: D

6шт.

46

-

SCREW

SC: D

8шт.

47

K1022893

SCREW

desc: VIS

4шт.

48

K1022894

VALVE;BACK PRESSURE

desc: VALVE DE CONTRE-PRESSION

1шт.

49

K1022895

VALVE;MAIN RELIEF

desc: CLEPET DE CHARGE

1шт.

50

-

TUBE ASS'Y

SC: D

2шт.

51

K1022778

VALVE;LOAD CHECK

desc: VANNE

3шт.

52

K1022758

SPOOL;CONTROL

desc: BOBINE

1шт.

53

-

SPOOL;CONTROL

SC: D

1шт.

54

K1022782

DEUTCH CONNECTOR

desc: CONNECTEUR DE DEUTCH

1шт.

55

K1022783

DUST COVER ASS'Y

desc: PARE-POUSSIERES

1шт.

56

K1022784

FLOAT DETENT SPOOL CONTROL

desc: COMMANDE DE BOBINE

1шт.

57

K1022785

SPOOL CONTERING

desc: BOBINE

1шт.

58

K1022786

VALVE;SOLENOID

desc: SOUPAPE A SOLENOIDE

1шт.

59

K1022791

SPOOL

desc: BOBINE

1шт.

Выбрано товаров: 60