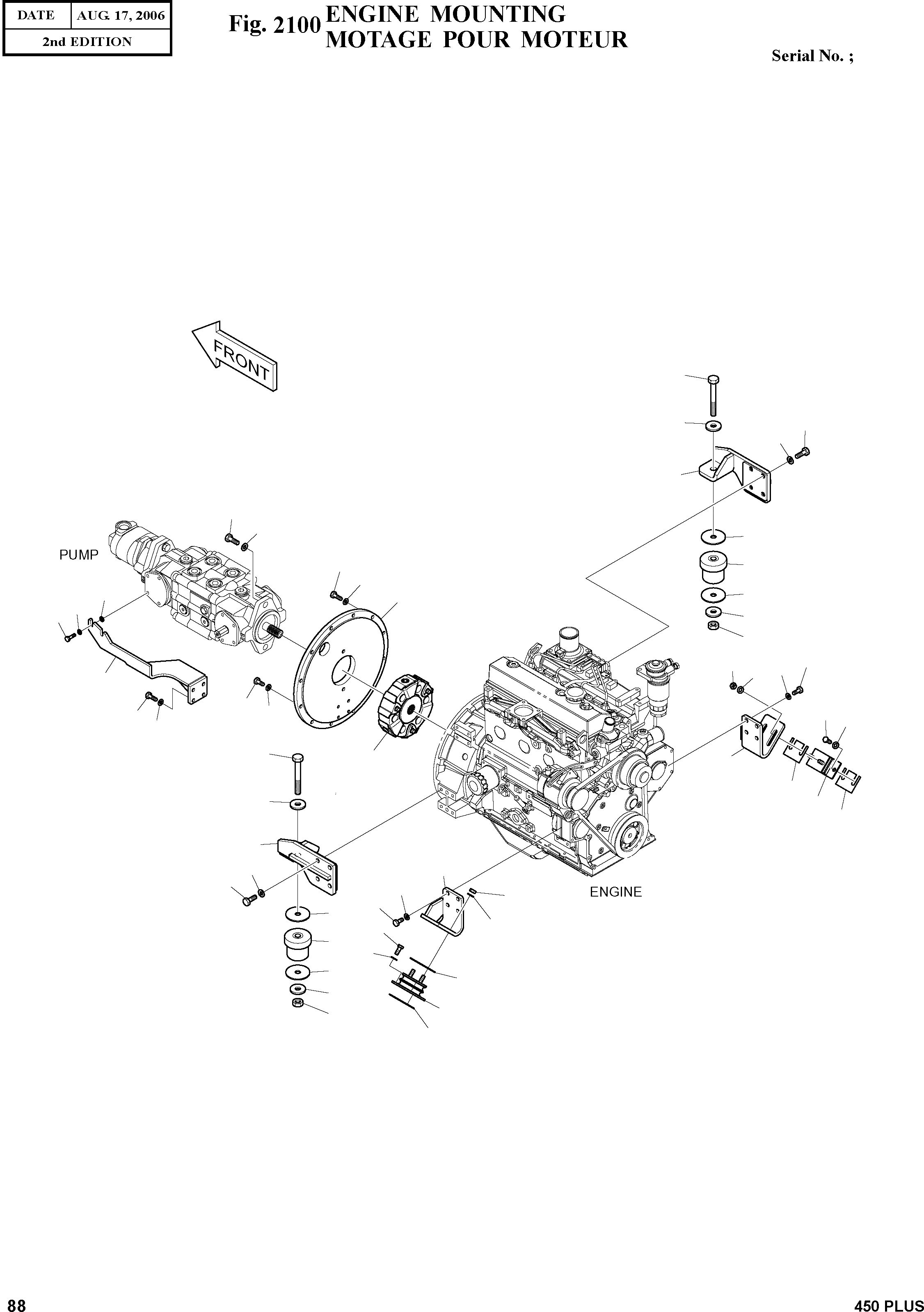
Запчасти Doosan Daewoo ENGINE MOUNTING POWER TRAIN

21
26
17
13
6
10
13
16
18
2
15
16
19
3
19
11
17
22
24
12
15
27
4
18
25
15
18
15
15
21
14
8
23
17
1
23
5
13
7
26
15
12
24
16
27
25
2
15
16
23
17
1
22
23
FIT
1:1
100%

Артикул

Название

Примечание

Количество

-

K1021521

ENGINE & PUMP ASS'Y

SC: D

-2шт.

1

K1019643

RUBBER;ENGINE MOUNT

desc: LE CAOUTCHOUC

2шт.

2

K1019644

RUBBER;ENGINE MOUNT

desc: LE CAOUTCHOUC

2шт.

3

K1021522

PLATE;PUMP

desc: PLAQUE

1шт.

4

K1021845

BRACKET

desc: SUPPORT

1шт.

5

K1021608

BRACKET;ENGINE MOUNT(L.H)

desc: SUPPORT

1шт.

6

K1021609

BRACKET;ENGINE MOUNT(R.H)

desc: SUPPORT

1шт.

7

K1021526

BRACKET;ENGINE MOUNT(L.H)

desc: SUPPORT

1шт.

8

K1021529

BRACKET;ENGINE MOUNT(R.H)

desc: SUPPORT

1шт.

10

K1023112

BOLT

desc: BOULON A 6 PANS

2шт.

11

S0555963

BOLT

desc: BOULON A 6 PANS

2шт.

12

K1023114

NUT;LOCK

desc: ECROU

4шт.

13

K1023145

WASHER;HARDENED

desc: RONDELLE

10шт.

14

K1020059

COUPLING;PUMP

desc: ACCOUPLEMENT

1шт.

15

K1023147

WASHER;HARDENED

desc: RONDELLE

28шт.

16

K1023153

WASHER

desc: RONDELLE

4шт.

17

K1023158

WASHER;HARDENED

desc: RONDELLE

4шт.

18

S0512263

BOLT

desc: BOULON A 6 PANS

16шт.

19

K1023028

SHIM

desc: CALE

4шт.

21

S0566863

BOLT

desc: BOULON A 6 PANS

2шт.

22

K1023120

NUT;LOCK

desc: ECROU

2шт.

23

K1022293

SPACER

desc: DOUILLE D'ECARTEMENT

4шт.

24

S0512063

BOLT

desc: BOULON A 6 PANS

8шт.

25

S0511863

BOLT

desc: BOULON A 6 PANS

4шт.

26

S0515363

BOLT

desc: BOULON A 6 PANS

8шт.

27

K1023155

WASHER;HARDENED

desc: RONDELLE

4шт.

Выбрано товаров: 0