Запчасти Doosan Daewoo INTAKE & EXHAUST MANIFOLD ENGINE PARTS

6
7
5
4
10
8
11
12
9
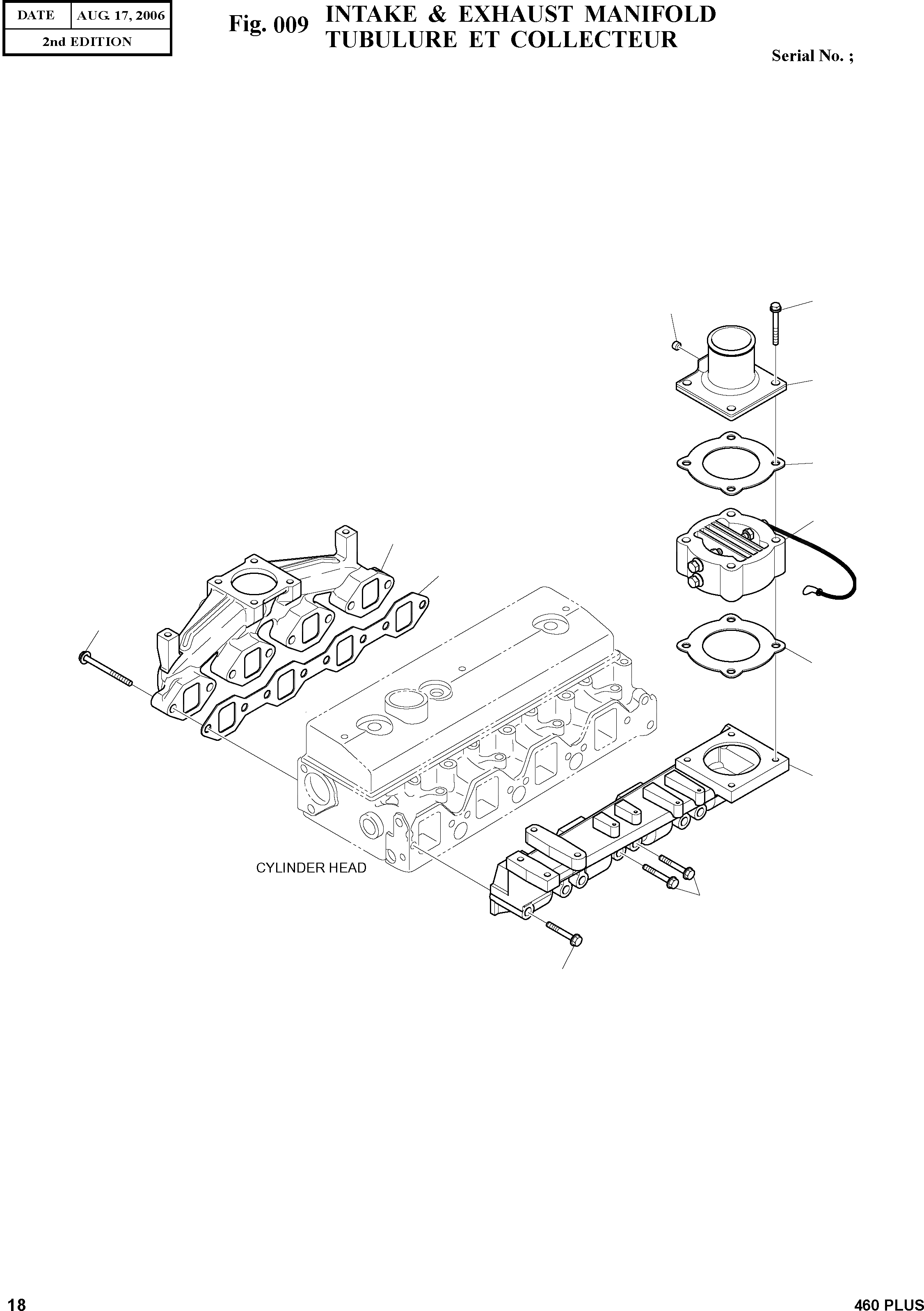
1
2
3
FIT
1:1
100%

Артикул

Название

Примечание

Количество

1

K1019614

MANIFOLD;AIR INTAKE

desc: TUBULURE D'ENTREE D'AIR

1шт.

2

K1019615

BOLT

desc: BOULON A 6 PANS

6шт.

3

K1019616

BOLT

desc: BOULON A 6 PANS

2шт.

4

K1019617

GASKET;CONNECTION

desc: GARNITURE

1шт.

5

K1022452

CONNECTION;AIR INTAKE

desc: RACCORDEMENT D'ENTREE D'AIR

1шт.

6

K1022453

PLUG

desc: BOUCHON

1шт.

7

K1019618

BOLT

desc: BOULON A 6 PANS

4шт.

8

K1019619

HEATER;AIR

desc: RECHAUFFEUR

1шт.

9

K1019617

GASKET;HEATER

desc: GARNITURE

1шт.

10

K1022454

MANIFOLD;EXHAUST

desc: COLLECTEUR ECHAPPEMENT(GAUCHE)

1шт.

11

K1019620

GASKET;EXHAUST

desc: GARNITURE

1шт.

12

K1019621

BOLT

desc: BOULON A 6 PANS

8шт.

Выбрано товаров: 12