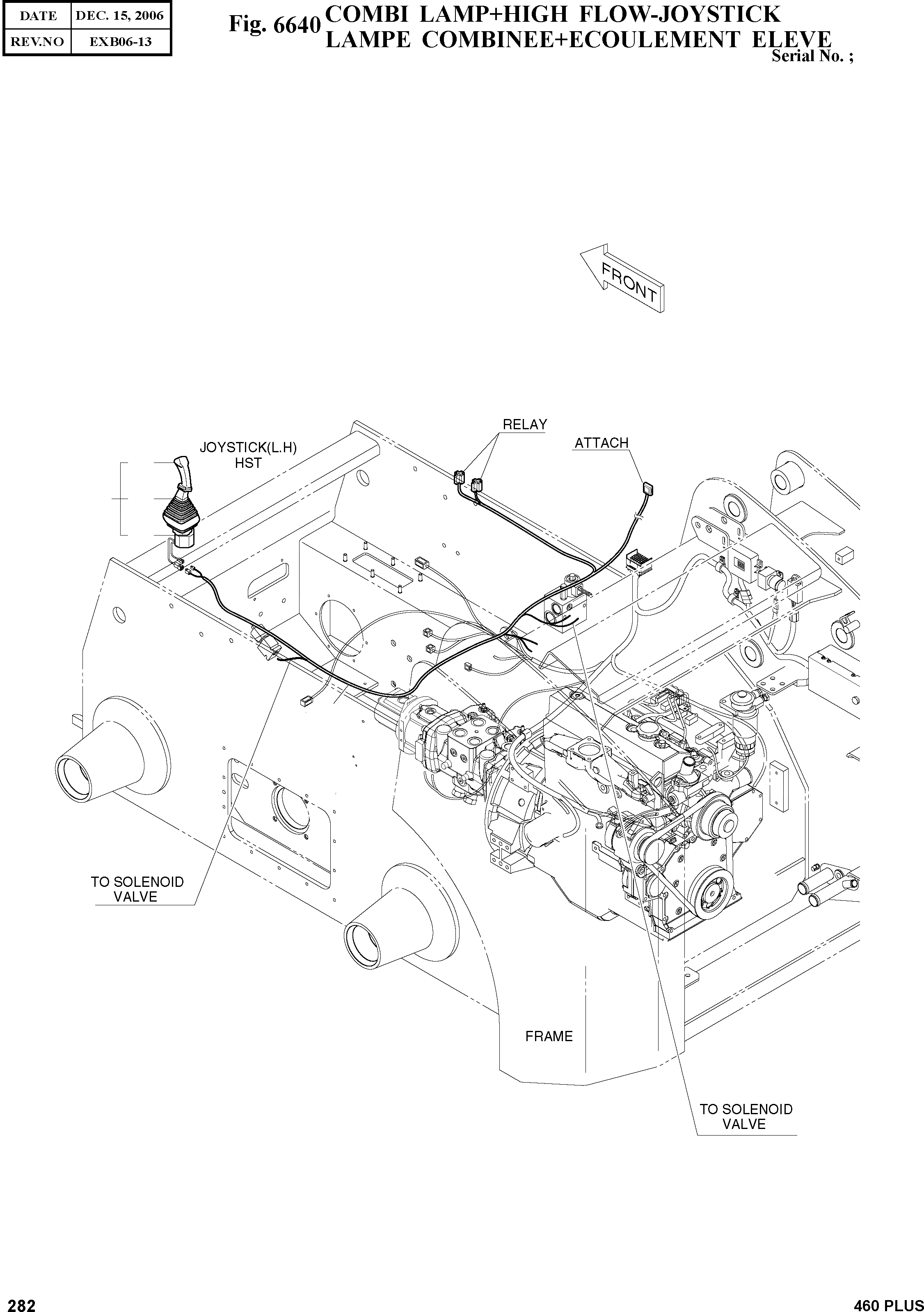
Запчасти Doosan Daewoo COMBI LAMP+HIGH FLOW-JOYSTICK OPTION PARTS

1
1B
1C
1A
2
FIT
1:1
100%

Артикул

Название

Примечание

Количество

-

K1024722A

COMBI+HIGH FLOW

SC: D

-2шт.

1

K1024711

VALVE;JOYSTICK

SERIAL: 5001-5094

1шт.

1

K1024711A

VALVE;JOYSTICK

SERIAL: 5095

1шт.

1A

K1024067A

HST BODY

desc: . MANCHE

1шт.

1B

K1024066

HANDLE

desc: . POIGNEE

1шт.

1C

K1024072

BOOT

desc: . GAINE DE PROTECTION

1шт.

2

K1024724

HARNESS;COMB.+HIGH FLOW

desc: FAISCEAU

1шт.

Выбрано товаров: 0