Запчасти Doosan Daewoo COUNTER WEIGHT BODY PARTS

1
5
6
4
3
2
6
7
FIT
1:1
100%

Артикул

Название

Примечание

Количество

-

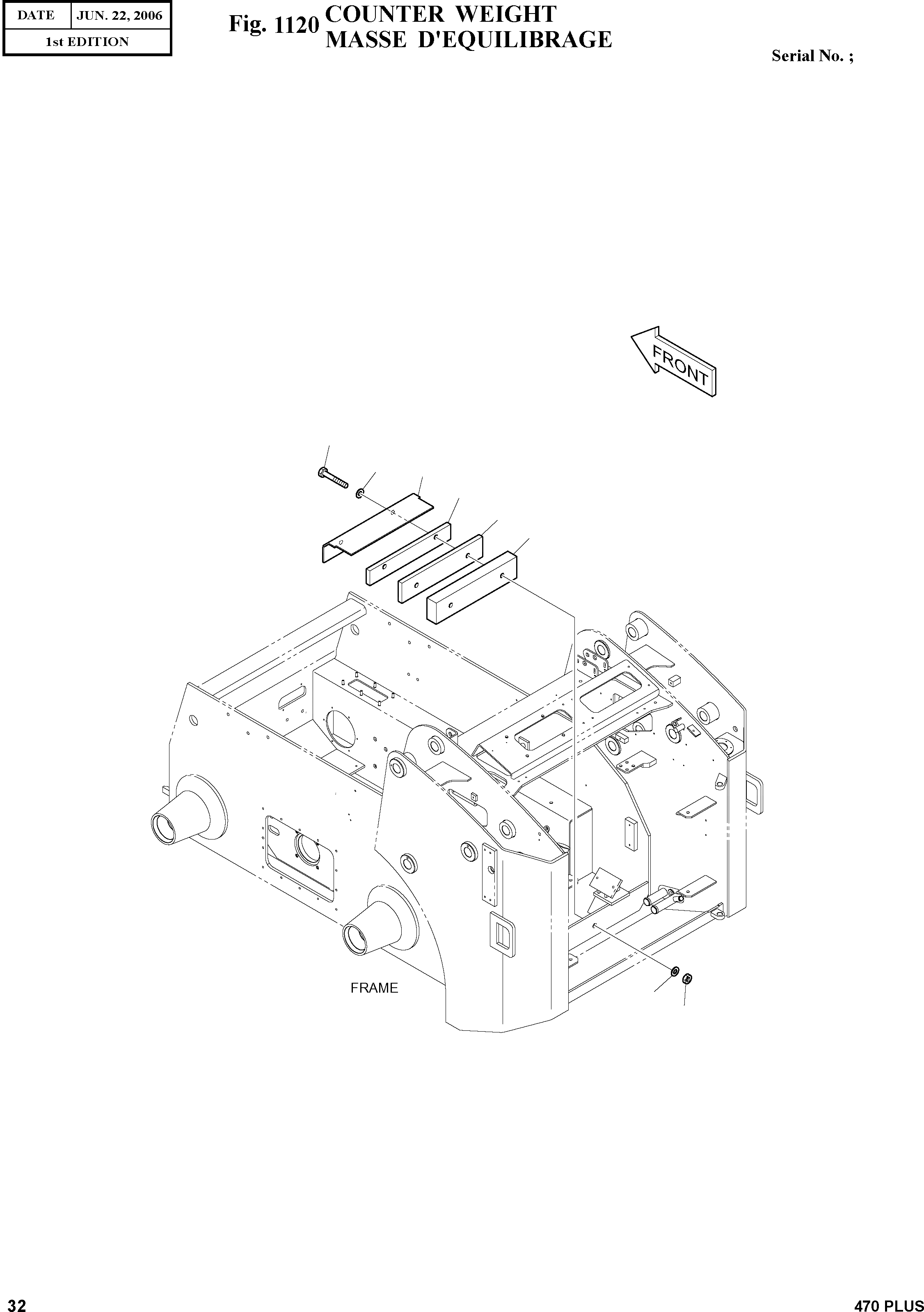
K1021585

COUNTER WEIGHT

SC: D

-2шт.

1

K1021540

BLOCK;WEIGHT

desc: BLOC DE POIDS

2шт.

2

K1021541

BLOCK;WEIGHT

desc: BLOC DE POIDS

1шт.

3

K1021542

BLOCK;WEIGHT

desc: BLOC DE POIDS

1шт.

4

K1021538

COVER

desc: COUVERCLE

1шт.

5

S0567363

BOLT

desc: BOULON A 6 PANS

2шт.

6

2114-1816A

WASHER;HARD

desc: RONDELLE

4шт.

7

S4016933

NUT

desc: ECROU

2шт.

Выбрано товаров: 8