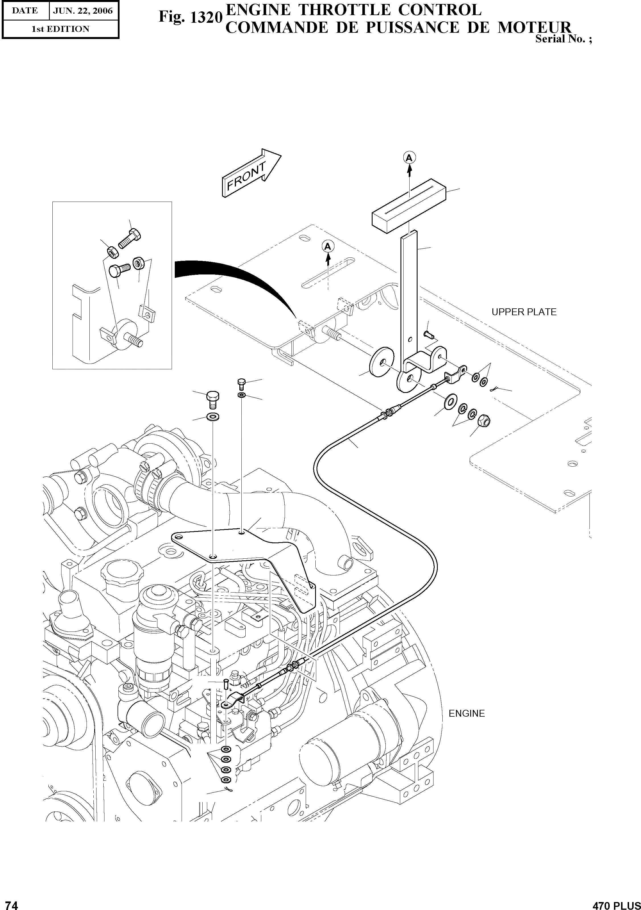
Запчасти Doosan Daewoo ENGINE THROTTLE CONTROL BODY PARTS

5
6
7
2
7
6
10
11
3
14
12
13
16
8
15
17
9
1
4
10
11
12
FIT
1:1
100%

Артикул

Название

Примечание

Количество

-

K1021570

THROTTLE CONTROL

SC: D

-2шт.

1

K1021586

CABLE;ENGINE CONTROL

desc: CABLE

1шт.

2

K1021587

LEVER

desc: LEVIER

1шт.

3

K1022285

SPACER

desc: DOUILLE D'ECARTEMENT

1шт.

4

K1021612

BRACKET

desc: SUPPORT

1шт.

5

K1019744

SPONGE

desc: CAOUTCHOUC

1шт.

6

S0512263

BOLT

desc: BOULON A 6 PANS

2шт.

7

S4016633

NUT

desc: ECROU

2шт.

8

K1023140

WASHER

desc: RONDELLE

1шт.

9

K1023118

NUT;LOCK

desc: ECROU

1шт.

10

S5760111

PIN;COTTER

desc: GOUPILLE FENDUE

2шт.

11

K1023148

WASHER;HARDENED

desc: RONDELLE

6шт.

12

S180130H

PIN;SNAP

desc: BROCHE

2шт.

13

S0511863

BOLT

desc: BOULON A 6 PANS

2шт.

14

S0504663

BOLT

desc: BOULON A 6 PANS

1шт.

15

K1023147

WASHER;HARDENED

desc: RONDELLE

2шт.

16

S5010313

WASHER

desc: RONDELLE

1шт.

17

K1023131

WASHER;SPRING

desc: RONDELLE ELASTIQUE

2шт.

Выбрано товаров: 18