Запчасти Doosan Daewoo QUICK TACH BODY PARTS

20
1
9
28
10
9
24
19
13
16
8
22
24
10
20
8
9
19
9
28
18
9
27
10
12
9
8
25
17
26
10
8
9
6
21
16
29
19
19
3
7
15
4
7
23
2
11
10
5
10
9
10
9
24
14
19
9
12
26
19
8
25
27
7
8
8
4
13
8
7
19
23
2
24
3
19
17
9
18
21
22
29
9
11
10
FIT
1:1
100%

Артикул

Название

Примечание

Количество

-

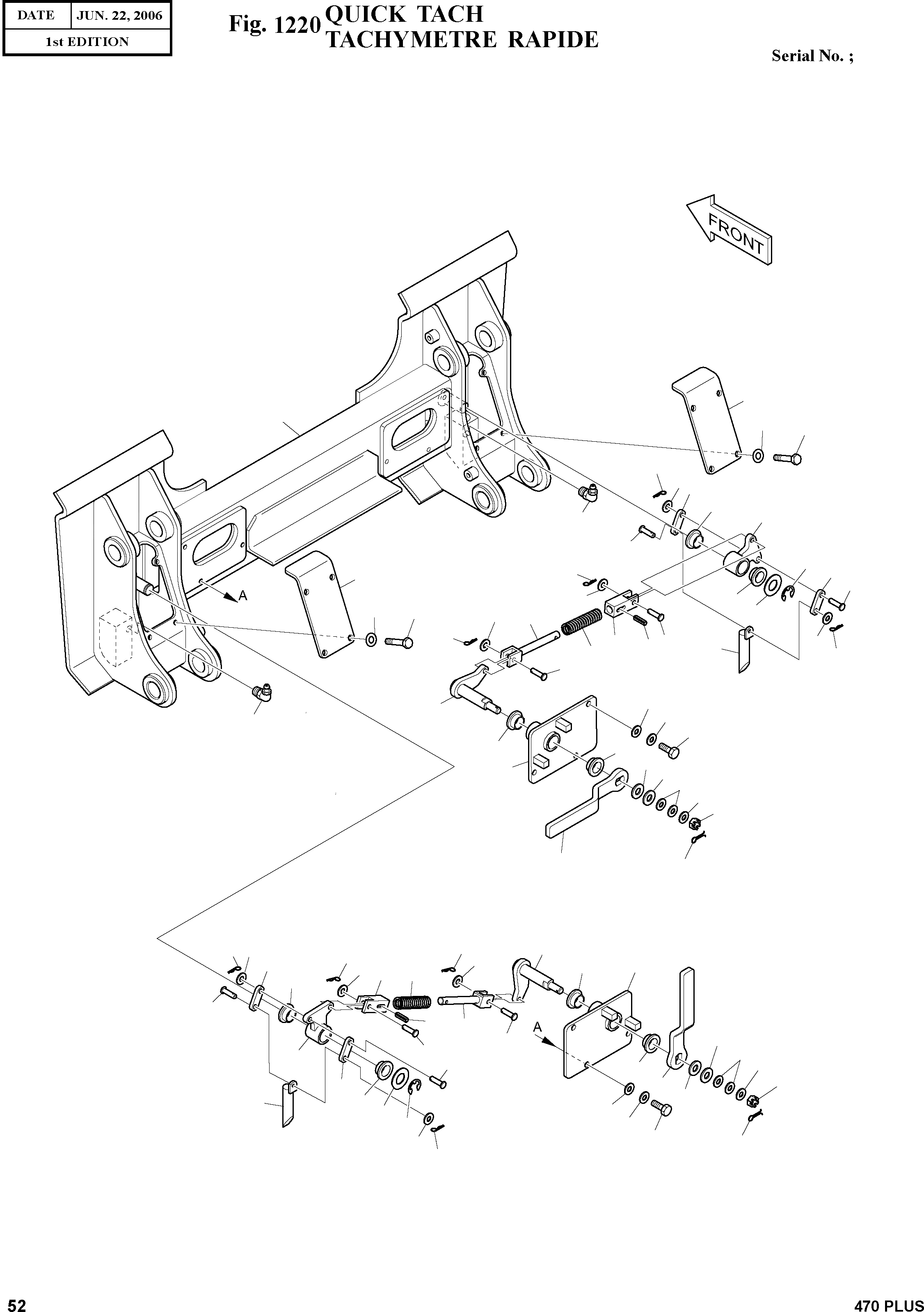
K1020132

QUICK TACH ASS'Y

SC: D

-2шт.

1

K1021764

QUICK TACH

desc: TACHYMETRE RAPIDE

1шт.

2

K1019945

HANDLE

desc: POIGNEE

2шт.

3

K1023140

WASHER

desc: RONDELLE

2шт.

4

K1023131

WASHER;SPRING

desc: RONDELLE ELASTIQUE

4шт.

5

K1019946

LEVER(L.H)

desc: LEVIER

1шт.

6

K1019949

LEVER(R.H)

desc: LEVIER

1шт.

7

DS0401100

WASHER;HARDENED

desc: RONDELLE

4шт.

8

S5760242

PIN;CLEVIS

desc: BROCHE

8шт.

9

K1023146

WASHER;HARDENED

desc: RONDELLE

22шт.

10

S5735241

PIN;SPLIT

desc: GOUPILLE FENDUE

8шт.

11

S5735491

PIN;SPLIT

desc: GOUPILLE FENDUE

2шт.

12

K1019950

BLOCK

desc: BLOC

2шт.

13

K1019951

LEVER

desc: LEVIER

2шт.

14

K1020425

COVER(L.H)

desc: COUVERCLE

1шт.

15

K1020426

COVER(R.H)

desc: COUVERCLE

1шт.

16

S6710151

NIPPLE;GREASE

desc: GRAISSEUR

2шт.

17

K1020605

BLOCK;WEDGE

desc: BLOC

2шт.

18

DS0401113

WASHER

desc: RONDELLE

2шт.

19

K1022262

BUSHING

desc: DOUILLE

8шт.

20

K1021887

COVER

desc: COUVERCLE

2шт.

21

S5102503

WASHER;SPRING

desc: RONDELLE ELASTIQUE

6шт.

22

S6541500

RING;RETAINING

desc: RONDELLE DE RETENUE

2шт.

23

S4330743

NUT;CASTLE

desc: ECROU

2шт.

24

K1019956

LINK

desc: PIECE DE JONCTION

4шт.

25

S5740920

PIN;SPRING

desc: GOUPILLE ELASTIQUE

2шт.

26

K1020161

SPRING

desc: RESSORT

2шт.

27

K1019957

ROD

desc: TIGE

2шт.

28

S0508663

BOLT

desc: BOULON A 6 PANS

8шт.

29

S0509063

BOLT

desc: BOULON A 6 PANS

6шт.

Выбрано товаров: 30