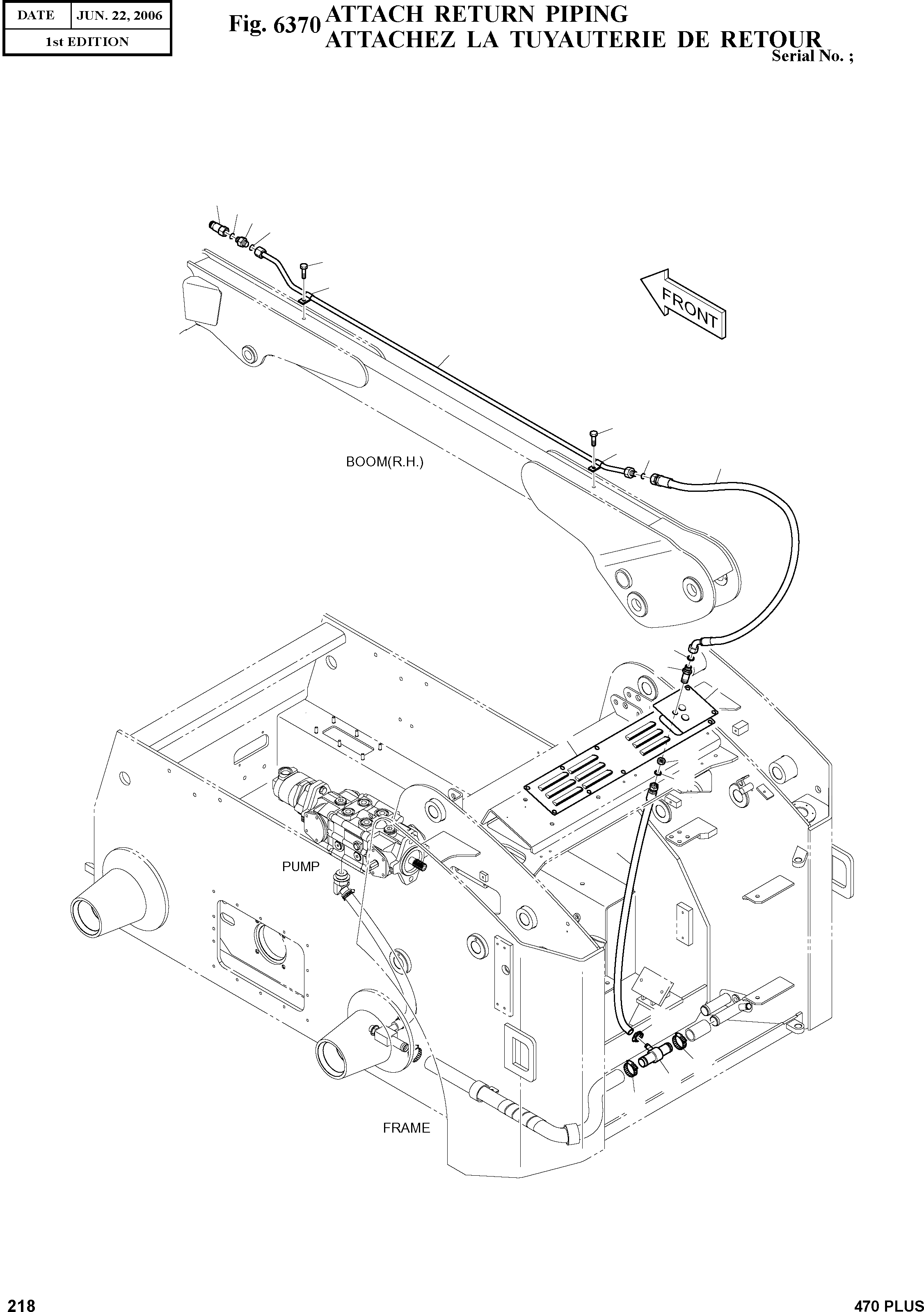
Запчасти Doosan Daewoo ATTACH RETURN PIPING OPTION PARTS

1
11
2
12
17
5
3
17
5
13
4
13
6
9
10
16
13
7
14
15
8
15
FIT
1:1
100%

Артикул

Название

Примечание

Количество

-

K1023346

ATTACH RETURN PIPING

SC: D

-2шт.

1

K1020073

COUPLER

desc: FIXATION DE POMPE

1шт.

2

K1022479

ADAPTER

desc: RACCORD ADAPTATEUR

1шт.

3

K1020215

TUBE

desc: TUBE

1шт.

4

DS2012137

HOSE

desc: TUYAU FLEXIBLE

1шт.

5

K1023052

CLIP

desc: BAGUE D'ARRET

2шт.

6

K1023085

ADAPTER

desc: RACCORD ADAPTATEUR

1шт.

7

DS2032002

HOSE

desc: TUYAU FLEXIBLE

1шт.

8

K1020787

TEE

desc: TE

1шт.

9

K1020935

PLATE

desc: PLAQUE

1шт.

10

K1020934

PLATE

desc: PLAQUE

1шт.

11

S8040101

O-RING

desc: JOINT TORIQUE

1шт.

12

S8040081

O-RING

desc: JOINT TORIQUE

1шт.

13

S8030081

O-RING

desc: JOINT TORIQUE

3шт.

14

S8450016

CLAMP;HOSE

desc: COLLIER

1шт.

15

S8450035

CLAMP;HOSE

desc: COLLIER

2шт.

16

K1022480

NUT;LOCK

desc: ECROU

1шт.

17

S0508563

BOLT

desc: BOULON A 6 PANS

2шт.

Выбрано товаров: 18