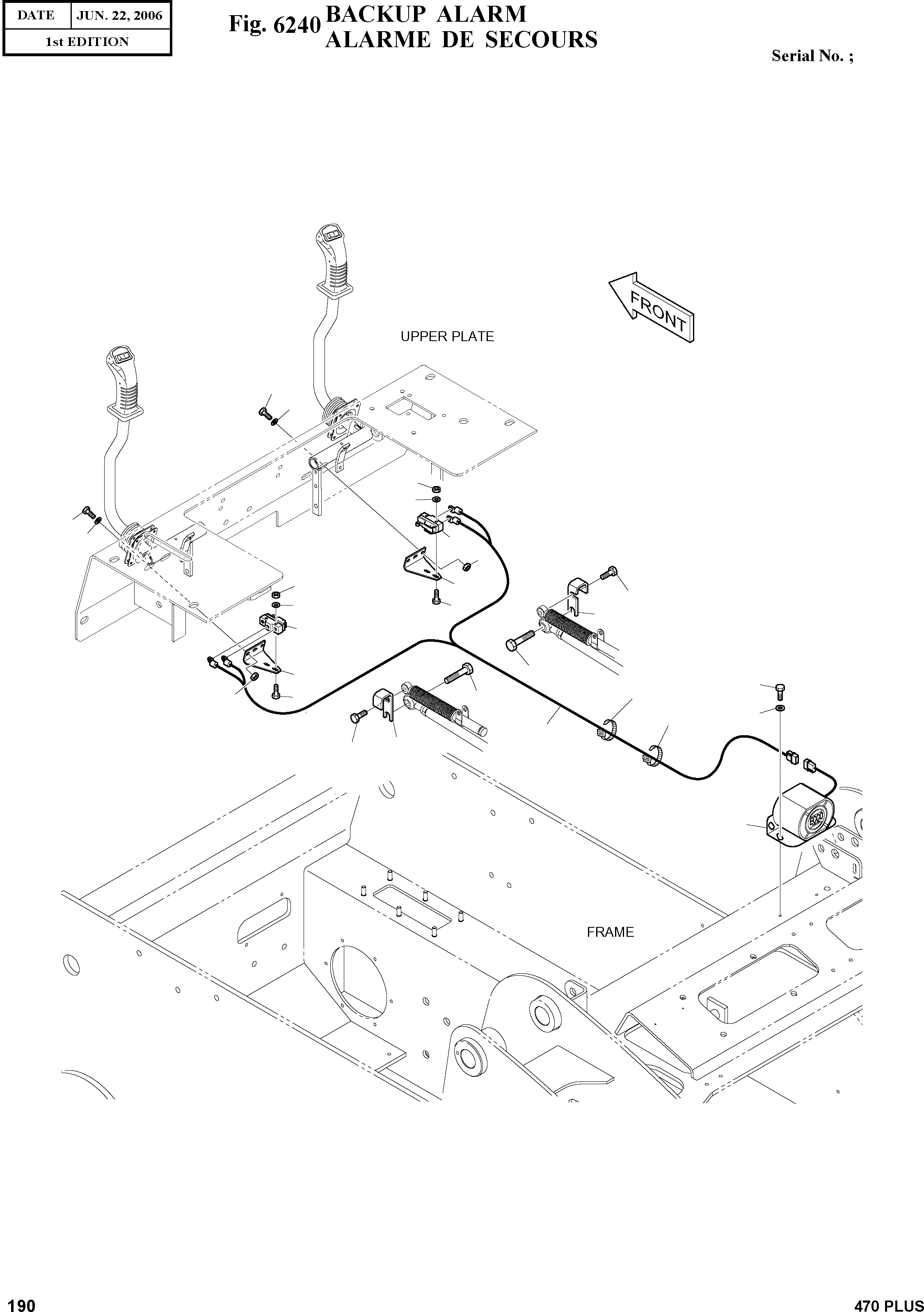
Запчасти Doosan Daewoo BACKUP ALARM OPTION PARTS

2
3
6
7
2
3
9
4
6
8
14
5
7
12
9
13
8
2
11
4
5
13
3
11
1
12
14
10
FIT
1:1
100%

Артикул

Название

Примечание

Количество

-

K1023402

BACKUP ALARM ASS'Y

SC: D

-2шт.

1

K1020768

HARNESS;BACKUP

desc: FAISCEAU

1шт.

2

S0504663

BOLT

desc: BOULON A 6 PANS

6шт.

3

K1023146

WASHER;HARDENED

desc: RONDELLE

6шт.

4

S4016333

NUT

desc: ECROU

4шт.

5

S3450403

SCREW

desc: VIS

4шт.

6

S4010003

NUT

desc: ECROU

4шт.

7

S5000003

WASHER

desc: RONDELLE

4шт.

8

K1019897

BRACKET

desc: SUPPORT

2шт.

9

K1023015

SWITCH;LIMIT

desc: INTERRUPTEUR

2шт.

10

K1023019

ALARM;SMART

desc: ALARME

1шт.

11

K1022971

CLIP;BAND

desc: ATTACHE

2шт.

12

K1020181

BRACKET

desc: SUPPORT

2шт.

13

S0558563

BOLT

desc: BOULON A 6 PANS

2шт.

14

S0556263

BOLT

desc: BOULON A 6 PANS

2шт.

Выбрано товаров: 15