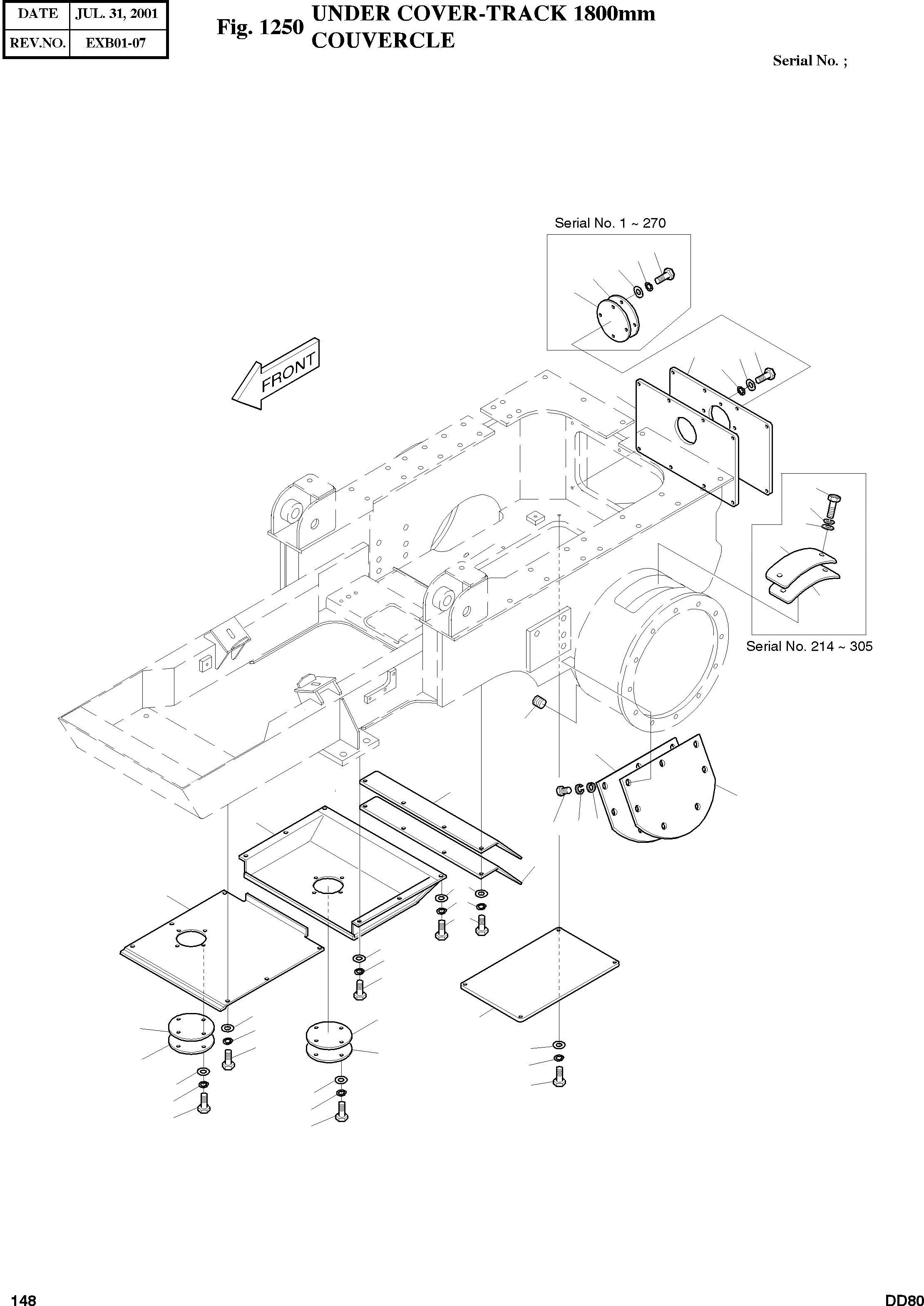
Запчасти Doosan Daewoo UNDER COVER-TRACK 1800MM UPPER STRUCTURE

8
9
15
21
20
14
9
5
10
19
8
9
10
23
24
22
6
16
18
2
15
9
14
3
19
1
9
14
10
9
14
10
20
4
9
20
8
10
11
11
9
8
15
15
9
9
8
8
FIT
1:1
100%

Артикул

Название

Примечание

Количество

-

5621-3115A

COVER ASS'Y

SC: D

-2шт.

1

5621-2750B

COVER

SERIAL: 1-131

1шт.

1

5627-1602

COVER

SERIAL: 132

1шт.

2

5621-2322B

COVER

desc: COUVERCLE

1шт.

3

5621-2321B

COVER

desc: COUVERCLE

1шт.

4

5621-2911A

COVER

desc: COUVERCLE

1шт.

5

5621-2338B

COVER

SERIAL: 1-270

1шт.

5

5621-2338C

COVER

SERIAL: 271

1шт.

6

5621-2801A

COVER

SERIAL: 1-247

2шт.

6

5621-2801B

COVER

SERIAL: 248

2шт.

8

S0512053

BOLT M10X1.5X25

SERIAL: 1-122

29шт.

8

S0512053

BOLT M10X1.5X25

SERIAL: 123-213

20шт.

8

S0512053

BOLT M10X1.5X25

SERIAL: 214-270

24шт.

8

S0512053

BOLT M10X1.5X25

SERIAL: 271-305

20шт.

8

S0512053

BOLT M10X1.5X25

SERIAL: 306

16шт.

9

S5102603

WASHER;SPRING M10

SERIAL: 1-213

75шт.

9

S5102603

WASHER;SPRING M10

SERIAL: 214-270

79шт.

9

S5102603

WASHER;SPRING M10

SERIAL: 271-305

75шт.

9

S5102603

WASHER;SPRING M10

SERIAL: 306

71шт.

10

2114-1058D45

WASHER M10

SERIAL: 1-213

49шт.

10

2114-1058D45

WASHER M10

SERIAL: 214-305

53шт.

10

2114-1058D45

WASHER M10

SERIAL: 306

45шт.

11

5621-2682C

COVER

desc: COUVERCLE

2шт.

14

S0512253

BOLT M10X1.5X30

SERIAL: 1-122

46шт.

14

S0512253

BOLT M10X1.5X30

SERIAL: 123

55шт.

15

S5010613

WASHER;PLAIN M10

SERIAL: 1-270

26шт.

15

S5010613

WASHER;PLAIN M10

SERIAL: 271

22шт.

16

5180-1245

SEAL;RUBBER

SERIAL: 1-270

1шт.

18

5180-1238A

SEAL;RUBBER

SERIAL: 1-247

2шт.

18

5180-1238B

SEAL;RUBBER

SERIAL: 248-270

2шт.

19

5180-1242A

SEAL;RUBBER

SERIAL: 1-270

1шт.

20

5180-1244

SEAL;RUBBER

SERIAL: 1-270

3шт.

21

5621-3207A

COVER

SERIAL: 1-270

1шт.

22

S5810040

PLUG PT1/2

SERIAL: 93-247

2шт.

22

2181-1116D5

PLUG PT3/4

SERIAL: 248

2шт.

23

5621-2384A

COVER

SERIAL: 214-305

2шт.

24

5180-1239A

SEAL;RUBBER

SERIAL: 214-270

2шт.

Выбрано товаров: 37