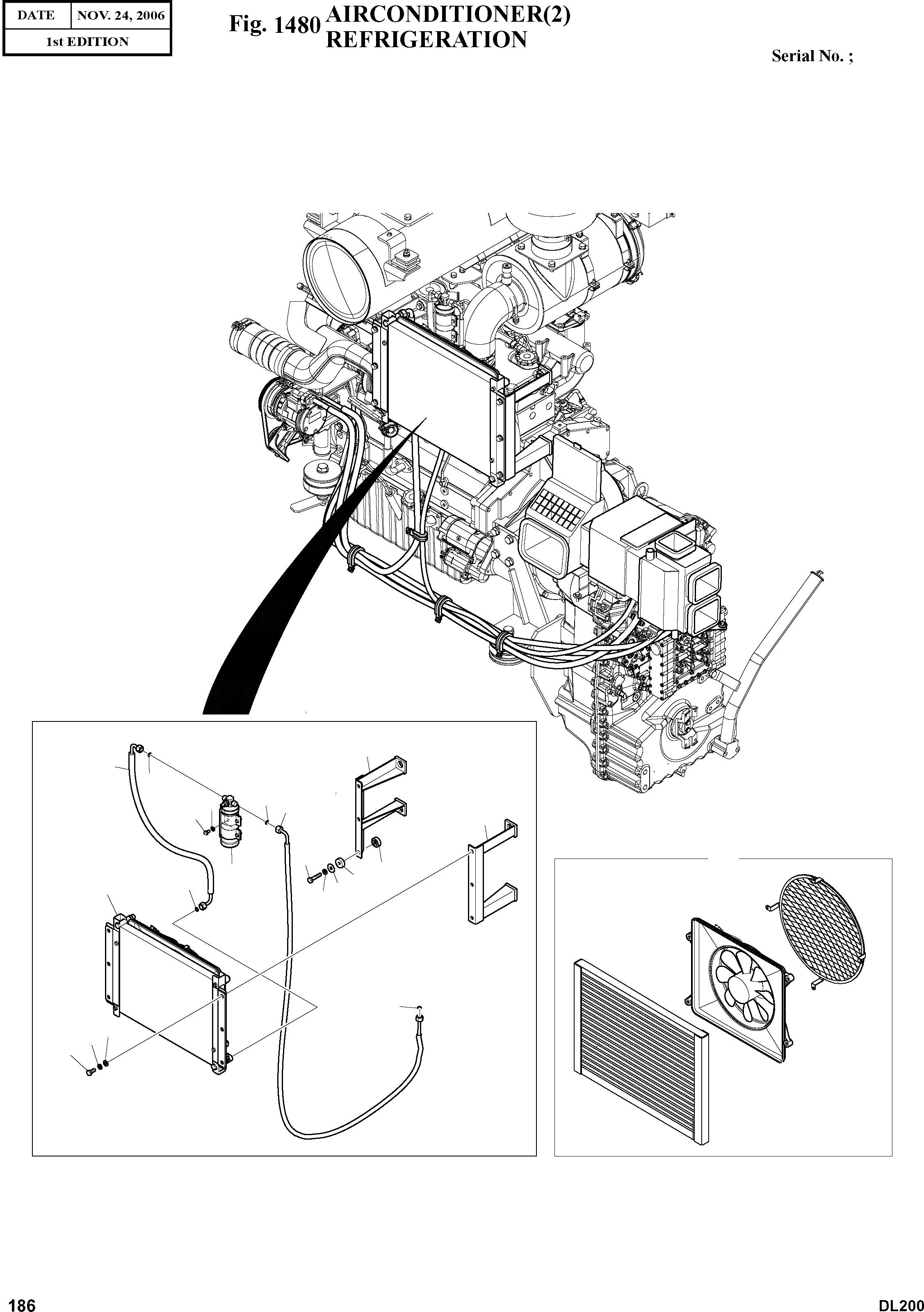
Запчасти Doosan Daewoo AIRCONDITIONER(2) BODY PARTS

31-1
32-1
26
31
31-1
32-1
21-1
21-2
35
32
34
25
27
21
30
33
30
21-3
21
29
28
24
23
22
FIT
1:1
100%

Артикул

Название

Примечание

Количество

-

K1024079A

AIRCONDITION (2)

SC: D

-2шт.

21

2520-6004

CONDENSER ASS'Y

desc: CONDENSEUR

1шт.

21-1

2520-6005

CONDENSER CORE

desc: . CONDENSEUR

1шт.

21-2

2538-6018

FAN MOTOR ASS'Y

desc: . MOTEUR

1шт.

21-3

2520-6006

NET;CONDENSER

desc: . ENSEMBLE COMPRESSEUR

1шт.

22

S0512066

BOLT

desc: BOULON A 6 PANS

6шт.

23

S5102603

WASHER;SPRING

desc: RONDELLE ELASTIQUE

6шт.

24

S5010613

WASHER;SPRING

desc: RONDELLE ELASTIQUE

6шт.

25

195-01868

BRACKET;CONDENSER (R.H)

desc: SUPPORT CONDENSEUR

1шт.

26

195-01362B

BRACKET;CONDENSER (L.H)

desc: SUPPORT CONDENSEUR

1шт.

27

S0558566

BOLT

desc: BOULON A 6 PANS

4шт.

28

S5102603

WASHER;SPRING

desc: RONDELLE ELASTIQUE

4шт.

29

2114-1058D1

WASHER

desc: CALE

4шт.

30

2512-1077

RUBBER;CUSHION

desc: CUSHION;RUBBER

8шт.

31

185-00288

HOSE

desc: TUYAU FLEXIBLE

1шт.

31-1

2180-6090

O-RING

desc: . JOINT TORIQUE

2шт.

32

4185-1775D3

HOSE

desc: TUYAU FLEXIBLE

1шт.

32-1

2180-6090

O-RING

desc: . JOINT TORIQUE

2шт.

33

2204-6039A

RECEIVER DRIER

desc: RESERVOIR DESSICATEUR

1шт.

34

S0508666

BOLT

desc: BOULON A 6 PANS

2шт.

35

S5102503

WASHER;SPRING

desc: RONDELLE ELASTIQUE

2шт.

Выбрано товаров: 21