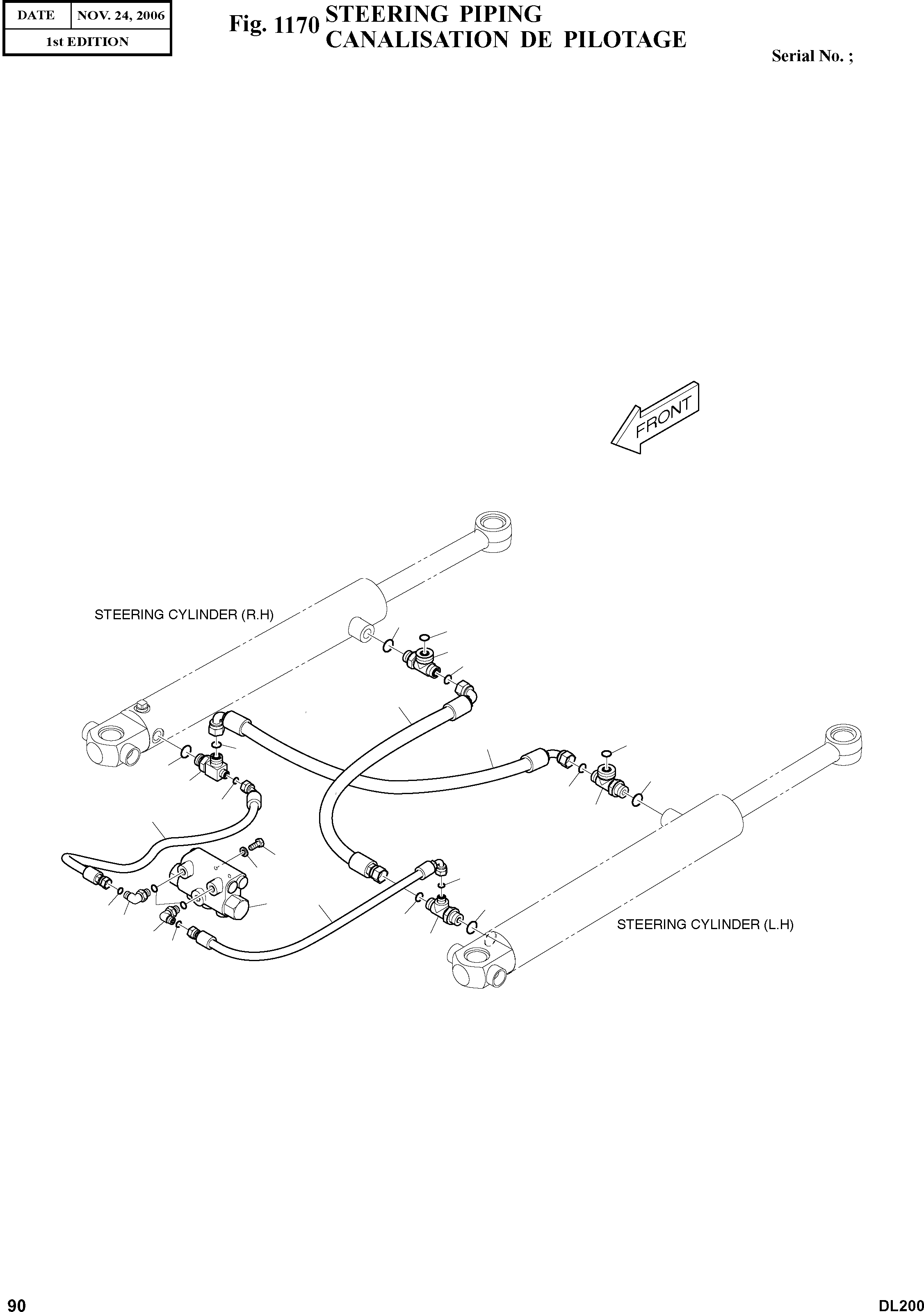
Запчасти Doosan Daewoo STEERING PIPING BODY PARTS

4
5
6
15
7
8
5
5
4
4
9
5
15
6
13
2
3
15
10
1
4
11
15
12
5
12
14
15
FIT
1:1
100%

Артикул

Название

Примечание

Количество

-

K1024247

STEERING PIPING ASS'Y

SC: D

-2шт.

1

420-00172

VALVE;CUSHION

desc: VANNE

1шт.

2

S0508866

BOLT

desc: BOULON A 6 PANS

2шт.

3

S5102503

WASHER;SPRING

desc: RONDELLE ELASTIQUE

2шт.

4

S8000181

O-RING

desc: JOINT TORIQUE

4шт.

5

S8030081

O-RING

desc: JOINT TORIQUE

6шт.

6

181-00121D10

TEE

desc: TE

2шт.

7

DS2013347

HOSE

desc: TUYAU FLEXIBLE

1шт.

8

DS2023280

HOSE

desc: TUYAU FLEXIBLE

1шт.

9

DS2412015

TEE

desc: TE

1шт.

10

DS2013429

HOSE

desc: TUYAU FLEXIBLE

1шт.

11

2180-1026D26

O-RING

desc: JOINT TORIQUE

2шт.

12

DS2304043

ELBOW

desc: COUDE

2шт.

13

DS2012329

HOSE

desc: TUYAU FLEXIBLE

1шт.

14

DS2412006

TEE

desc: TE

1шт.

15

S8030041

O-RING

desc: JOINT TORIQUE

4шт.

Выбрано товаров: 16