Запчасти Doosan Daewoo AIR COMPRESSOR ENGINE PARTS

1
2
FIT
1:1
100%

Артикул

Название

Примечание

Количество

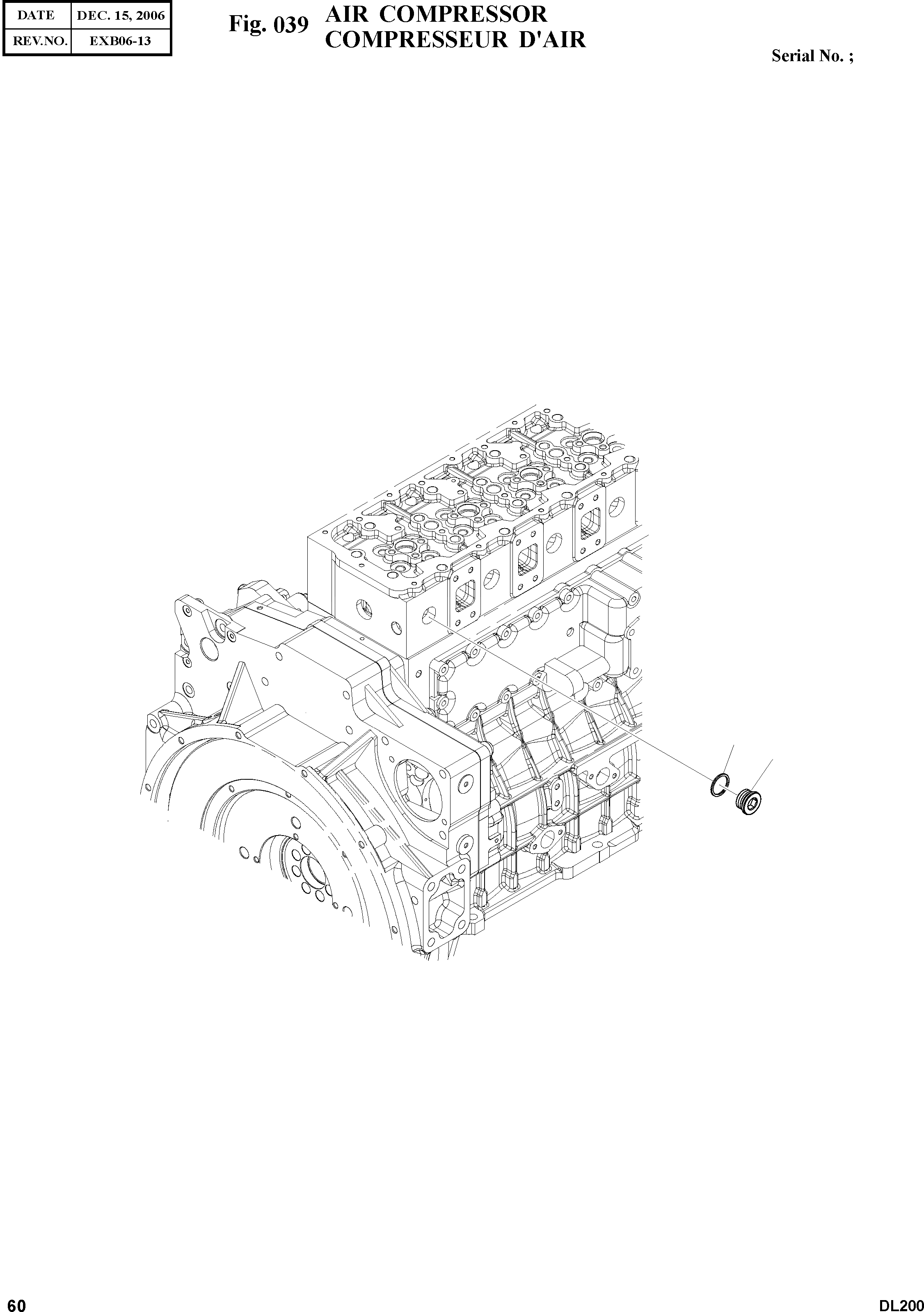
1

65.90310-0135

PLUG;SCREW

desc: BOUCHON A VIS

1шт.

2

06.56190-0705

RING;SEAL A14X18

desc: ENSEMBLE BAGUE D'ETANCHEITE

1шт.

Выбрано товаров: 2