Качественные детали и логистика
Оригинальные и аналоговые запчасти с доставкой по России, Казахстану и Беларуси
©2022 PartSell ООО "Система" ИНН 2463123282 ОГРН 1212400004838
Центральный офис: г. Красноярск, Академика Киренского, д.87, пом.4
Телефон: 8 (800) 777-65-74 Email: zakaz@partsell.ru
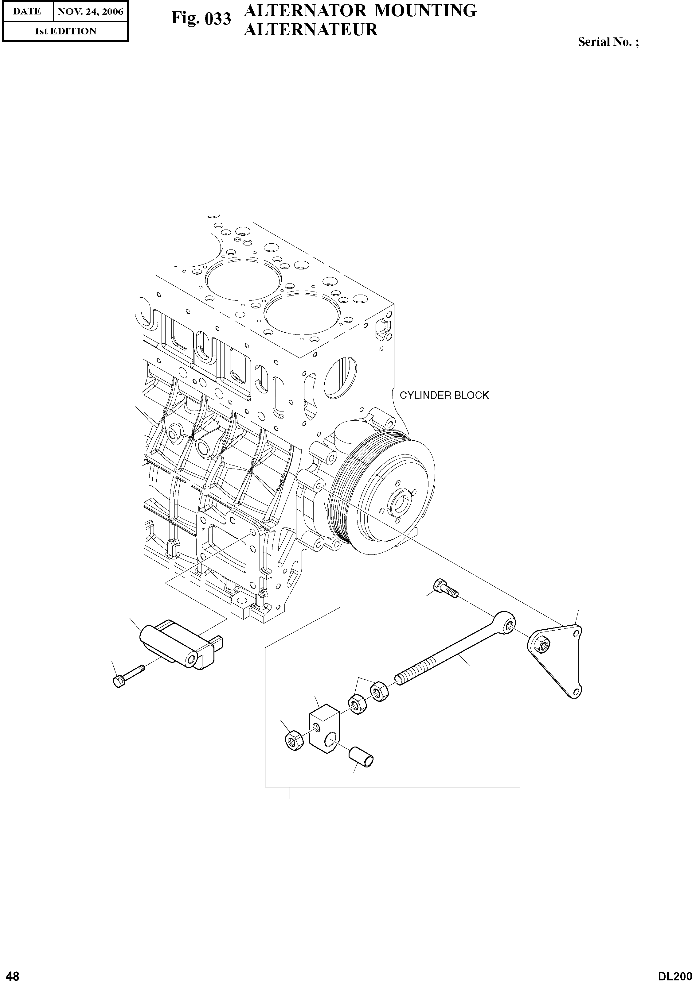
ALTERNATOR MOUNTING
№
Артикул
Название
Примечание
Количество
1
65.19102-0096
BRACKET;ALTERNATOR
desc: SUPPORT
1шт.
2
06.01943-3323
BOLT
desc: BOULON A 6 PANS
2шт.
3
65.19103-6010A
4
65.90441-0009A
EYE BOLT
SC: D
5
65.19107-0001A
PIECE;GUIDE
6
65.93020-0055
BUSH
7
06.11063-9217
NUT
desc: . ECROU 6 PANS M10x1.0
3шт.
8
06.01943-3319
9
65.19103-5049
SUPPORT;ALTERNATOR
desc: SUPPORT D'ALTERNATEUR
Выбрано товаров: 0