Запчасти Doosan Daewoo INJECTION PIPE ENGINE PARTS

22
23
30
20
1
32
2
3
21
4
4
4
5
31
8
9
11
5
10
15
16
17
FIT
1:1
100%

Артикул

Название

Примечание

Количество

1

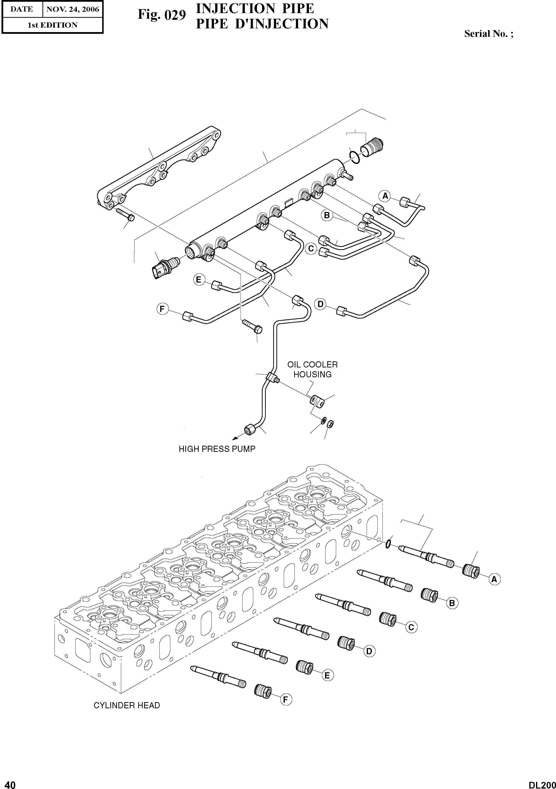
65.10301-6191

PIPE;INJECTION

desc: TUYAU D'INJECTEUR

1шт.

2

65.10301-6192

PIPE;INJECTION

desc: TUYAU D'INJECTEUR

1шт.

3

65.10301-6193

PIPE;INJECTION

desc: TUYAU D'INJECTEUR

1шт.

4

65.10301-6194

PIPE;INJECTION

desc: TUYAU D'INJECTEUR

3шт.

5

65.10301-6195

PIPE;INJECTION

desc: TUYAU D'INJECTEUR

1шт.

8

65.97401-6039

CLIP;PIPE

desc: ATTACHE

1шт.

9

65.97480-0220

HOLDER

desc: SUPPORT

1шт.

10

06.11063-8214

NUT

desc: ECROU 6 PANS M8

1шт.

11

06.16731-2107

WASHER

desc: CALE

1шт.

15

65.10410-6003A

H.P.CONNECTOR

desc: CONNECTEUR

6шт.

16

65.96501-0438

O-RING

desc: . JOINT TORIQUE

1шт.

17

65.10415-0001

NUT

desc: ECROU 6 PANS M8

6шт.

20

65.10601-6004A

COMMON RAIL ASS'Y

desc: CHEMIN DE FER

1шт.

21

65.27114-5002

SENSOR;RAIL PRESSURE

desc: . SENSER;RAIL

1шт.

22

65.52122-6002

VALVE;PRESSURE LIMITING

desc: . VANNE

1шт.

23

65.96501-0431

O-RING

desc: .. JOINT TORIQUE

1шт.

30

65.10610-0003

BRACKET;MOUNTING

desc: SUPPORT

1шт.

31

06.01913-3118

BOLT

desc: BOULON A 6 PANS

3шт.

32

06.01913-3119

BOLT

desc: BOULON A 6 PANS

6шт.

Выбрано товаров: 19