Запчасти Doosan Daewoo INTAKE & EXHAUST MANIFOLD ENGINE PARTS

1
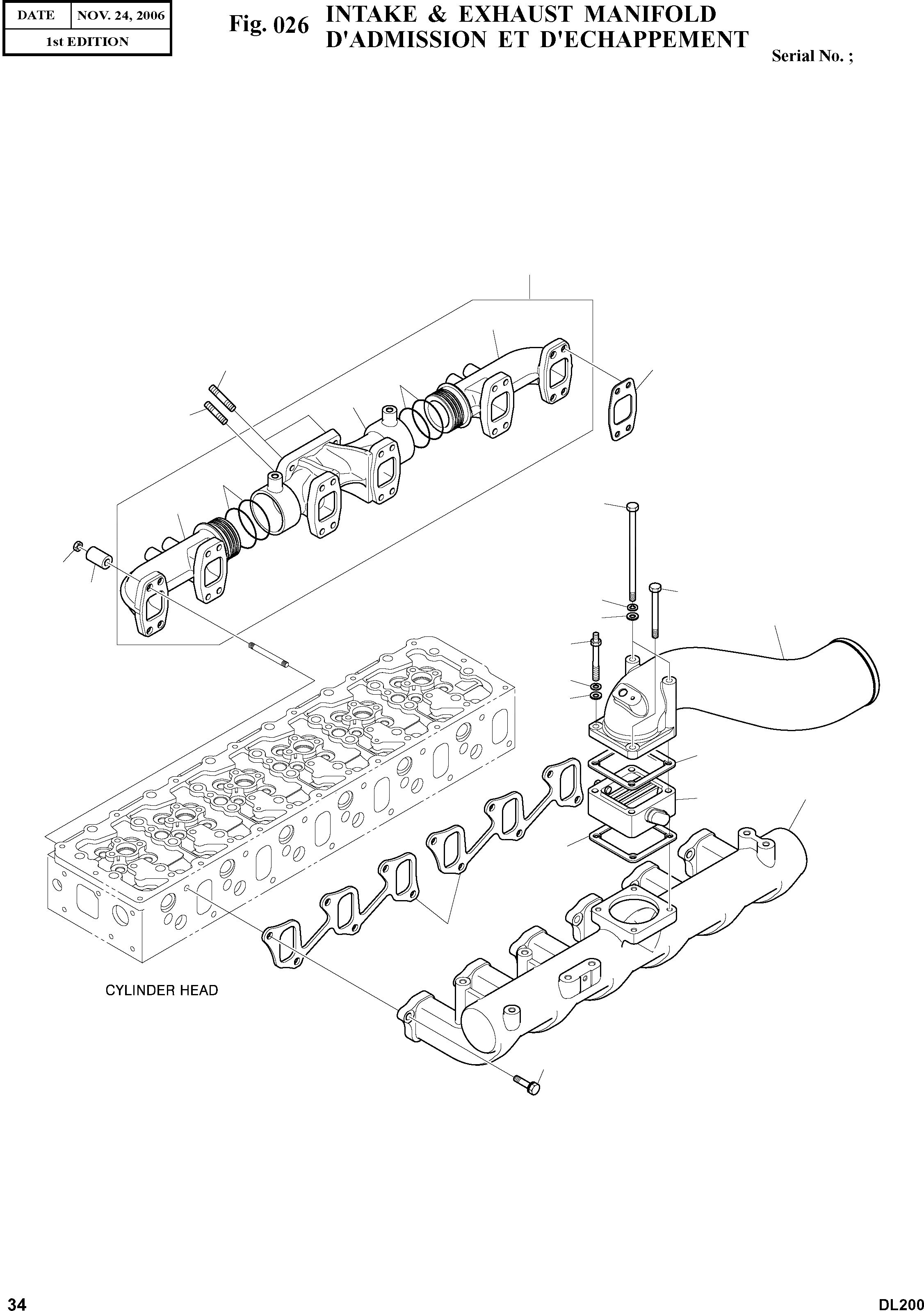
3
8
5
4
2
9
4
18
3
6
7
17
21
16
20
19
21
20
31
11
30
31
14
15
FIT
1:1
100%

Артикул

Название

Примечание

Количество

1

65.08100-6088A

EXHAUST MANIFOLD ASS'Y

desc: TUBULURE D'ECHAPPEMENT

1шт.

2

65.08101-0263

MANIFOLD;EXHAUST

desc: . TUBULURE D'ECHAPPEMENT

1шт.

3

65.08101-0264

MANIFOLD;EXHAUST

desc: . TUBULURE D'ECHAPPEMENT

2шт.

4

65.96507-0059

RING;SEAL

desc: . BAGUE D'ETANCHEITE

6шт.

5

65.08901-0045

GASKET;EXHAUST MANIFOLD

desc: JOINT

6шт.

6

65.90535-0003

NUT

desc: ECROU 6 PANS M8

24шт.

7

65.91701-0086

SPACER

desc: BAGUE D'ECARTEMENT

24шт.

8

65.90201-0076

BOLT

desc: GOUJON

2шт.

9

65.90201-0073

BOLT

desc: GOUJON

2шт.

11

65.08201-5075

MANIFOLD;INTAKE

desc: COLLECTEUR

1шт.

14

65.08902-0030A

GASKET;INTAKE MANIFOLD

desc: JOINT

2шт.

15

06.01923-3218

BOLT

desc: BOULON A 6 PANS

12шт.

16

65.08202-0194

STAKE;INTAKE

desc: TUBULURE D'ADIMISSION

1шт.

17

06.01923-3125

BOLT

desc: BOULON A 6 PANS

1шт.

18

06.01013-9130

BOLT

desc: BOULON A 6 PANS

2шт.

19

65.90201-0136

BOLT

desc: BOULON A 6 PANS

1шт.

20

06.15010-2311

WASHER

desc: CALE

3шт.

21

06.16731-2107

WASHER;SPRING

desc: RONDELLE ELASTIQUE

3шт.

30

65.26803-7028B

AIR HEATER

desc: RECHAUFFEUR D'AIR

1шт.

31

65.09904-0008

GASKET;AIR HEATER

desc: JOINT

2шт.

Выбрано товаров: 20