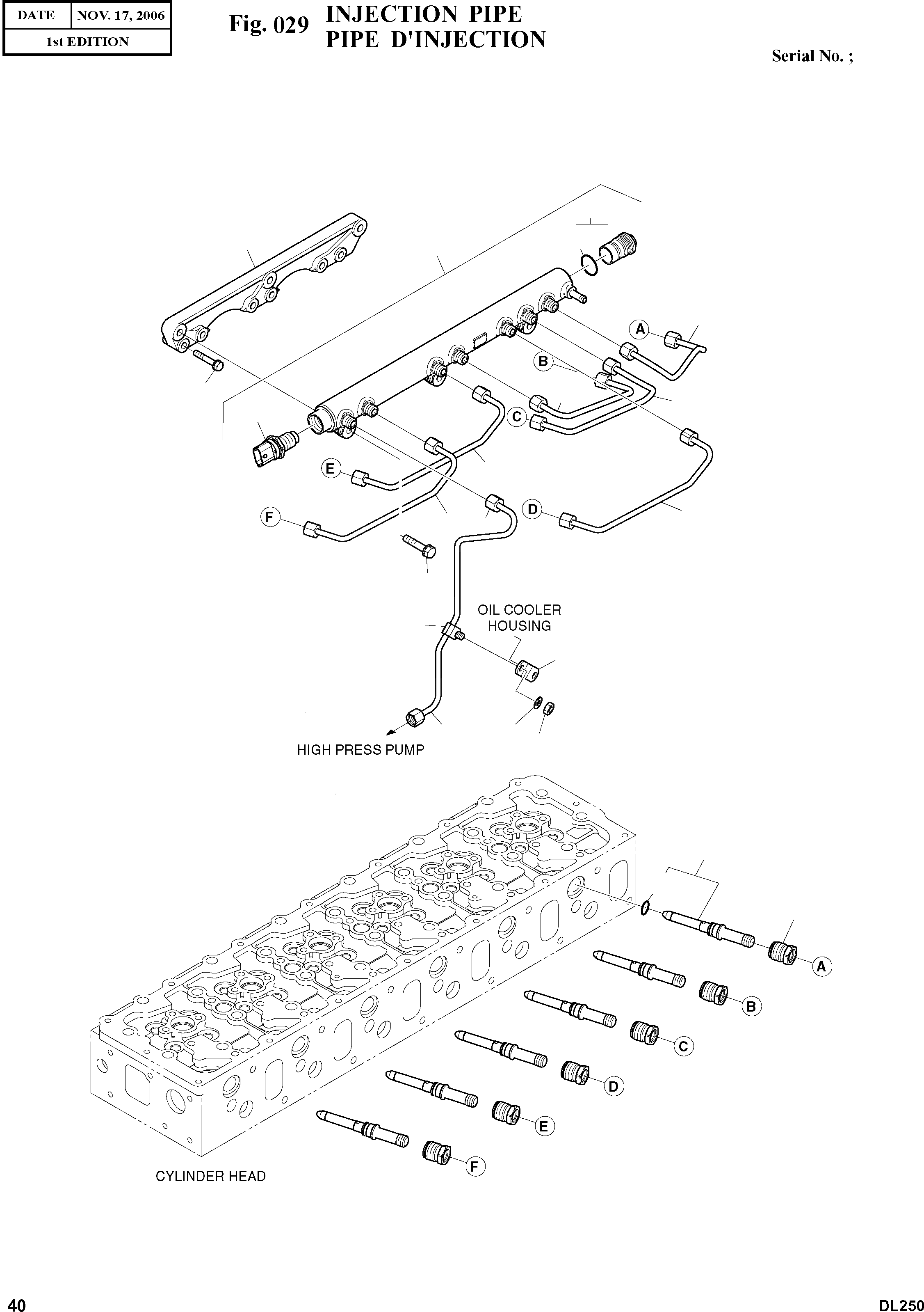
Запчасти Doosan Daewoo INJECTION PIPE ENGINE PARTS
22
23
30
20
1
32
2
3
21
4
4
4
5
31
8
9
11
5
10
15
16
17
1
65.10301-6191
PIPE;INJECTION
desc: TUYAU D'INJECTEUR
1шт.
2
65.10301-6192
PIPE;INJECTION
desc: TUYAU D'INJECTEUR
1шт.
3
65.10301-6193
PIPE;INJECTION
desc: TUYAU D'INJECTEUR
1шт.
4
65.10301-6194
PIPE;INJECTION
desc: TUYAU D'INJECTEUR
3шт.
5
65.10301-6195
PIPE;INJECTION
desc: TUYAU D'INJECTEUR
1шт.
8
65.97401-6039
CLIP;PIPE
desc: ATTACHE
1шт.
9
65.97480-0220
HOLDER
desc: SUPPORT
1шт.
10
06.11063-8214
NUT
desc: ECROU 6 PANS M8
1шт.
11
06.16731-2107
WASHER
desc: CALE
1шт.
15
65.10410-6003A
H.P.CONNECTOR
desc: CONNECTEUR
6шт.
16
65.96501-0438
O-RING
desc: . JOINT TORIQUE
1шт.
17
65.10415-0001
NUT
desc: ECROU 6 PANS M8
6шт.
20
65.10601-6004A
COMMON RAIL ASS'Y
desc: CHEMIN DE FER
1шт.
21
65.27114-5002
SENSOR;RAIL PRESSURE
desc: . SENSER;RAIL
1шт.
22
65.52122-6002
VALVE;PRESSURE LIMITING
desc: . VANNE
1шт.
23
65.96501-0431
O-RING
desc: .. JOINT TORIQUE
1шт.
30
65.10610-0003
BRACKET;MOUNTING
desc: SUPPORT
1шт.
31
06.01913-3118
BOLT
desc: BOULON A 6 PANS
3шт.
32
06.01913-3119
BOLT
desc: BOULON A 6 PANS
6шт.
Выбрано товаров: 0