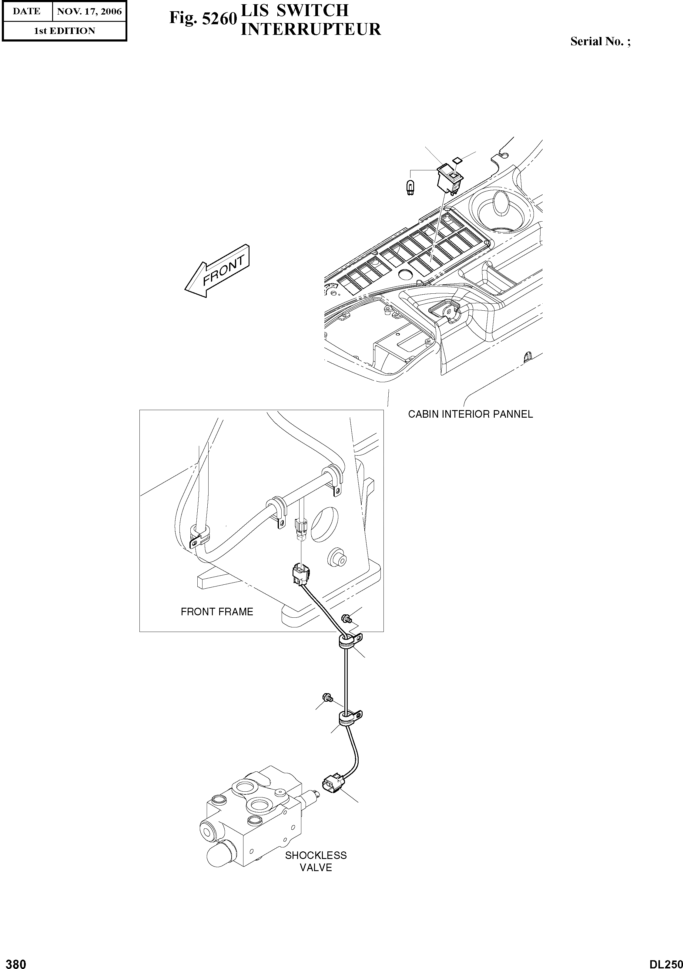
Запчасти Doosan Daewoo LIS SWITCH OPTION PARTS

1
2
1-1
6
5
6
5
3
FIT
1:1
100%

Артикул

Название

Примечание

Количество

-

K1015704A

LIS - OPTION

SC: D

-2шт.

1

549-00083

SWITCH;ROCKER

desc: INTERRUPTEUR

1шт.

1-1

K9000353

LAMP;PILOT

desc: . LAMPE

1шт.

2

2190-2036D3

INSERT;LIS SWITCH

desc: INSERTION

1шт.

3

K1007220

HARNESS

desc: FAISCEAU

1шт.

5

124-00208D2

CLIP

desc: ATTACHE

2шт.

6

K1001029

BOLT

desc: BOULON A 6 PANS

2шт.

Выбрано товаров: 0