Запчасти Doosan Daewoo AIRCONDITIONER(3) BODY PARTS

32
32-14
32-13
32-15
32-5
32-7
32-3
32-4
32-12
32-10
32-1
32-2
32-11
32-6
32-9
32-8
FIT
1:1
100%

Артикул

Название

Примечание

Количество

-

K1010958A

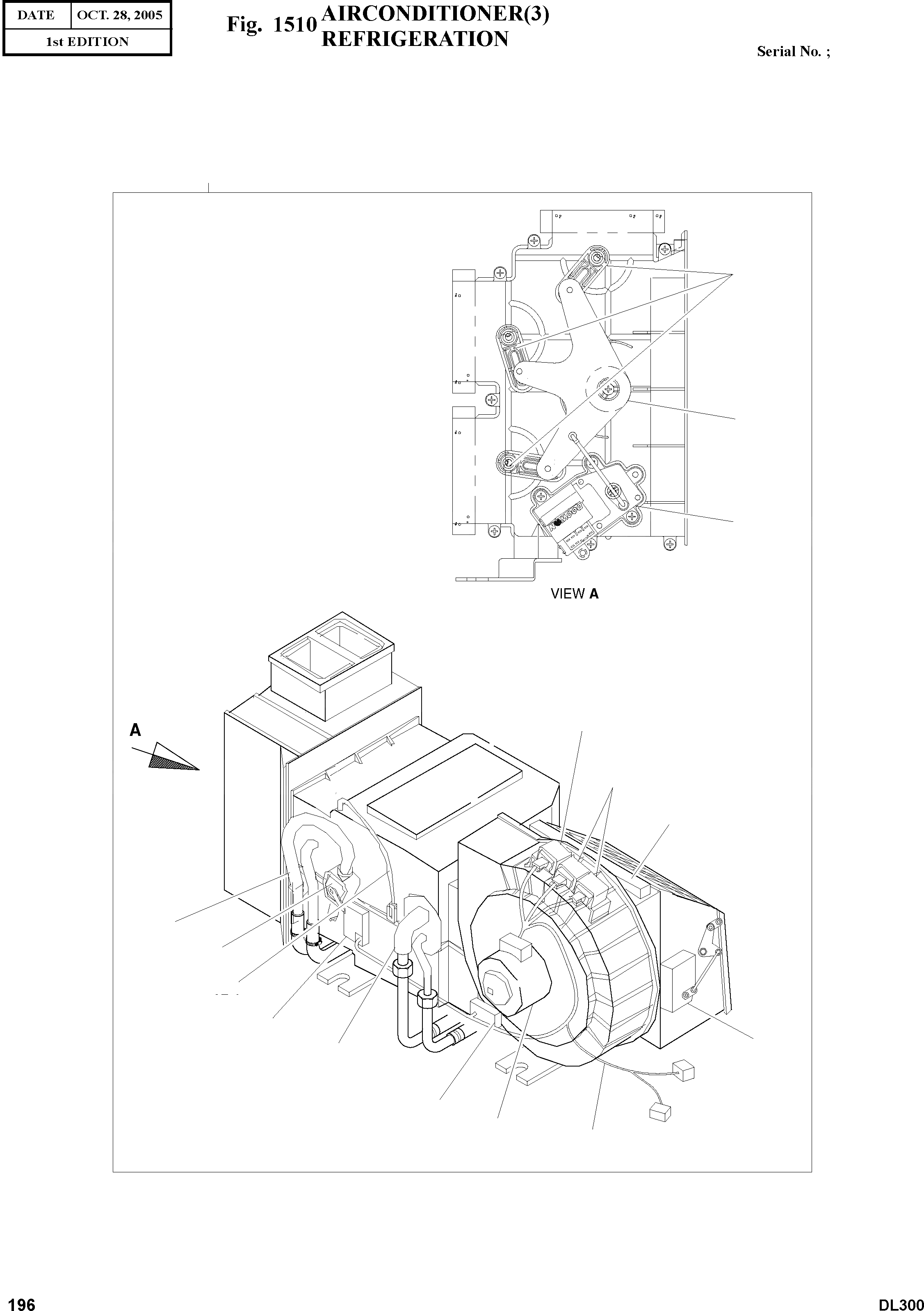
AIRCONDITIONER(3)

SC: D

-2шт.

32

4920-9050A

UNIT;AIRCON

desc: UNITE DE CLIGNOTANTS

1шт.

32-1

2538-6015

MOTOR;BLOWER

desc: . MOTEUR

1шт.

32-2

545-00003

RESISTOR;BLOWER

desc: . RESISTOR

1шт.

32-3

2544-6023

RELAY;BLOWER(10A)

desc: . RELAIS DEMARREUR

2шт.

32-4

2544-6024

RELAY;BLOWER(20A)

desc: . RELAIS DEMARREUR

1шт.

32-5

2538-6016

MOTOR;INTAKE

desc: . MOTEUR

1шт.

32-6

2538-6017

MOTOR;MIX

desc: . MOTEUR

1шт.

32-7

2471-6050A

FILTER;AIRCON

desc: . FILTRE

1шт.

32-8

2426-6048

VALVE;STEM

desc: . VANNE

1шт.

32-9

2547-6033

THERMISTOR;AIRCON

desc: . CAPTEUR REGIME

1шт.

32-10

2530-6005

HARNESS; AIRCON UNIT

desc: . FAISCEAU

1шт.

32-11

2920-6111

EVAPORATOR CORE ASS'Y

desc: . CHAUFFAGE

1шт.

32-12

2920-6112

HEATER CORE ASS'Y

desc: . CHAUFFAGE

1шт.

32-13

431-00001

LEVER;MAIN

desc: . LEVIER

1шт.

32-14

431-00002

LEVER;SUB

desc: . LEVIER

3шт.

32-15

538-00002

MOTOR

desc: . MOTEUR

1шт.

Выбрано товаров: 17