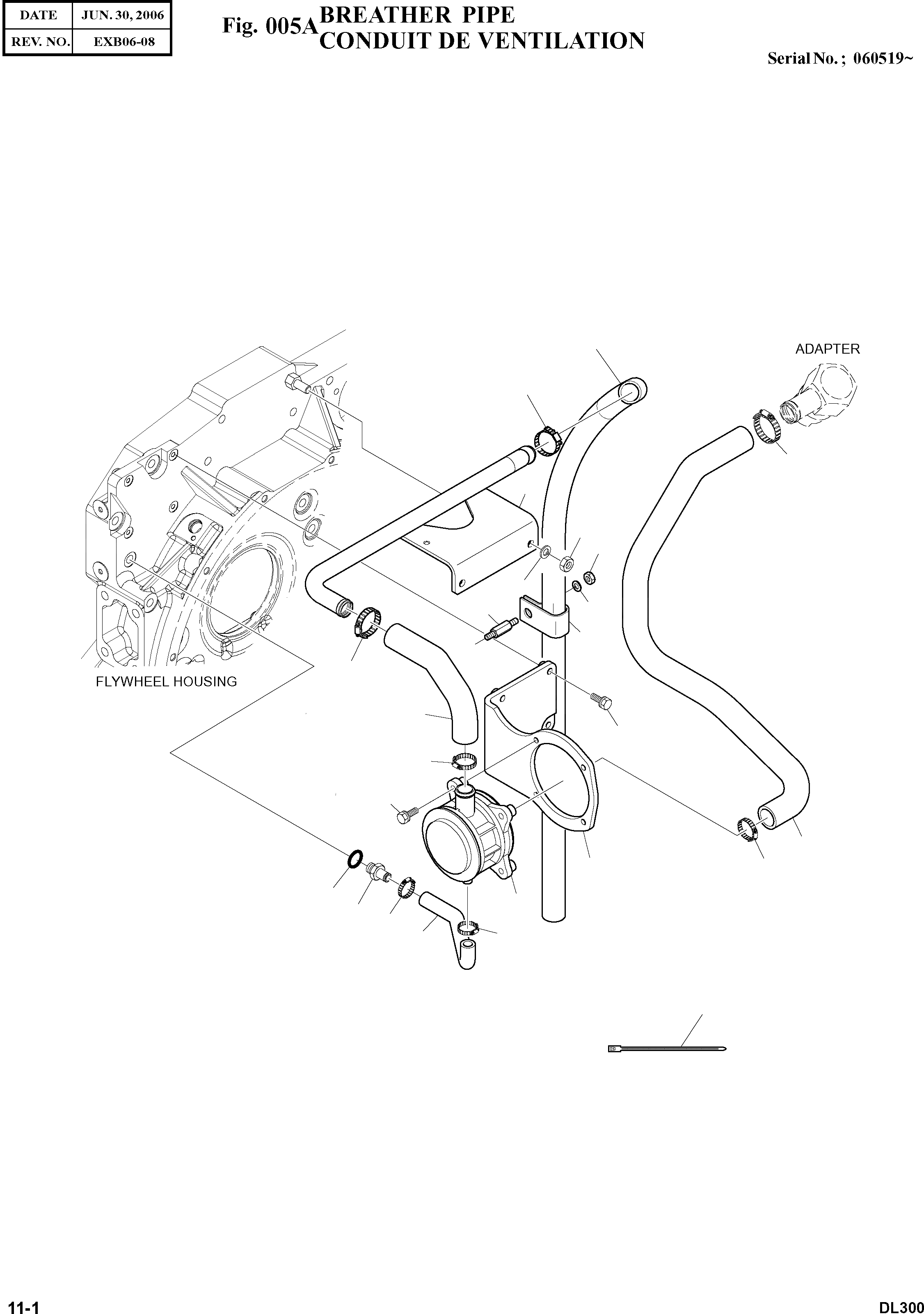
Запчасти Doosan Daewoo BREATHER PIPE ENGINE PARTS

420
430
240
100
130
470
120
440
460
450
220
200
80
220
20
230
70
240
60
10
50
40
40
30
250
FIT
1:1
100%

Артикул

Название

Примечание

Количество

10

65.01801-5100

HOUSING;BREATHER

SERIAL: 060519

1шт.

20

06.01923-3114

BOLT ASS'Y M8X22

desc: BOULON A 6 PANS

4шт.

30

65.96301-0465

HOSE;RUBBER

desc: TUYAU FLEXIBLE

1шт.

40

06.67020-0101

CLAMP;HOSE

desc: ATTACHE

2шт.

50

65.98131-0097

NIPPLE

desc: MAMELON

1шт.

60

06.56190-0706

RING;SEAL A14X20

desc: BAGUE D'ETANCHEITE

1шт.

70

65.01840-5004

BRACKET;BREATHER PIPE

desc: SUPPORT

1шт.

80

06.01913-3117

BOLT ASS'Y M80X30

desc: BOULON A 6 PANS

4шт.

100

65.01802-5034

PIPE;BREATHER

desc: PIPE;BREATHER

1шт.

120

06.16731-2108

WASHER

desc: RONDELLE

2шт.

130

06.11063-8215

NUT

desc: ECROU 6 PANS

2шт.

200

65.96301-0466

HOSE;RUBBER

desc: TUYAU FLEXIBLE

1шт.

220

06.67020-0105

CLAMP

desc: COLLIER

2шт.

230

65.96301-0467

HOSE;RUBBER

desc: TUYAU FLEXIBLE

1шт.

240

06.67020-0105

CLAMP

desc: COLLIER

2шт.

250

65.97460-0002

CABLE

desc: CABLE

1шт.

420

65.96301-0438

HOSE;RUBBER

desc: TUYAU FLEXIBLE

1шт.

430

06.67020-0105

CLAMP

desc: COLLIER

1шт.

440

65.90201-0122

BOLT;STUD

desc: BOULON A 6 PANS

1шт.

450

65.97401-5019

CLIP;PIPE

desc: ATTACHE

1шт.

460

06.16731-2107

WASHER;SPRING

desc: RONDELLE ELASTIQUE

1шт.

470

06.11063-8214

NUT

desc: ECROU 6 PANS

1шт.

Выбрано товаров: 22