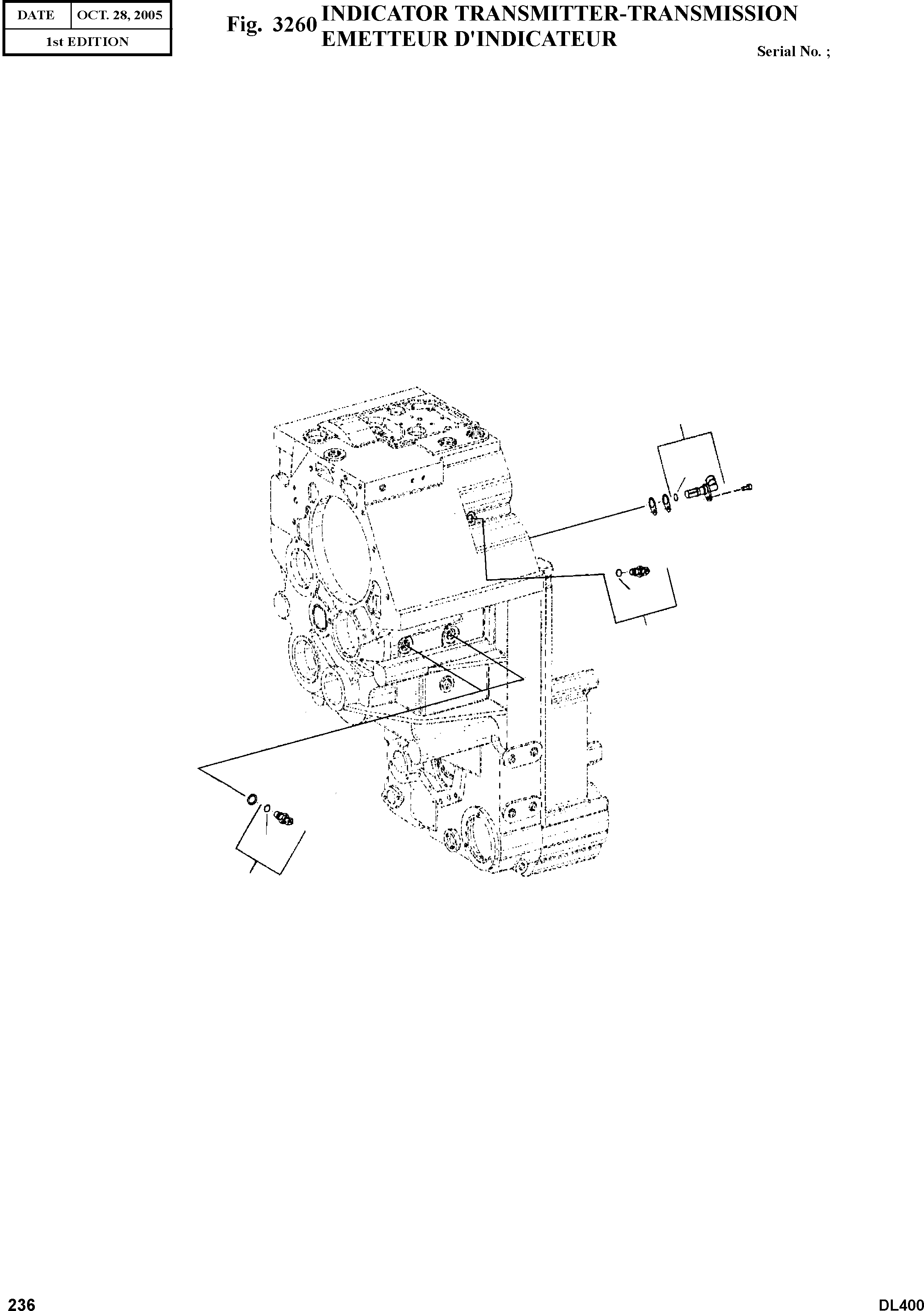
Запчасти Doosan Daewoo INDICATOR TRANSMITTER-TRANSMISSION HYDRAULIC PARTS

40A
40
43
41
42
31
30
60
31
30
FIT
1:1
100%

Артикул

Название

Примечание

Количество

30

1.549-00011

INDICATOR TRANSMITTER-TRANSMISSION

desc: CAPTEUR IMPULS.

3шт.

31

K9000086

O-RING

desc: . JOINT TORIQUE

3шт.

40

1.549-00015

TRANSMITTER;SPEED

desc: CAPTEUR TACHYM.

1шт.

40A

1.180-00061

O-RING

desc: . JOINT TORIQUE

1шт.

41

2.461-00001

SHEET

desc: TOLE DE PROT.

3шт.

42

2.461-00001

SHEET

desc: TOLE DE PROT.

1шт.

43

1.120-00102

SCREW

desc: VIS

1шт.

60

1.114-00224

RING;SHIM T=1.5

SC: R

1шт.

60

2.114-00697

RING;SHIM T=1.4

SC: R

1шт.

60

1.114-00225

RING;SHIM T=1.2

SC: R

1шт.

60

2.114-00698

RING;SHIM T=1.0

SC: R

1шт.

60

1.114-00226

RING;SHIM T=2.0

SC: R

1шт.

60

1.114-00227

RING;SHIM T=0.5

SC: R

1шт.

60

1.114-00228

RING;SHIM T=0.3

SC: R

1шт.

60

K9000028

RING;SHIM T=0.2

SC: R

1шт.

60

1.114-00229

RING;SHIM T=1.6

SC: R

1шт.

60

1.114-00230

RING;SHIM T=1.8

SC: R

1шт.

Выбрано товаров: 17