Качественные детали и логистика
Оригинальные и аналоговые запчасти с доставкой по России, Казахстану и Беларуси
©2022 PartSell ООО "Система" ИНН 2463123282 ОГРН 1212400004838
Центральный офис: г. Красноярск, Академика Киренского, д.87, пом.4
Телефон: 8 (800) 777-65-74 Email: zakaz@partsell.ru
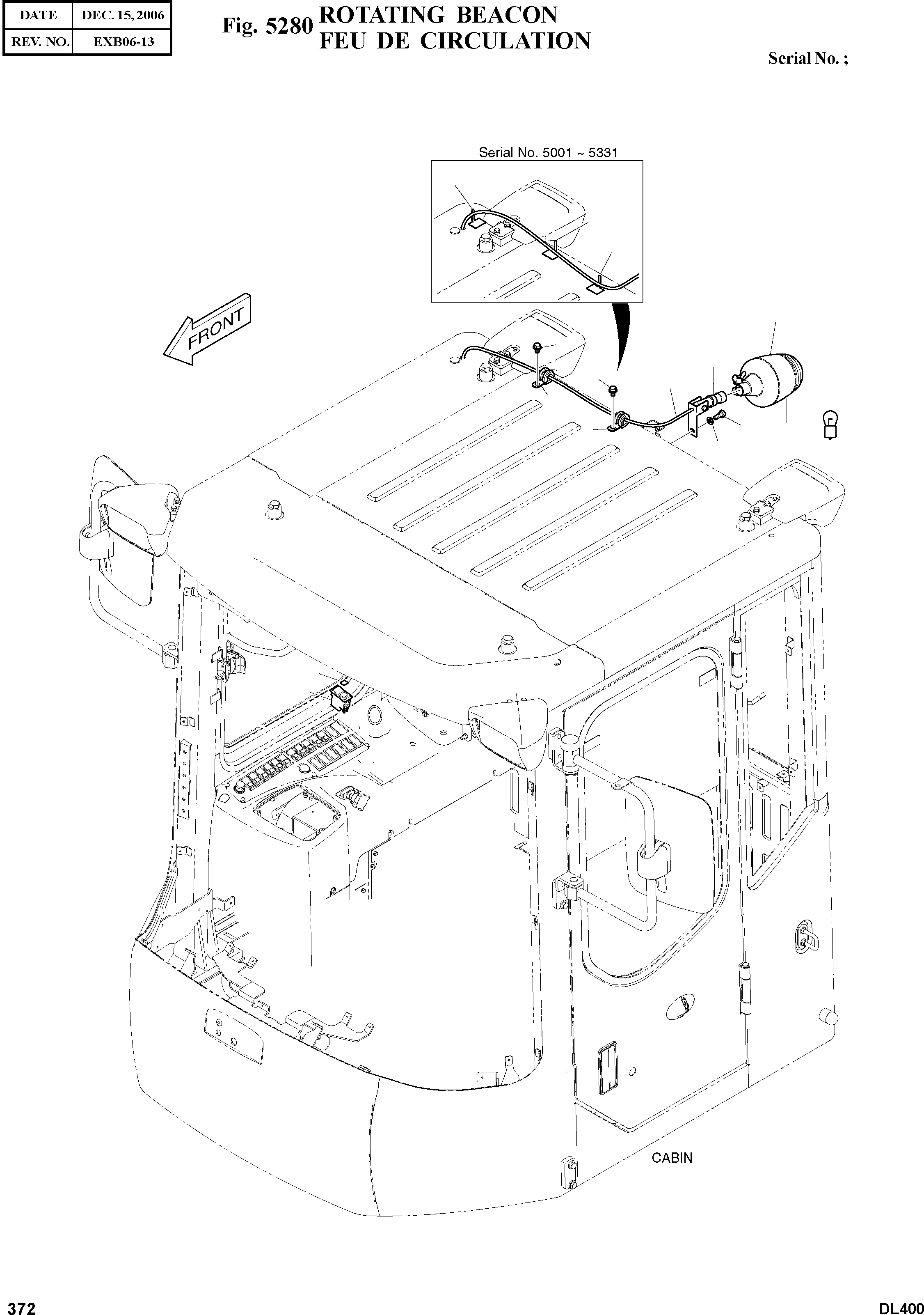
ROTATING BEACON
№
Артикул
Название
Примечание
Количество
-
K1006278A
SC: D
-2шт.
1
2549-9098
SWITCH;ROCKER
desc: COMMUTATEUR
1шт.
2
2190-2036D10
INSERT;ROTATING BEACON
desc: INSERTION
3
160-00061
BUSHING;MOUNTING(SWIVELLING)
desc: MANCHON
4
S5102503
WASHER;SPRING
desc: RONDELLE ELASTIQUE M8
2шт.
5
S0508853
BOLT
desc: BOULON A 6 PANS
6
K1008765
HARNESS;BEACON
desc: FAISCEAU
7
534-00062
LAMP ASSY;ROTATING BEACON
desc: FEU DE CIRCULATION
7-1
515-00013
BULB
desc: . AMPOULE
8
2128-1209D1
CLAMP;SUS
SERIAL: 5001-5331
3шт.
9
124-00208D2
CLIP
SERIAL: 5332
10
K1001029
Выбрано товаров: 0