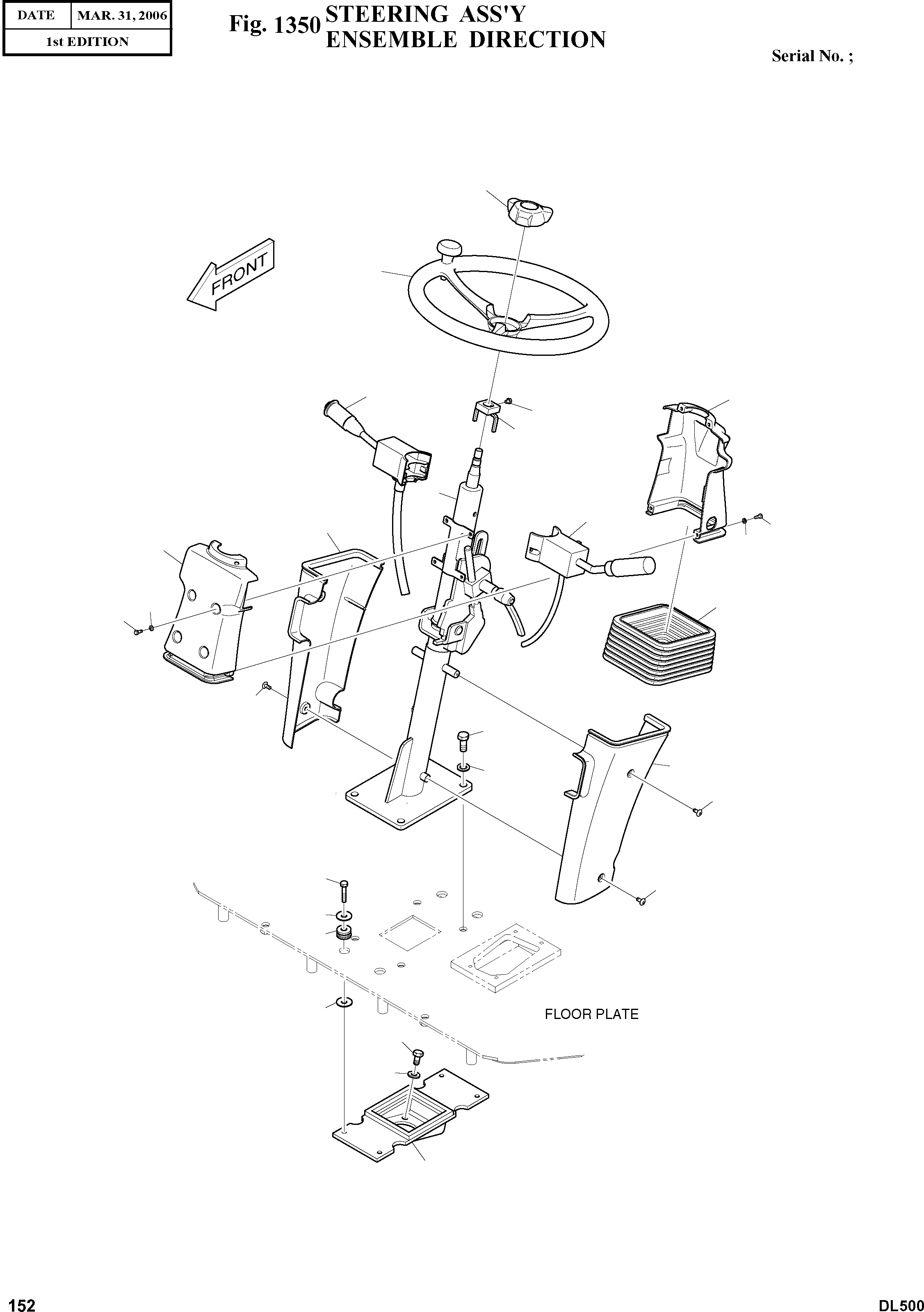
Запчасти Doosan Daewoo STEERING ASSY BODY PARTS

23
10
7
4
12
11
1
6
3
8
5
9
9
22
8
13
14
2
15
13
18
13
19
17
19
20
21
16
FIT
1:1
100%

Артикул

Название

Примечание

Количество

-

K1006043A

STEERING ASS'Y

SC: D

-2шт.

1

K1006044

COLUMN

desc: PILIER

1шт.

2

K1006049

COVER

desc: COUVERCLE

1шт.

3

K1006050

COVER

desc: COUVERCLE

1шт.

4

K1006053

COVER

desc: COUVERCLE

1шт.

5

K1006054

COVER

desc: COUVERCLE

1шт.

6

4549-6072

SWITCH;SELECTOR (L.H)

desc: SELECTEUR

1шт.

7

4549-9418

SWITCH;COLUMN (R.H)

desc: INTERRUPTEUR

1шт.

8

2120-2166D8

BOLT

desc: BOULON A 6 PANS

8шт.

9

2114-1898D4

WASHER

desc: CALE

8шт.

10

K1013184

WHEEL

desc: VOLANT

1шт.

11

4142-1160C

STRIKER

desc: FRAPPER

1шт.

12

S0504253

BOLT

desc: BOULON A 6 PANS

1шт.

13

2120-2166D10

BOLT

desc: BOULON A 6 PANS

4шт.

14

2120-2166D32

BOLT

desc: BOULON A 6 PANS

4шт.

15

2114-1898D6

WASHER

desc: CALE

4шт.

16

K1007019B

PLATE

desc: PLAQUE

1шт.

17

4161-9036

MOUNT;FLEX

desc: ENSEMBLE SUPPORT DE MONTAGE

4шт.

18

2120-2166D29

BOLT

desc: BOULON A 6 PANS

4шт.

19

2114-1898D16

WASHER

desc: CALE

8шт.

20

2120-2166D4

BOLT

desc: BOULON A 6 PANS

4шт.

21

2114-1898D1

WASHER

desc: CALE

4шт.

22

K1013263

BOOT

desc: GAINE DE PROTECTION

1шт.

23

K1013279

CAP;OPERATOR

desc: CHAPEAU

1шт.

Выбрано товаров: 24