Запчасти Doosan Daewoo IND. TRANSMITTER HYDRAULIC PARTS

40
44
41
42
43
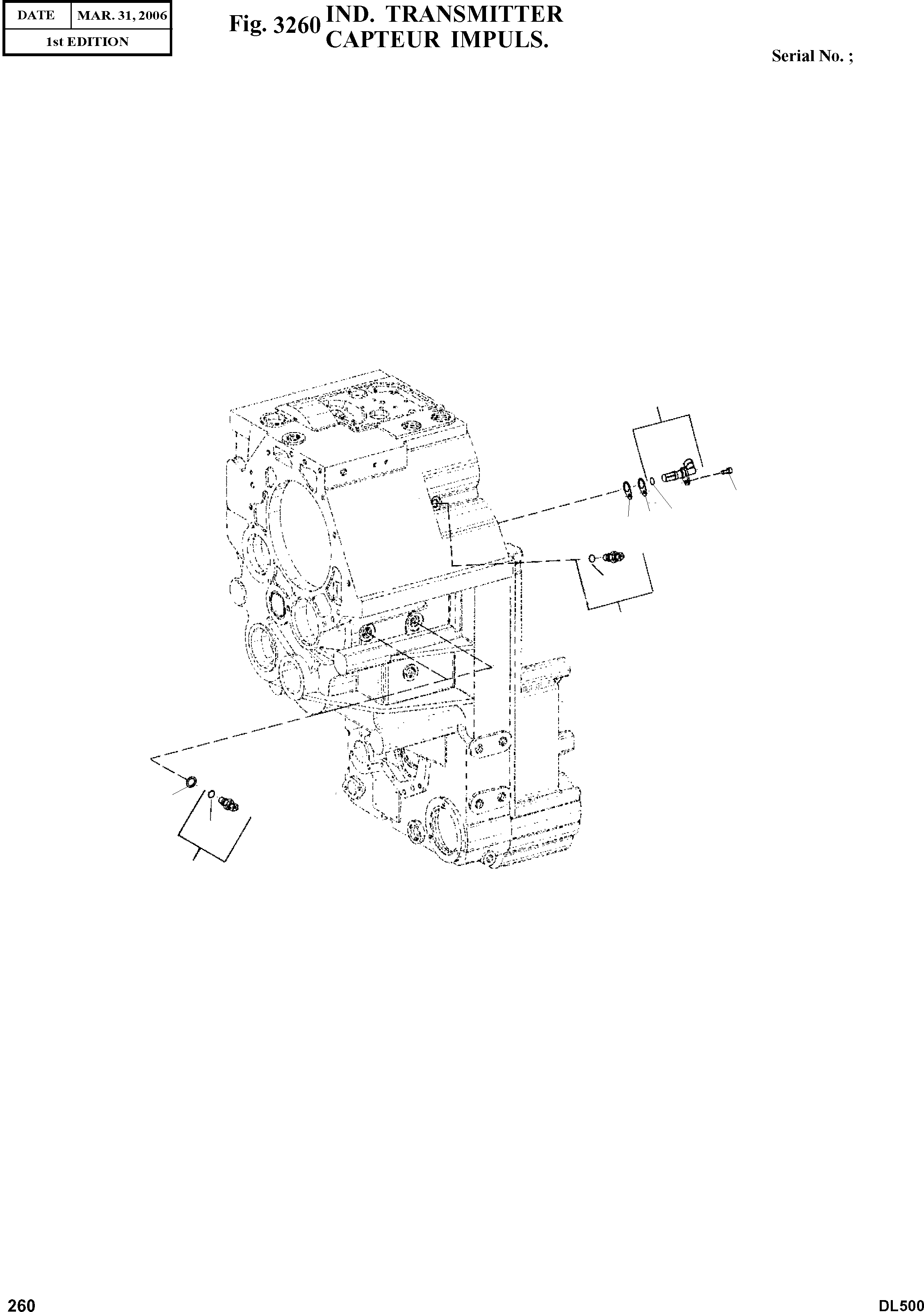
31
30
60
31
30
FIT
1:1
100%

Артикул

Название

Примечание

Количество

30

1.549-00011

IND.TRANSMITTER

desc: CAPTEUR IMPULS.

3шт.

31

K9000086

O-RING

desc: . JOINT TORIQUE

3шт.

40

1.549-00015

TRANSMITT;SPEED

desc: CAPTEUR TACHYM

1шт.

41

K9003489

O-RING

desc: . JOINT TORIQUE

1шт.

42

2.461-00001

SHEET

desc: TOLE DE PROT.

3шт.

43

2.461-00001

SHEET

desc: TOLE DE PROT.

1шт.

44

1.120-00102

SCREW;CAP

desc: VIS

1шт.

60

1.114-00224

SHIM RING 18X25X1.5

SC: R

1шт.

60

2.114-00697

SHIM RING 18X25X1.4

SC: R

1шт.

60

1.114-00225

SHIM RING 18X25X1.2

SC: R

1шт.

60

2.114-00698

SHIM RING 18X25X1.0

SC: R

1шт.

60

1.114-00226

SHIM RING 18X25X2.0

SC: R

1шт.

60

1.114-00227

SHIM RING 18X25X0.5

SC: R

1шт.

60

1.114-00228

SHIM RING 18X25X0.3

SC: R

1шт.

60

K9000028

SHIM RING 18X25X0.2

SC: R

1шт.

60

1.114-00229

SHIM RING 18X25X1.6

SC: R

1шт.

60

1.114-00230

SHIM RING 18X25X1.8

SC: R

1шт.

Выбрано товаров: 17