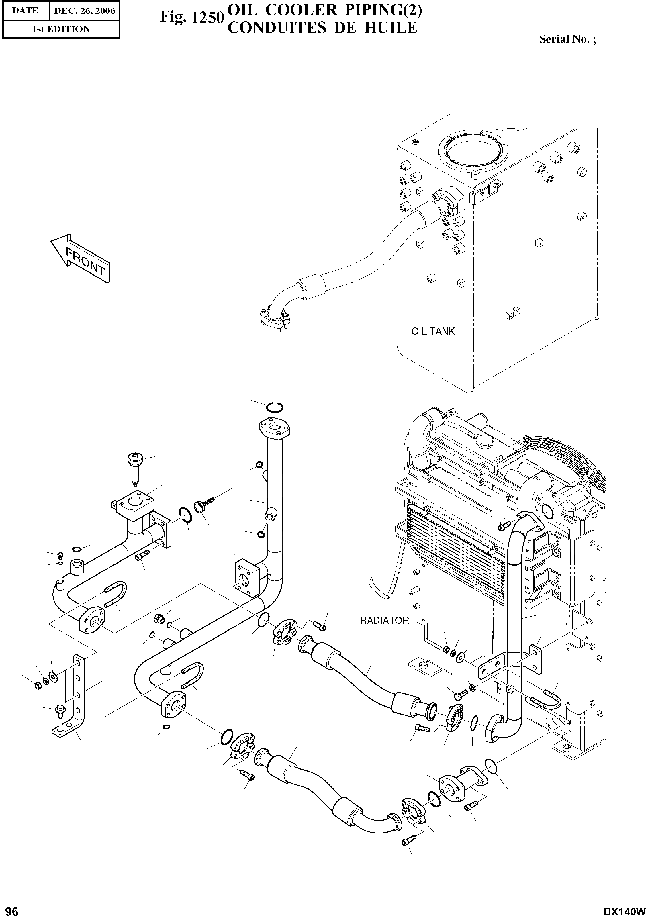
Запчасти Doosan Daewoo OIL COOLER PIPING(2) BODY PARTS

21
9
40
4
21
3
23
40
10
21
17
35
41
24
52
24
40
36
8
29
37
31
30
21
40
30
31
13
16
29
31
8
39
8
28
12
40
24
7
16
21
21
38
16
21
24
21
23
16
24
FIT
1:1
100%

Артикул

Название

Примечание

Количество

-

K1013373C

OIL COOLER PIPING

SC: D

-2шт.

3

K1009512A

PIPE

desc: TUYAU

1шт.

4

K1009469A

PIPE

desc: TUYAU

1шт.

7

195-02725A

BRACKET

desc: SUPPORT

1шт.

8

120-00317

BOLT;U

desc: BOULON

3шт.

9

K1017740A

VALVE;BY-PASS

desc: VANNE BY-PASS

1шт.

10

K1017741

VALVE;BY-PASS

desc: VANNE BY-PASS

1шт.

12

DS2040537

HOSE

desc: TUYAU FLEXIBLE

1шт.

13

DS2038221

HOSE

desc: TUYAU FLEXIBLE

1шт.

16

4215-1003D5

FLANGE

desc: BRIDE

8шт.

17

S8000231

O-RING

desc: JOINT TORIQUE

1шт.

21

2180-1026D28

O-RING

desc: JOINT TORIQUE

8шт.

23

S2215266

BOLT;SOCKET

desc: BOULON A 6 PANS CREUX

4шт.

24

S2215466

BOLT;SOCKET

desc: BOULON A 6 PANS CREUX

20шт.

28

DS0025020

BOLT;SET

desc: BOULON

2шт.

29

S4012733

NUT

desc: ECROU

6шт.

30

2114-1058D30

WASHER;PLAIN

desc: RONDELLE

6шт.

31

S5102703

WASHER;SPRING

desc: RONDELLE ELASTIQUE

8шт.

35

2181-1950D1

PLUG

desc: BOUCHON

1шт.

36

K1009470A

PIPE

desc: TUYAU

1шт.

37

K1009510A

PLATE

desc: PLAQUE

1шт.

38

K1009471

PIPE

desc: TUYAU

1шт.

39

S0515266

BOLT

desc: BOULON

2шт.

40

S8000181

O-RING

desc: JOINT TORIQUE

5шт.

41

S8000111

O-RING

desc: JOINT TORIQUE

1шт.

52

2181-1950D3

PLUG

desc: BOUCHON

1шт.

Выбрано товаров: 26