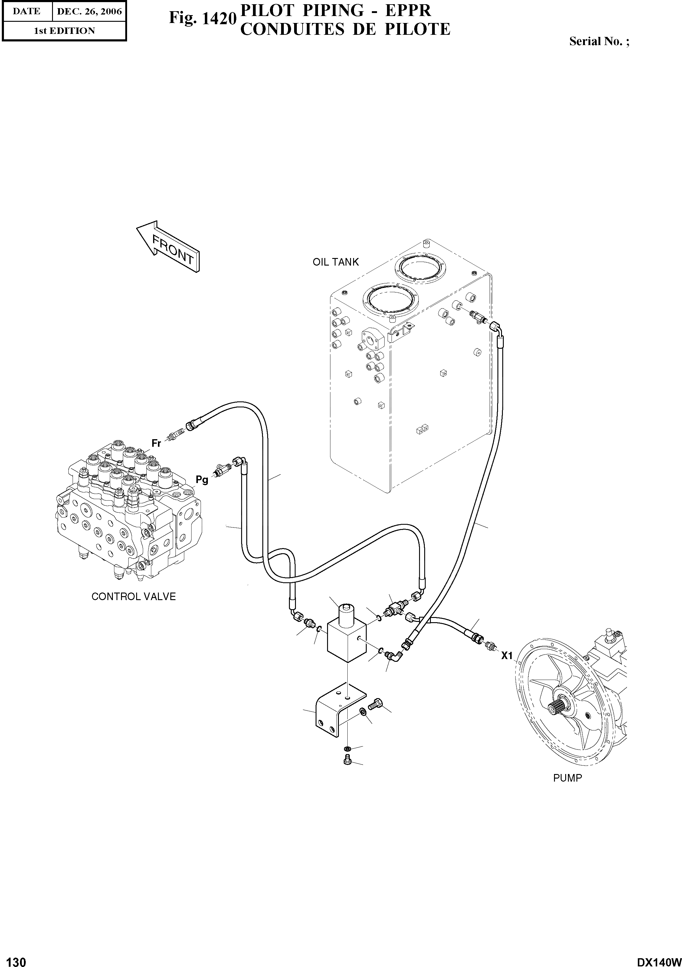
Запчасти Doosan Daewoo PILOT PIPING - EPPR BODY PARTS

6
5
8
3
1
9
7
14
9
9
4
2
13
11
10
12
FIT
1:1
100%

Артикул

Название

Примечание

Количество

-

K1003371A

PILOT PIPING(EPPR)

SC: D

-2шт.

1

426-00266

VALVE;EPPR

desc: VANNE

1шт.

2

195-02807C

BRACKET

desc: SUPPORT

1шт.

3

181-00779

TEE;SHUTTLE

desc: TE

1шт.

4

2181-1702D4

ELBOW

desc: COUDE

1шт.

5

DS2091086

HOSE

desc: TUYAU FLEXIBLE

1шт.

6

DS2093110

HOSE

desc: TUYAU FLEXIBLE

1шт.

7

DS2092024

HOSE

desc: TUYAU FLEXIBLE

1шт.

8

DS2093012

HOSE

desc: TUYAU FLEXIBLE

1шт.

9

S8000111

O-RING

desc: JOINT TORIQUE

3шт.

10

S5102503

WASHER;SPRING

desc: RONDELLE ELASTIQUE

2шт.

11

S5102603

WASHER;SPRING

desc: RONDELLE ELASTIQUE

2шт.

12

S0508666

BOLT

desc: BOULON

2шт.

13

S0512066

BOLT

desc: BOULON

2шт.

14

2471-1133

ADAPTER;FILTER

desc: FILTRE DE ADAPTEUR

1шт.

Выбрано товаров: 15