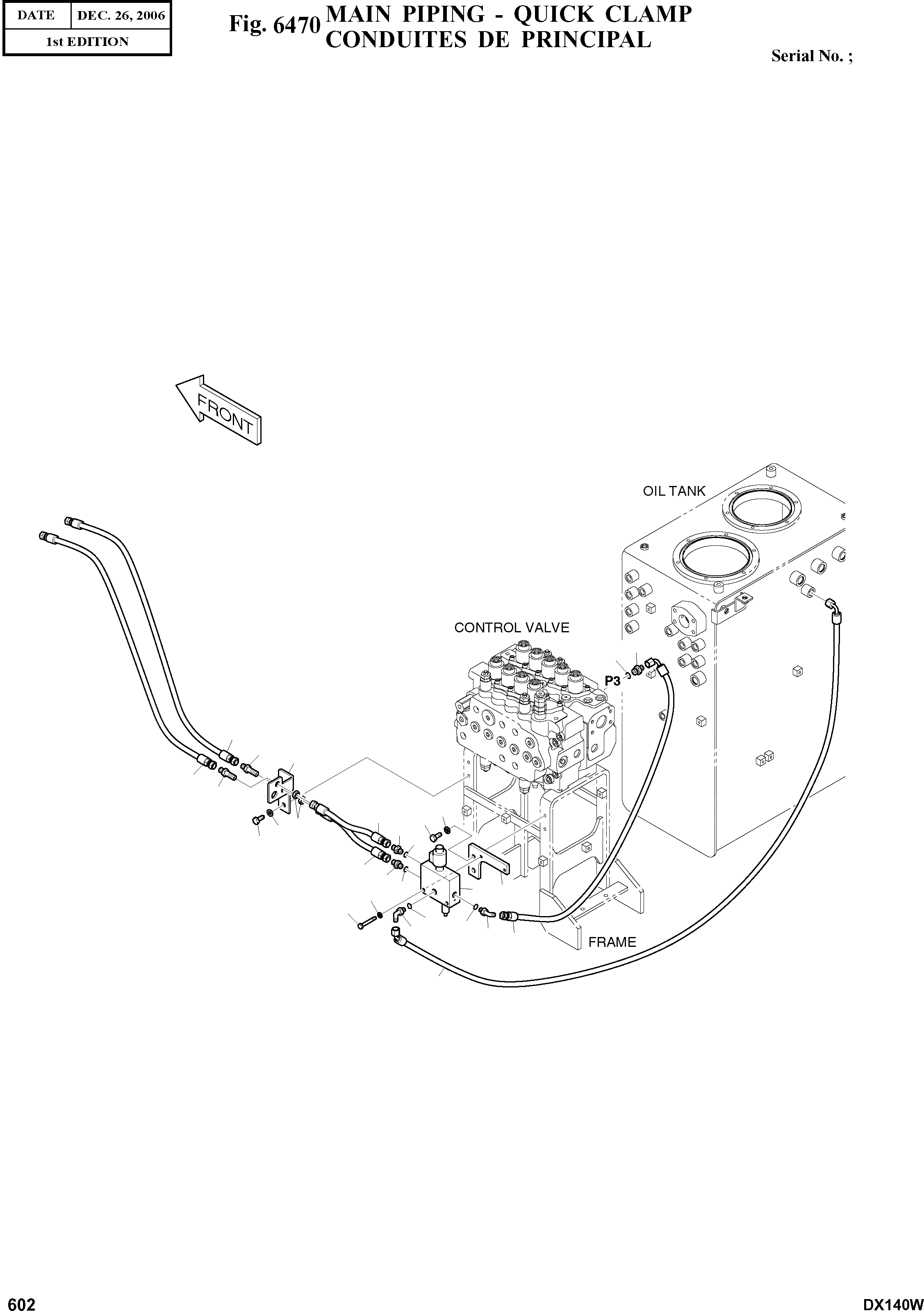
Запчасти Doosan Daewoo MAIN PIPING - QUICK CLAMP OPTION PARTS

14
6
14
11
7
3
10
7
18
9
16
4
6
18
16
13
6
14
1
17
2
15
14
14
5
5
8
12
FIT
1:1
100%

Артикул

Название

Примечание

Количество

-

K1018191B

QUICK CLAMP PIPING

SC: D

-2шт.

1

426-00287

VALVE;QUICK-FIT

desc: VANNE

1шт.

2

K1002911A

BRACKET

desc: SUPPORT

1шт.

3

K1003185B

PLATE

desc: PLAQUE

1шт.

4

121-00010D7

NUT

desc: ECROU

2шт.

5

2181-1702D4

ELBOW

desc: COUDE

2шт.

6

2181-1126D14

ADAPTER

desc: ADAPTEUR

3шт.

7

2181-2178

ADAPTER

desc: ADAPTEUR

2шт.

8

DS2055844

HOSE

desc: TUYAU FLEXIBLE

1шт.

9

DS2053893

HOSE

desc: TUYAU FLEXIBLE

1шт.

10

DS2053842

HOSE

desc: TUYAU FLEXIBLE

1шт.

11

DS2053843

HOSE

desc: TUYAU FLEXIBLE

1шт.

12

DS2090024

HOSE

desc: TUYAU FLEXIBLE

1шт.

13

DS2053894

HOSE

desc: TUYAU FLEXIBLE

1шт.

14

S8000111

O-RING

desc: JOINT TORIQUE

5шт.

15

S0556466

BOLT

desc: BOULON

2шт.

16

S0512066

BOLT

desc: BOULON

4шт.

17

S5102503

WASHER;SPRING

desc: RONDELLE ELASTIQUE

2шт.

18

S5102603

WASHER;SPRING

desc: RONDELLE ELASTIQUE

4шт.

Выбрано товаров: 19