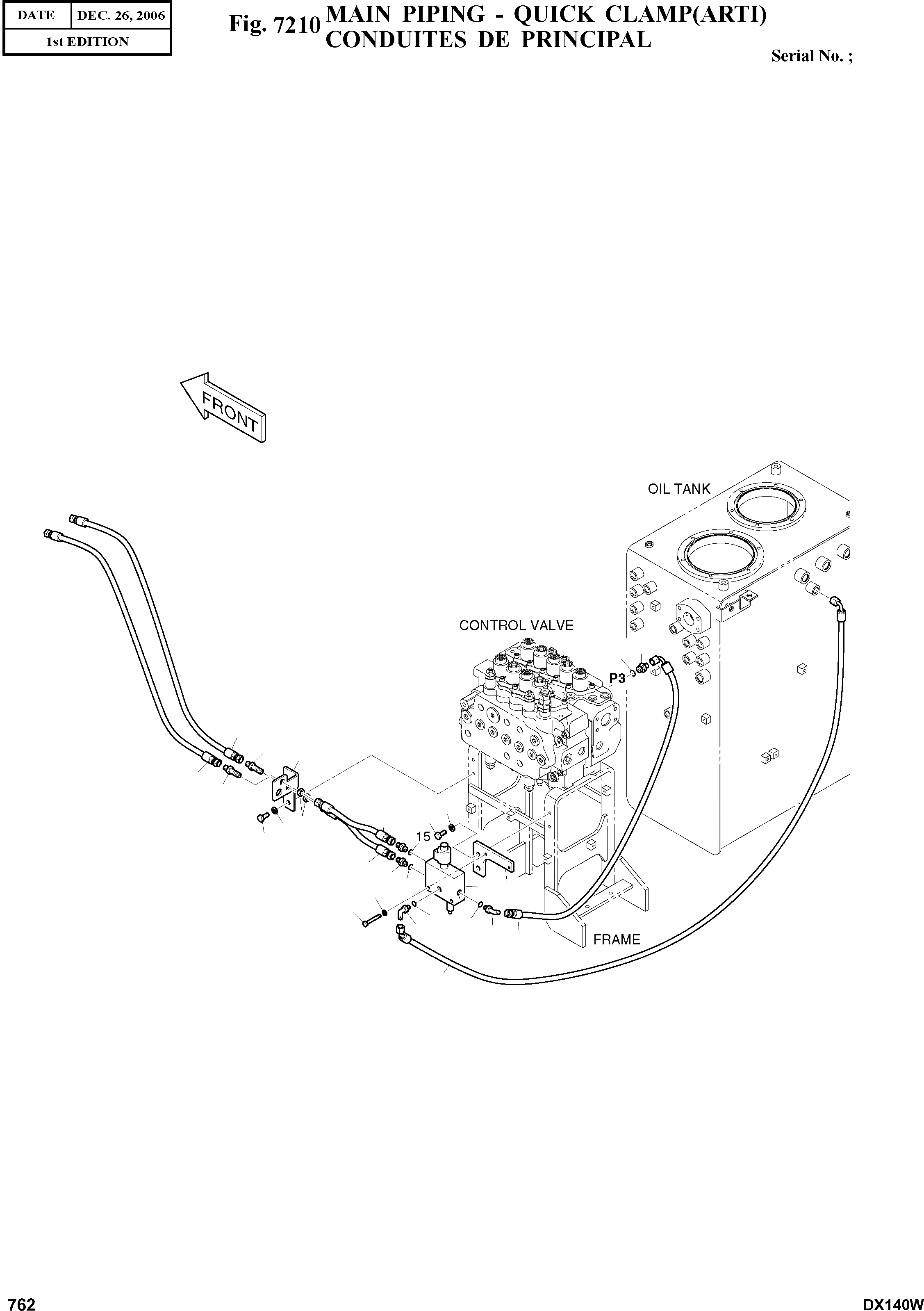
Запчасти Doosan Daewoo MAIN PIPING - QUICK CLAMP(ARTI) OPTION PARTS

6
15
12
7
3
11
7
19
10
17
4
6
19
17
14
6
15
1
18
2
16
15
15
5
5
9
13
FIT
1:1
100%

Артикул

Название

Примечание

Количество

-

K1018192A

QUICK CLAMP PIPING;ARTI

SC: D

-2шт.

1

426-00287

VALVE;QUICK-FIT

desc: VANNE

1шт.

2

K1002911A

BRACKET

desc: SUPPORT

1шт.

3

K1003185B

PLATE

desc: PLAQUE

1шт.

4

121-00010D7

NUT

desc: ECROU

2шт.

5

2181-1702D4

ELBOW

desc: COUDE

2шт.

6

2181-1126D14

ADAPTER

desc: ADAPTEUR

3шт.

7

2181-2178

ADAPTER

desc: ADAPTEUR

2шт.

9

DS2055844

HOSE

desc: TUYAU FLEXIBLE

1шт.

10

DS2053893

HOSE

desc: TUYAU FLEXIBLE

1шт.

11

DS2053919

HOSE

desc: TUYAU FLEXIBLE

1шт.

12

DS2053920

HOSE

desc: TUYAU FLEXIBLE

1шт.

13

DS2090024

HOSE

desc: TUYAU FLEXIBLE

1шт.

14

DS2053894

HOSE

desc: TUYAU FLEXIBLE

1шт.

15

S8000111

O-RING

desc: JOINT TORIQUE

5шт.

16

S0556466

BOLT

desc: BOULON

2шт.

17

S0512066

BOLT

desc: BOULON

4шт.

18

S5102503

WASHER;SPRING

desc: RONDELLE ELASTIQUE

2шт.

19

S5102603

WASHER;SPRING(M10)

desc: RONDELLE ELASTIQUE

4шт.

Выбрано товаров: 19