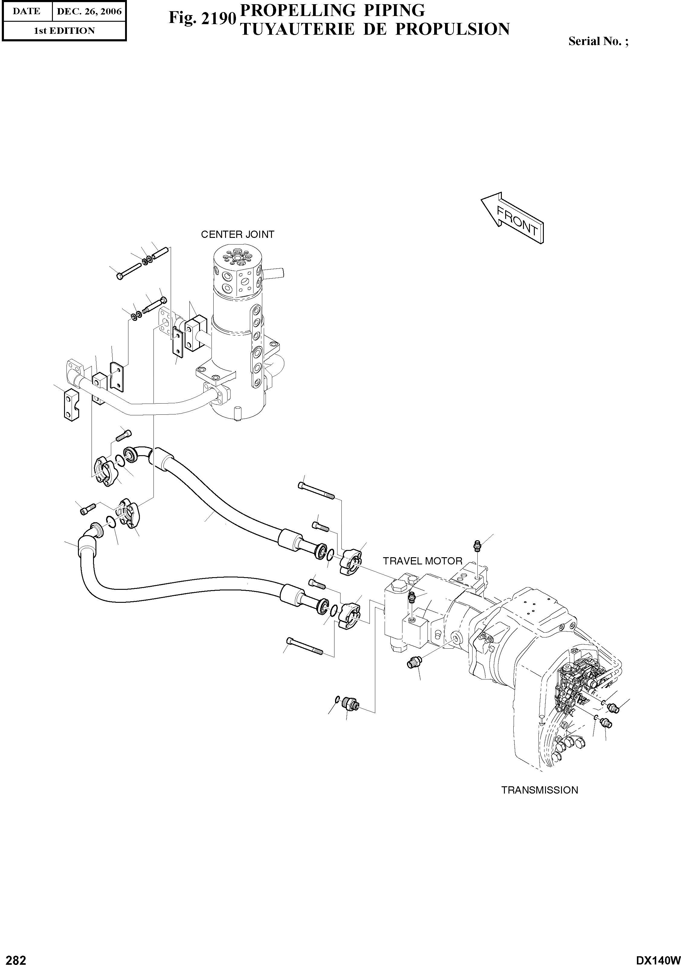
Запчасти Doosan Daewoo PROPELLING PIPING POWER TRAIN

14
17
18
16
16
14
13
18
17
15
13
15
13
6
7
19
3
6
6
2
11
19
1
19
3
6
3
19
11
3
7
4
10
9
5
12
4
9
FIT
1:1
100%

Артикул

Название

Примечание

Количество

-

400-01473E

PROPELLING PIPING

SC: D

-2шт.

1

DS2040430

HOSE

desc: TUYAU FLEXIBLE

1шт.

2

DS2039088

HOSE

desc: TUYAU FLEXIBLE

1шт.

3

2180-1026D19

O-RING

desc: JOINT TORIQUE

4шт.

4

S8000121

O-RING

desc: JOINT TORIQUE

2шт.

4

S8000141

O-RING

desc: JOINT TORIQUE

2шт.

5

S8030121

O-RING

desc: JOINT TORIQUE

1шт.

6

S2215466

BOLT;SOCKET

desc: BOULON A 6 PANS CREUX

10шт.

7

S2216766

BOLT;SOCKET

desc: BOULON A 6 PANS CREUX

6шт.

9

2181-1126D55

ADAPTER

desc: ADAPTEUR

2шт.

10

DS2479001

ADAPTER

desc: ADAPTEUR

1шт.

11

DS2479002

ADAPTER

desc: ADAPTEUR

2шт.

12

DS2495001

ADAPTER

desc: ADAPTEUR

1шт.

13

124-00285

CLAMP;RUBBER

desc: COLLIER

4шт.

14

K1002091

SPACER

desc: DOUILLE D'ECARTEMENT

4шт.

15

K1002092

PLATE

desc: PLAQUE

2шт.

16

S0559266

BOLT

desc: BOULON

4шт.

17

S5010613

WASHER

desc: RONDELLE

4шт.

18

S5102603

WASHER;SPRING

desc: RONDELLE ELASTIQUE

4шт.

19

2181-9081

FLANGE;SPLIT

desc: BRIDE

8шт.

Выбрано товаров: 20