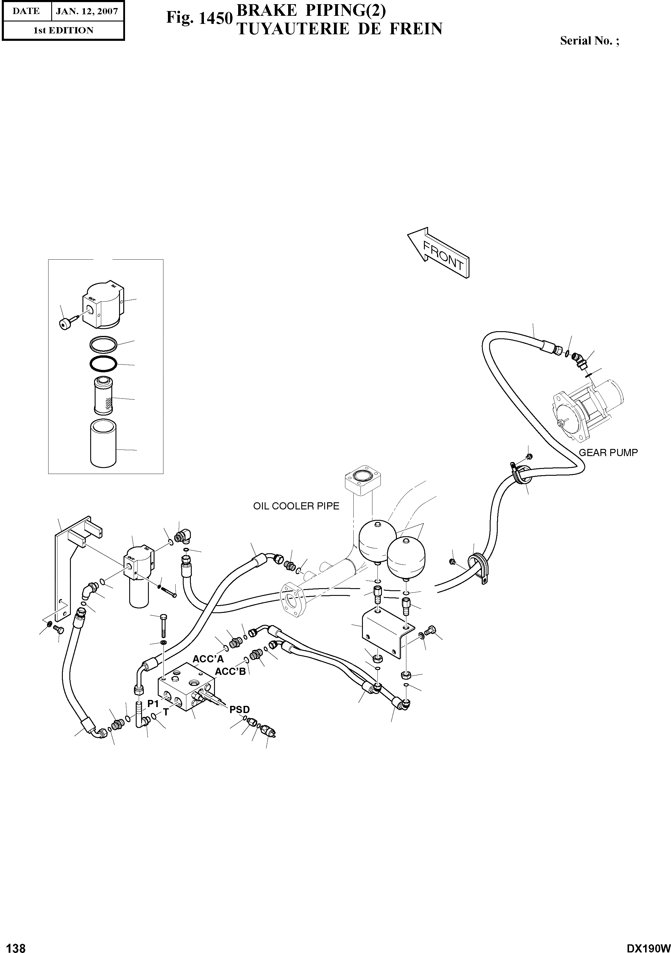
Запчасти Doosan Daewoo BRAKE PIPING(2) BODY PARTS

48
10
34
52
36
45
51
50
31
47
34
48
7
61
57
45
36
34
42
39
33
34
33
18
31
18
41
36
37
28
59
34
44
44
53
17
38
54
37
37
28
17
34
37
34
27
2
49
3
32
34
23
4
56
35
36
16
48D
48A
48F
48E
48C
48B
FIT
1:1
100%

Артикул

Название

Примечание

Количество

-

K1024039B

BRAKE PIPING ASS'Y

SC: D

-2шт.

2

DS2023301

HOSE

desc: TUYAU FLEXIBLE

1шт.

3

DS2023302

HOSE

desc: TUYAU FLEXIBLE

1шт.

4

DS2013770

HOSE

desc: TUYAU FLEXIBLE

1шт.

7

DS2059518

HOSE

desc: TUYAU FLEXIBLE

1шт.

10

DS2011621

HOSE

desc: TUYAU FLEXIBLE

1шт.

16

2549-9093

SWITCH;LOW PRESSURE

desc: COMMUTATEUR

1шт.

17

121-00025

NUT

desc: ECROU 6 PANS

2шт.

18

181-00141

REDUCER

desc: REDUCTEUR

2шт.

23

2181-2180

REDUCER

desc: REDUCTEUR

1шт.

27

2181-4133D3

ADAPTER

desc: ADAPTEUR

1шт.

28

2181-4133D39

ADAPTER

desc: ADAPTEUR

2шт.

31

2181-2815D3

ELBOW

desc: COUDE

2шт.

32

S8000111

O-RING

desc: JOINT TORIQUE

1шт.

33

S8000141

O-RING

desc: JOINT TORIQUE

2шт.

34

S8000181

O-RING

desc: JOINT TORIQUE

7шт.

35

S8180211

SEAL;RING

desc: CONTACT DE NIVEAU D'HUILE

1шт.

36

S8030081

O-RING

desc: JOINT TORIQUE

4шт.

37

S8030061

O-RING

desc: JOINT TORIQUE

4шт.

38

S0512066

BOLT

desc: BOULON A 6 PANS

2шт.

39

S0553766

BOLT

desc: BOULON A 6 PANS

2шт.

41

S0559166

BOLT

desc: BOULON A 6 PANS

2шт.

42

S5102303

WASHER;SPRING

desc: RONDELLE ELASTIQUE

2шт.

44

S5102603

WASHER;SPRING

desc: RONDELLE ELASTIQUE

4шт.

45

K1001029

BOLT

desc: BOULON A 6 PANS

2шт.

47

2460-9055

ACCUMULATOR

desc: ACCUMULATEUR

2шт.

48

471-00061

FILTER;BRAKE

desc: FILTRE DE FREIN

1шт.

48A

-

HEAD

SC: D

1шт.

48B

-

CASE

SC: D

1шт.

48C

474-00009

ELEMENT;FILTER

desc: . ELEMENT

1шт.

48D

426-00059

VALVE;BY-PASS

desc: . VANNE

1шт.

48E

Y-3738-05

O-RING

desc: . JOINT TORIQUE

1шт.

48F

Y-3738-04

RING;BACK UP

desc: . BAGUE D'ETANCHEITE

1шт.

49

2420-9325A

VALVE;BRAKE SUPPLY

desc: VANNE

1шт.

50

K1015560

BRACKET

desc: SUPPORT

1шт.

51

124-00208D7

CLIP

desc: CLIP

1шт.

52

2181-2816D4

ELBOW

desc: COUDE

1шт.

53

S0515066

BOLT

desc: BOULON A 6 PANS

2шт.

54

S5102703

WASHER;SPRING

desc: RONDELLE ELASTIQUE

2шт.

56

DS2281102

ELBOW

desc: COUDE

1шт.

57

2181-1126D6

ADAPTER

desc: ADAPTEUR

1шт.

59

195-02568E

BRACKET

desc: SUPPORT

1шт.

61

124-00208D9

CLIP

desc: CLIP

1шт.

Выбрано товаров: 43