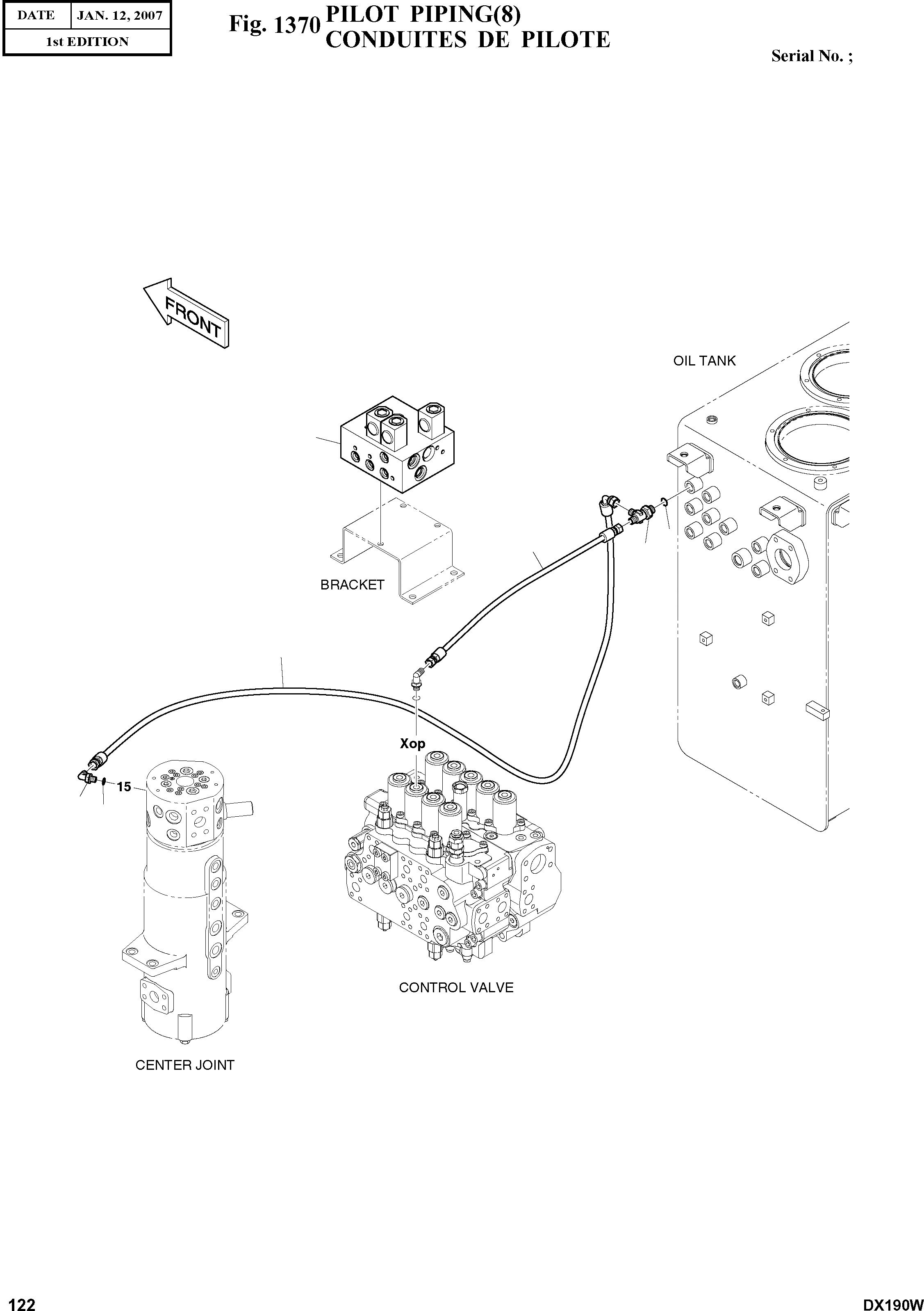
Запчасти Doosan Daewoo PILOT PIPING(8) BODY PARTS

5
7
3
6
2
4
1
FIT
1:1
100%

Артикул

Название

Примечание

Количество

-

K1024316

PILOT PIPING

SC: D

-2шт.

1

K1002820

VALVE;SOLENOID

desc: VANNE SOLENOIDE

1шт.

2

2181-1702D4

ELBOW

desc: COUDE

1шт.

3

2181-1951D7

TEE

desc: TE

1шт.

4

S8000111

O-RING

desc: JOINT TORIQUE

1шт.

5

S8000141

O-RING

desc: JOINT TORIQUE

1шт.

6

DS2093081

HOSE

desc: TUYAU FLEXIBLE

1шт.

7

DS2094196

HOSE

desc: TUYAU FLEXIBLE

1шт.

Выбрано товаров: 8