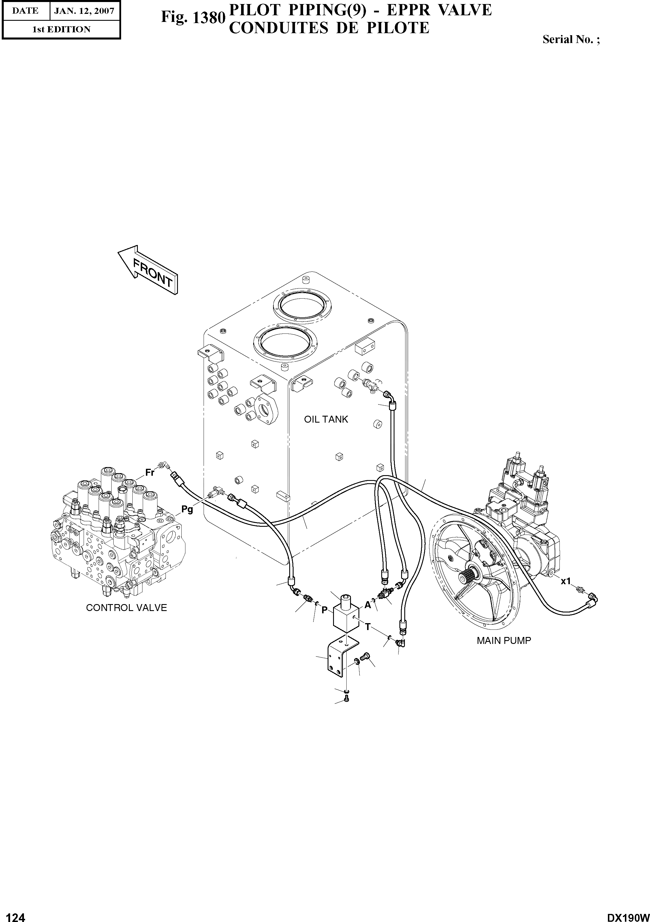
Запчасти Doosan Daewoo PILOT PIPING(9) - EPPR VALVE BODY PARTS

10
12
13
11
1
4
9
14
9
9
2
3
8
6
5
7
FIT
1:1
100%

Артикул

Название

Примечание

Количество

-

K1024318B

PILOT PIPING;EPPR

SC: D

-2шт.

1

426-00266

VALVE;EPPR

desc: VANNE

1шт.

2

K1026954A

BRACKET

desc: SUPPORT

1шт.

3

2181-1702D4

ELBOW

desc: COUDE

1шт.

4

181-00779

TEE;SHUTTLE

desc: TE

1шт.

5

S5102503

WASHER;SPRING

desc: RONDELLE ELASTIQUE

2шт.

6

S5102703

WASHER;SPRING

desc: RONDELLE ELASTIQUE

2шт.

7

S0508666

BOLT

desc: BOULON A 6 PANS

2шт.

8

S0515066

BOLT

desc: BOULON A 6 PANS

2шт.

9

S8000111

O-RING

desc: JOINT TORIQUE

3шт.

10

DS2093212

HOSE

desc: TUYAU FLEXIBLE

1шт.

11

DS2090028

HOSE

desc: TUYAU FLEXIBLE

1шт.

12

DS2093318

HOSE

desc: TUYAU FLEXIBLE

1шт.

13

DS2093399

HOSE

desc: TUYAU FLEXIBLE

1шт.

14

2471-1133

ADAPTER

desc: ADAPTEUR

1шт.

Выбрано товаров: 15