Запчасти Doosan Daewoo PILOT PIPING - NOT INDEPENDENT OPTION PARTS

1
6
3
5
2
7
8
4
5
FIT
1:1
100%

Артикул

Название

Примечание

Количество

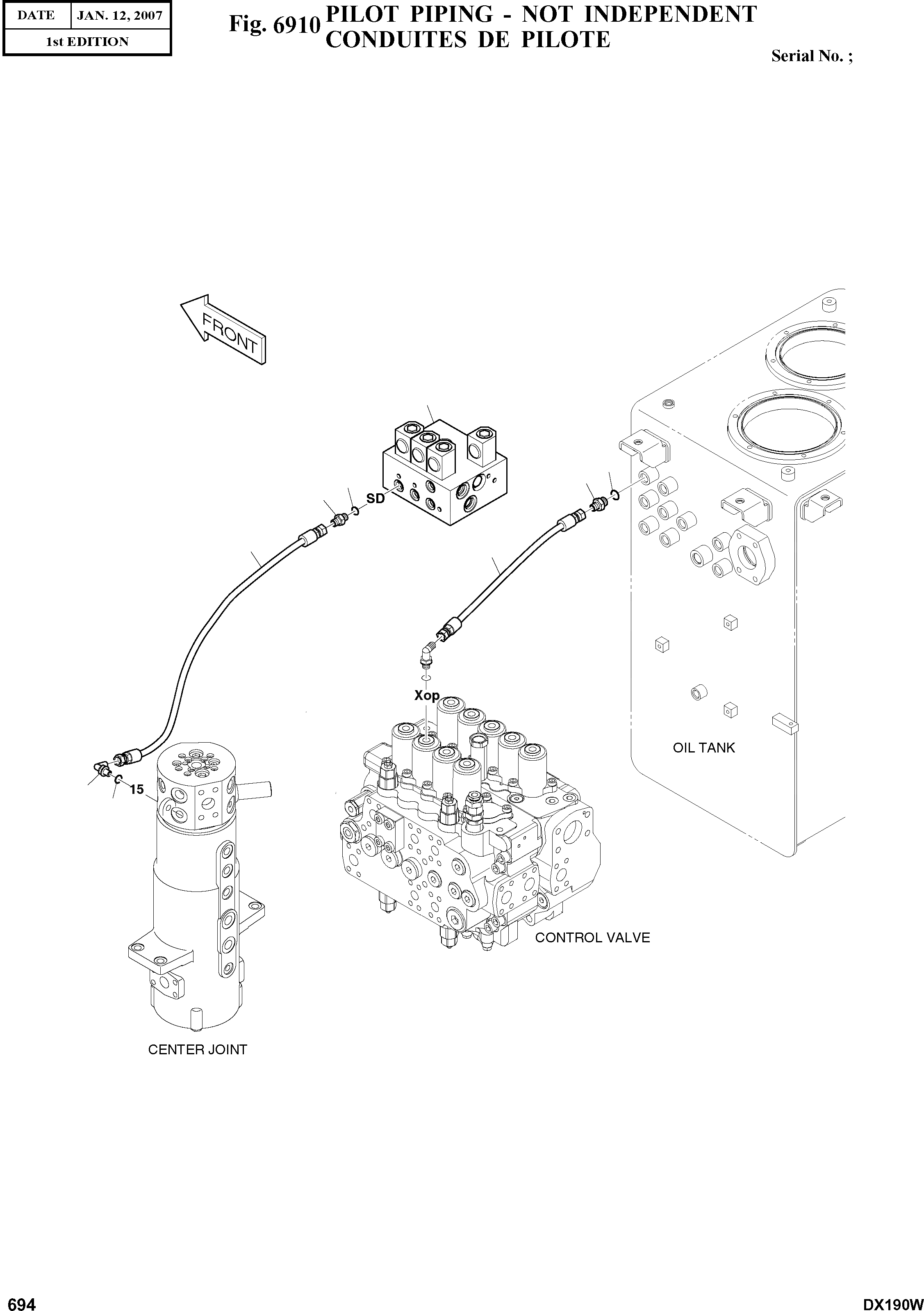
-

K1024317

PILOT PIPING;NOT INDE

SC: D

-2шт.

1

K1002821

VALVE;SOLENOID

desc: VANNE SOLENOIDE

1шт.

2

2181-1126D14

ADAPTER

desc: ADAPTEUR

1шт.

3

2181-1126D36

ADAPTER

desc: ADAPTEUR

1шт.

4

2181-1702D4

ELBOW

desc: COUDE

1шт.

5

S8000111

O-RING

desc: JOINT TORIQUE

2шт.

6

S8000141

O-RING

desc: JOINT TORIQUE

1шт.

7

DS2094197

HOSE

desc: TUYAU FLEXIBLE

1шт.

8

DS2094198

HOSE

desc: TUYAU FLEXIBLE

1шт.

Выбрано товаров: 9