Запчасти Doosan Daewoo POWER TRAIN - AXLE POWER TRAIN

8
51
22
23
5
4
23
10
14
22
9
24
6
26
16
1
17
26
13
18
7
19
12
24
11
21
3
20
24
21
2
15
24
FIT
1:1
100%

Артикул

Название

Примечание

Количество

-

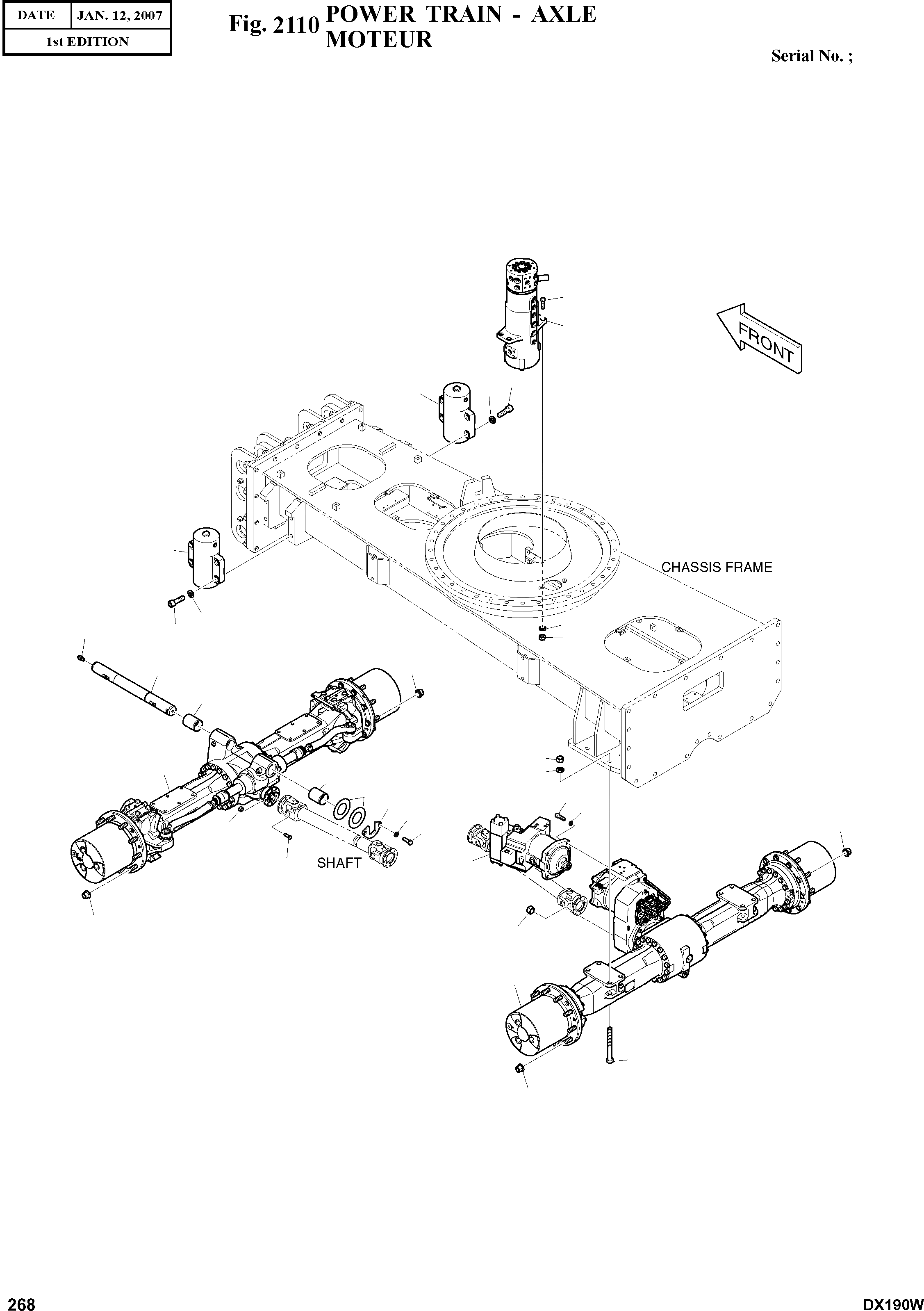
K1012731B

POWER TRAIN

SC: D

-2шт.

1

K1012711

AXLE;FRONT

desc: AXE

1шт.

2

K1012712

AXLE;REAR

desc: AXE

1шт.

3

K1012728

MOTOR;TRAVEL

desc: MOTEUR

1шт.

4

K1008890A

CYLINDER;CHOCK(L.H)

desc: CYLINDRE DE CALE

1шт.

5

K1008891A

CYLINDER;CHOCK(R.H)

desc: CYLINDRE DE CALE

1шт.

6

K1012969A

PIN

desc: GOUJON D'ASSEMBLAGE

1шт.

7

K1013099

PLATE;LOCK

desc: PLAQUE

1шт.

8

S0560666

BOLT M12X1.75X45

desc: BOULON

4шт.

9

S4012733

NUT

desc: ECROU 6 PANS

4шт.

10

S5102703

WASHER;SPRING(M12)

desc: RONDELLE ELASTIQUE

4шт.

11

S0565066

BOLT

desc: BOULON A 6 PANS

2шт.

12

S5102903

WASHER;SPRING

desc: RONDELLE ELASTIQUE

2шт.

13

2114-1879

SHIM

desc: ENTERTOISE

2шт.

14

S6710041

NIPPLE

desc: GRAISSEUR

1шт.

15

S0771766

BOLT M20X1.5X160

desc: BOULON

8шт.

16

S4033133

NUT

desc: ECROU 6 PANS

8шт.

17

2114-9012A

WASHER;HARDEN

desc: RONDELLE

8шт.

18

S2221666

BOLT;SOCKET

desc: BOULON

4шт.

19

S5110903

WASHER

desc: CALE

4шт.

20

K1006985

BOLT

desc: BOULON A 6 PANS

8шт.

21

2121-1251A

NUT

desc: ECROU 6 PANS

16шт.

22

S2234266

BOLT;SOCKET

desc: BOULON

8шт.

23

S5103303

WASHER;SPRING

desc: RONDELLE ELASTIQUE

8шт.

24

K1002433

NUT;WHEEL

desc: ECROU

40шт.

26

K1008942

BUSHING

desc: DOUILLE

2шт.

51

480-00016B

JOINT;CENTER

desc: JOINT CENTRAL

1шт.

Выбрано товаров: 27